时间:2015-03-05 13:42
人气:
作者:admin
近年来,LED 电子显示屏作为一种高科技产品日益引起人们的重视。它可以实时显示或循环播放文字、图形和图像信息,具有显示方式丰富、观赏性强、显示内容修改方便、亮度高、显示稳定且寿命长等多种优点,被广泛应用于诸多领域。随着LED 显示屏行业的不断发展, 人们对LED 显示屏的控制要求越来越高,尤其是LED 显示屏的远程控制,传统的单个LED 显示屏的控制已经很难满足多个LED 显示屏的应用场合。
目前,校园内的LED 公告板的使用越来越多,用于各类通知的宣传和传播,但其控制仍是以单块LED 公告板控制为主流,操作和更新显示屏信息十分不方便。在这种背景下,本设计对目前校园内的LED 公告板系统进行研究和改进,在原有的LED 公告板基础上加入了ZigBee 收发模块,设计了一个基于ARM器件,使用了触摸屏技术和ZigBee 无线传输技术的校园LED 公告板系统。
控制系统的硬件设计
S3C2440 处理器主控板模块

在此硬件平台上嵌入Linux 实时操作系统,进行校园整个LED 公告板系统的管理和控制。S3C2440 芯片支持触摸屏接口,其包含触摸屏控制器、四个外部晶体管,还有一个外部电压源。触摸屏接口控制,选择控制信号(nYPON、YMON、nXPON、XMON)和模拟引脚与触摸屏面板的引脚和外部晶体管相连。
PS2 键盘模块
PS2 键盘传输协议是以下面的数据格式进行数据传输的:1 个起始位(总是逻辑0),8 个数据位(低位在前),1 个奇偶校验位(奇校验),1 个停止位(总是逻辑1),1 个应答位(仅用于在主机对设备的通信中)。键盘的发送时序如图2 所示。

四线电阻式触摸屏模块
四线电阻式触摸屏是电阻式触摸屏中应用最广、最普及的一种。其结构由下线路导电ITO 层和上线路导电ITO 层组成,中间由细微绝缘点隔开。当触摸屏表面无压力时,上下线路成开路状态;一旦有压力施加到触摸屏上,上下线路导通,控制器通过下线路导电ITO 层在X 坐标方向上施加驱动电压, 通过上线路导电ITO 层上的探针侦测X 方向上的电压, 由此推算出触点的X 坐标,通过控制器改变施加电压的方向,同理可测出触点的Y 坐标,从而明确触点的位置。其等效电路如图3 所示。

图3 四线电阻式触摸屏的等效电路。
ZigBee 无线传输模块
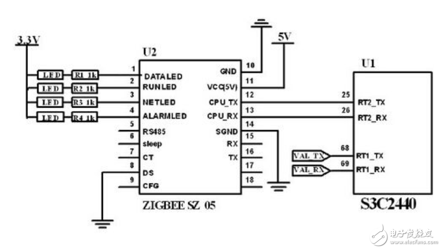
ZigBee 通信模块选用顺舟科技的SZ05 模块,处理器与通信模块通过RT1_TX 和RT1_RX 引脚连接,在叫号终端中应用的通信模块选用终端节点工作模式(即把通信模块上的DS 引脚接地)。ZigBee 无线传输模块与主控制板的连接如图4 所示。

图4 ZigBee 无线模块与主控制电路连接图。
这里ZigBee 构成一个星型网的网络类型, 发送模式设置为主从模式,波特率选择为9600,数据位设置为8+0+1.使用ZigBee 无线传输模块实现无线数据显示信息传递与更新, 避免了使用基于中国移动通信运营商的GSM/GPRS 通信网络的数据传输而带来在信息更新时的额外开销费用。