时间:2014-05-09 10:07
人气:
作者:admin
作为卤素灯的一种坚固、节能和高性能的替代方案,LED 在 24VAC 和 12VAC 照明系统中得到了越来越多的使用。负责驱动 LED 的电源转换器应具有一个高功率因数 (高于 90% 以满足被业界普遍接受的绿色标准),应拥有高效率,使用极少的组件,并应在运行时保持很低的温升。它们不需要隔离。
一款可满足上述要求的解决方案整合了一个整流器电桥和一个电流控制型同步升压 / 降压型转换器。具体而言,可将一个同步四开关降压-升压型转换器与一个四开关理想二极管整流器电桥配对使用以驱动高功率 LED;较低功率的解决方案可采用一个标准的二极管桥。这两种解决方案皆示于此。
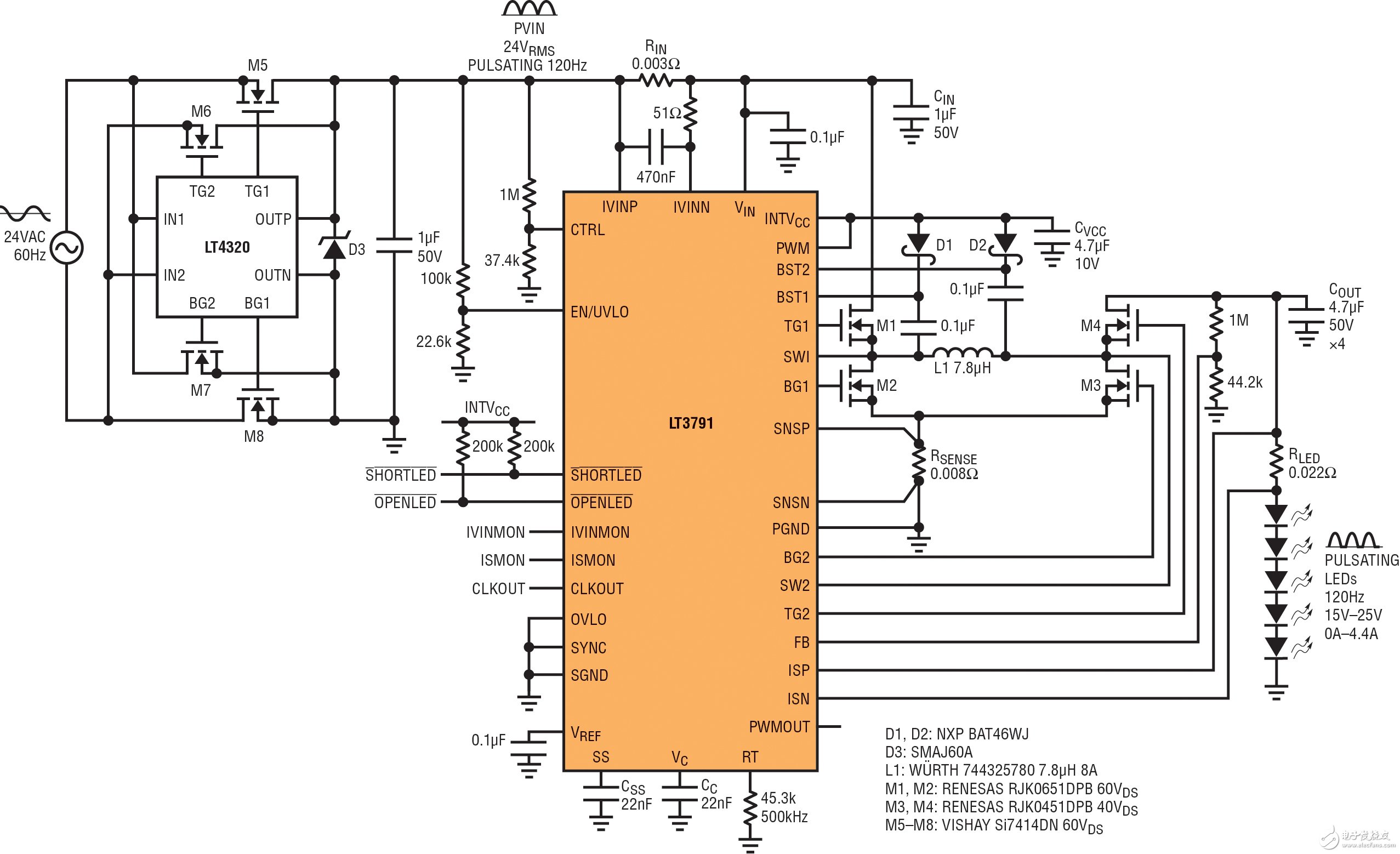
LT3791 60V 四开关同步降压-升压型控制器 IC 能把恒定的电流 (DC 或脉动) 驱动至一个高功率 LED 灯串中。该器件具有一个输出电流反馈环路和一个 CTRL 调光输入引脚,前者用于驱动恒定电流流过一个 LED 灯串,而后者则可连接至一个整流器电桥的 120Hz 半正弦波输出以产生一个高功率因数脉动 LED 电流输出。
LT4320 是一款理想二极管整流器电桥,其可取代 4 个典型的整流器二极管来驱动 4 个 MOSFET,从而实现从 60Hz 24VAC 输入至 24VRMS 120Hz脉动输出的极高效率转换。当电流达到 5A 及更高时,标准整流器电桥中的二极管将耗散大量的功率并升温。LT4320 通过驱动低电阻外部 N 沟道 FET 来帮助高功率 AC 应用以高效率和低温升的方式运行。
98.1% 的功率因数
图 1 示出了一个直接采用 24VAC 以 98.1% 的功率因数运作的 LED 驱动器。其能够在 LED 电流峰值为 4.4A 的情况下以 120Hz 脉动功率驱动高达 25V LED。在 120Hz 频率下,人眼察觉不到光的脉动并认为光线的亮度是恒定的。图 2 示出了高功率因数 24VAC 输入电压和电流波形。120Hz 脉动 LED 电流波形示于图 3。

图 1:24VAC至60W LED驱动器 (等效于600W卤素灯) 具有高功率因数和高效率

图 2:60Hz 24VAC 输入波形

图 3:120Hz 脉动 LED 驱动器波形