全球最实用的IT互联网信息网站!
AI人工智能P2P分享&下载搜索网页发布信息网站地图
木几智能M712高速贴片机亮相2023第28届古镇灯博会
阅读全文2023-03-27
如何选择一款符合你加工工艺的锡膏?
无需PWM信号即可对汽车刹车灯和其他信号LED进行
锡膏厂家讲解:高温无铅锡膏和低温锡膏的区别
专业焊锡膏生产厂家哪家好?
阅读全文2023-03-24
中国科大研发高效稳定近红外钙钛矿LED结构和性
超薄的超构表面显示器会替代液晶显示器LCD吗?
220V电源用一个电阻串联LED做指示灯,总是烧掉,
用光耦代替光敏电阻
阅读全文2023-03-23
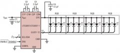
通用12输出LED驱动器控制4 RGB LED
显示器低蓝光(ChinaMark)认证
友达光电的Micro LED生产线预计2025年启动量
艾迈斯欧司朗CIOE人气旺 众多新产品亮点
第二代全新升级LED全息屏:无龙骨设计引
CPU | 内存 | 硬盘 | 显卡 | 显示器 | 主板 | 电源 | 键鼠 | 网站地图
Copyright © 2025-2035 诺佳网 版权所有 备案号:赣ICP备2025066733号 本站资料均来源互联网收集整理,作品版权归作者所有,如果侵犯了您的版权,请跟我们联系。