全球最实用的IT互联网站!
人工智能P2P分享搜索全网发布信息网站地图标签大全
避免在频率高于20kHz时采用PWM LED调光的音频频段
阅读全文2023-01-31
透明OLED市场进入高速增长期,成为虚拟与现实的
BOE(京东方)发布2022年业绩预告 稳步迈入高质量
一文浅析显示行业OLED技术
阅读全文2023-01-30
Mini LED和OLED的显示器市场回顾
【世说设计】是否可以使用仪表放大器测量两个
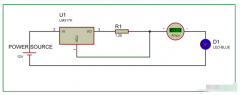
7种简单的LED电路图
RUILON喜获2022年度广东省工程技术研究中心认定
阅读全文2023-01-29
OLED电视市场竞争将更加激烈化 LG电子连续十年稳
为什么需要LED驱动器电路?LED驱动电路工作原理
阅读全文2023-01-25
显示器低蓝光(ChinaMark)认证
友达光电的Micro LED生产线预计2025年启动量
艾迈斯欧司朗CIOE人气旺 众多新产品亮点
第二代全新升级LED全息屏:无龙骨设计引
CPU | 内存 | 硬盘 | 显卡 | 显示器 | 主板 | 电源 | 键鼠 | 网站地图
Copyright © 2025-2035 诺佳网 版权所有 备案号:赣ICP备2025066733号 本站资料均来源互联网收集整理,作品版权归作者所有,如果侵犯了您的版权,请跟我们联系。