全球最实用的IT互联网站!
人工智能P2P分享搜索全网发布信息网站地图标签大全
SMT工艺中影响锡膏印刷的主要原因有哪些?
阅读全文2021-12-08
LED深紫外光源UVC灯珠在水杯产品中的应用
阅读全文2021-12-07
我们该如何判断led贴片灯珠的质量好还是不好
洲明科技荣获2021年行家极光奖三大重磅奖项
洲明集团清华康利积极布局文旅照明和智慧城市
壁挂式液晶广告机常见的分类一般都有哪几种
交通监控摄像头加装交通道路监控补光灯的优势
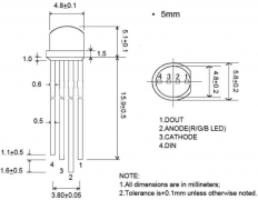
幻彩F5mm直插灯珠(发光二极管)规格书介绍
阅读全文2021-12-06
锡膏的价格是多少?都有哪些作用?
从车流到数据流 | 智慧交通时代,Hisan智能激光屏
显示器低蓝光(ChinaMark)认证
友达光电的Micro LED生产线预计2025年启动量
艾迈斯欧司朗CIOE人气旺 众多新产品亮点
第二代全新升级LED全息屏:无龙骨设计引
CPU | 内存 | 硬盘 | 显卡 | 显示器 | 主板 | 电源 | 键鼠 | 网站地图
Copyright © 2025-2035 诺佳网 版权所有 备案号:赣ICP备2025066733号 本站资料均来源互联网收集整理,作品版权归作者所有,如果侵犯了您的版权,请跟我们联系。