全球最实用的IT互联网站!
人工智能P2P分享搜索全网发布信息网站地图标签大全
关于白光LED衰减与其材料的研究
阅读全文2021-04-21
浅谈高成本效益的RGB LED驱动方案
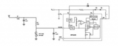
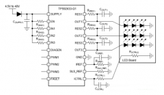
基于TPS92633-Q1的LED驱动解决方案
阅读全文2021-04-17
为什么LED如此普及?浅谈LED照明标准的连接器
利用UVC LED把病菌赶尽杀绝!
阅读全文2021-04-14
苹果宣布下周三举行发布会,供应商已大大提高
基于NTC电阻(负温度系数)的简单电路解决方案
阅读全文2021-04-11
基于90-265 VAC LED150 W路灯电源的参考设计
阅读全文2021-04-09
夜间照明不足下的LED路灯设计也会有隐患
简单的汽车调光LED温度控制设计方案
阅读全文2021-04-08
显示器低蓝光(ChinaMark)认证
友达光电的Micro LED生产线预计2025年启动量
艾迈斯欧司朗CIOE人气旺 众多新产品亮点
第二代全新升级LED全息屏:无龙骨设计引
CPU | 内存 | 硬盘 | 显卡 | 显示器 | 主板 | 电源 | 键鼠 | 网站地图
Copyright © 2025-2035 诺佳网 版权所有 备案号:赣ICP备2025066733号 本站资料均来源互联网收集整理,作品版权归作者所有,如果侵犯了您的版权,请跟我们联系。