该TPS23753A是以太网供电 (PoE) 受电设备 (PD) 接口和电流模式 DC-DC 控制器的组合,专门针对隔离式转换器设计进行了优化。PoE 实现支持 IEEE 802.3at 标准作为 13 W 1 型 PD。IEEE 802.3at 类型 1 器件的要求是 IEEE 802.3-2008(最初是 IEEE 802.3af)的超集。
该TPS23753A支持多种输入电压ORing选项,包括最高电压、外部适配器首选项和PoE首选项。
*附件:tps23753a.pdf
PoE 接口具有外部检测签名引脚,也可用于禁用内部热插拔 MOSFET。这允许关闭 PoE 功能。可以使用单个电阻器将分类编程为任何定义的类型。
DC-DC 控制器具有带有内部开关电流源的自举启动机制。这提供了循环过载故障保护的优势,而不会产生上拉电阻的恒定功率损耗。
可编程振荡器可以与更高频率的外部时序基准电压源同步。该TPS23753A改进了通过ESD事件实现不间断器件运行的功能。
特性
- 增强的 ESD 穿越能力
- 针对隔离式转换器进行了优化
- 完整的 PoE 接口
- 适配器 ORing 支持
- 支持 12V 适配器
- 具有同步功能的可编程频率
- 坚固耐用的 100V、0.7 Ω热插拔 MOSFET
- 小型14引脚TSSOP封装
- 具有 15 kV 和 8 kV 系统级 ESD 功能
- –40°C 至 125°C 结温范围
- 设计程序应用说明 – SLVA305
- 适配器 oring 应用说明 – SLVA306
参数

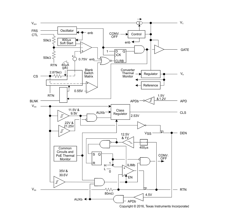
方框图

1. 产品概述
TPS23753A是德州仪器(TI)推出的集成PoE(以太网供电)接口与DC-DC控制器的芯片,符合IEEE 802.3at Type 1标准,专为隔离式电源转换器优化设计。主要特点包括:
- PoE功能:支持13W供电设备(PD),集成100V/0.7Ω热插拔MOSFET,增强ESD抗扰能力(15kV系统级ESD防护)。
- DC-DC控制:电流模式PWM控制器,支持同步整流,可编程开关频率(最高500kHz),最大占空比78%。
- 适配器兼容:支持外部适配器与PoE电源的优先级切换(ORing功能)。
- 封装:14引脚TSSOP,工作温度范围-40°C至125°C。
2. 关键特性
- PoE接口
- 检测/分类:支持IEEE 802.3at硬件分类(Class 0-3),内置24.9kΩ检测电阻。
- 保护机制:过流保护、热关断、输入欠压锁定(UVLO)。
- DC-DC控制器
- 启动方式:内部电流源充电启动,支持软启动(约800μs)。
- 控制接口:CTL引脚直接接收光耦反馈,简化设计。
- 斜率补偿:内置可调补偿,提升电流模式稳定性。
3. 应用场景
- VoIP电话、无线接入点、安防摄像头等PoE供电设备。
- 需适配器/PoE双电源冗余的系统。
4. 设计支持
- 引脚功能:如APD(适配器优先级控制)、BLNK(消隐时间编程)、FRS(频率同步)等。
- 典型电路:提供隔离反激式转换器参考设计(见图9-1),含输入整流桥、变压器、反馈环路等。
- 保护设计:推荐TVS二极管(如SMAJ58A)抑制输入瞬态电压。