时间:2025-08-14 10:50
人气:
作者:admin
欢迎来到德州仪器的电源设计小贴士 Power Tips系列文章
本期,我们将介绍LLC 电流模式控制的详细知识
电流模式控制 LLC 注意事项
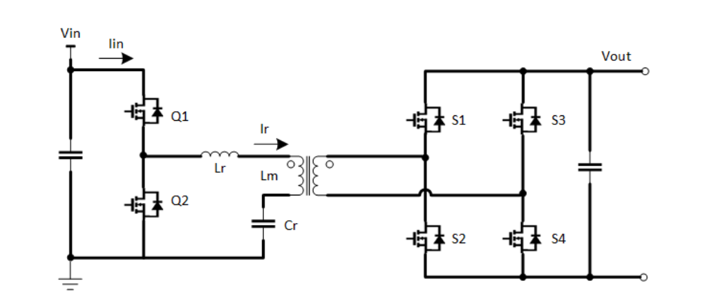
如图 1 所示,指示器 - 指示器 - 电容器 (LLC) 串行谐振电路可以在初级侧实现零电压开关,在次级侧实现零电流开关,从而提高效率并实现更高的开关频率。通常,LLC 转换器采用直接频率控制模式,只有一个电压环路,可通过调整开关频率来稳定其输出电压。直接频率控制 LLC 无法实现高带宽,因为 LLC 微小信号传输功能存在双极点,在不同的负载条件下会发生变化。当将所有边界条件纳入考虑时,用于直接频率控制的 LLC 补偿器设计将变得棘手且复杂。
电流模式控制可以通过内部控制环路消除双极点,同时使用简单的补偿器在所有运行条件下实现高带宽。混合滞环控制是一种 LLC 电流模式控制方法,它结合了电荷控制和斜率补偿技术。这种控制方法在保留电荷控制优异瞬态性能的同时,通过引入斜率补偿技术,有效规避了空载或轻载状况下的相关稳定性问题。德州仪器 (TI) 提供的UCC256404 LLC 谐振控制器证明了该方法切实可行。

图 1:LLC 串行谐振电路可在初级侧实现零电压开关,并在次级侧实现零电流开关。
LLC 电流模式控制的原理
与降压和升压等脉宽调制 (PWM) 转换器类似,峰值电流模式控制可在每个开关周期内直接调控电感电流,从而将内环控制系统简化为一阶系统。
在 LLC 转换器中,谐振回路的工作方式类似于摆动。高低侧开关对谐振电容器电压进行推挽操作:当高侧开关导通,且谐振电流转为正值后,谐振电容电压将向上摆动;反之,当低侧开关导通,且谐振电流转为负值后,谐振电容电压将向下摆动。
当高侧开关导通时,能量流入谐振转换器。如果移除输入去耦合电容器,则向谐振回路提供的功率等于输入电压和输入电流的乘积的积分值。若忽略死区时间,则公式 1 可表示每个开关周期内的能量。

公式 1
在公式 1 中,输入电压是恒定的,输入电流等于谐振电流的绝对值。因此您可以将公式 1 修改为公式 2。

公式 2
观察谐振电容器,谐振电流的积分值与谐振电容器上的电压变化成正比(公式 3)。

公式 3
公式 4 可推导出传输到谐振回路的能量。

公式 4
从公式 4 可以明显看出,每个开关周期内传递的能量与高侧开关导通时谐振电容的电压变化量成正比。这与降压或升压转换器中的峰值电流控制非常相似,其中能量与指示器的峰值电流成正比。
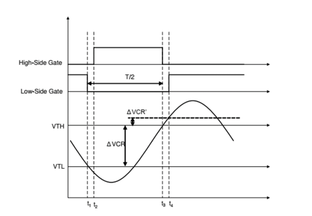
LLC 电流模式控制通过控制谐振电容器上的电压变化来控制每个开关周期中提供的能量,如图 2 所示。

图 2:这种通过控制谐振电容器电压变化来管理每个开关周期传输能量的方式,正是 LLC 电流模式控制的原理。
使用 MCU 实现 LLC 电流模式控制
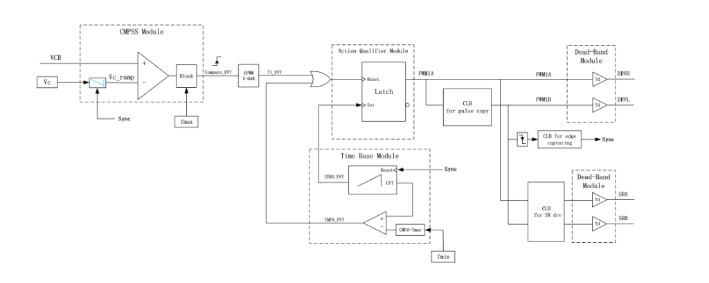
图 3 展示了基于德州仪器 (TI)TMS320F280039C C2000 32 位微控制器 (MCU)实现的电流模式 LLC 逻辑,该方案包含基于硬件的谐振电容器电压变化量 (ΔVCR) 比较、脉冲生成和最大周期限制 。
在 LLC 电流模式控制中,信号 Vc 来自电压循环补偿器,信号 VCR 是谐振电容器的电压感应。C2000 比较器子系统模块具有内部斜率发生器,该发生器可自动为 Vc 提供下降斜率补偿。您只需设置斜率发生器的初始值;模数转换器 (DAC)将根据斜率设置提供下降斜率 VCR 限制 (Vc_ramp)。比较器子系统模块将 VCR 的模拟信号与斜率限制进行比较,并生成触发事件 (COMPARE_EVT) 以通过 ePWM X-Bar 触发增强型 PWM (ePWM)。
ePWM 中的动作限定器子模块接收来自比较器子系统的比较事件,并在每个开关周期中将 PWM (PWMH) 的高侧拉低。在 PWMH 变为低电平后,可配置逻辑块会将相同的脉冲宽度复制到 PWM (PWML) 的低侧。PWML 变为低电平后,可配置逻辑块 (CLB) 将生成同步脉冲,用于复位所有相关模块并将 PWMH 信号重新置于高电平。该过程会按照新的开关周期重复。
除了比较动作之外,时间基值子模块还限制了PWMH 和 PWML 的最大脉冲宽度,这两个脉冲宽度决定了 LLC 转换器的最小开关频率。如果计时器计数至最大值时仍未出现比较事件,时间基值子模块将复位 AQ 子模块并拉低 PWMH,以此替代比较器子系统模块的比较事件动作。
这个硬件逻辑构成内部 VCR 变化控制,该硬件逻辑可控制在每个开关周期中传送到谐振回路的能量。随后,可采用传统中断服务例程设计外部电压循环补偿器,通过计算并刷新 VCR 变化振幅至 Vc 的设定值来实现控制。

图 3:采用 C2000 MCU 的 LLC 电流模式控制逻辑,其中信号 Vc 来自电压循环补偿器,信号 VCR 是谐振电容器的电压感应。
实验结果
我在使用 TMS320F280039C MCU 的 1kW 半桥 LLC 平台上测试了此处所述的电流模式控制方法。图 4 显示了 400V 输入和 42A 负载下的电压循环波德图,证明 LLC 可以实现 6kHz 带宽和 50 度的相位裕度。

图 4:具有 400V 输入和 42A 负载的电流模式控制 LLC 的波德图。
图 5 比较了对输入电压 400V,负载电流 10A 至 80A(转换速率为 2.5A/μs)的瞬态状况下,直接频率控制与混合滞环控制的负载瞬态特性。如您所见,与传统的直接频率控制 LLC 相比,混合滞环控制电流模式控制方法可以更好地响应负载瞬态。

图 5:直接频率控制 (a) 与混合滞环控制 (b) 在 400VDC输入,电流 10A 至 80A(转换率 2.5A/μs)情况下的负载瞬态。绿色是主要电流;浅蓝色是 DC 耦合的输出电压;紫色是 AC 耦合的输出电压;深蓝色是输出电流。
数字电流模式控制 LLC
较之直接频率控制,数字电流模式控制的 LLC可实现更高控制带宽,并在负载切换期间保持极低的电压波动。在 N+1 冗余和并联应用中,这种控制方法可以在热插拔或提供保护期间将总线电压保持在稳压范围内。因此,这种控制方法凭借其快速响应特性和数字可编程能力,已在数据中心电源和 AI 服务器电源领域获得广泛应用。