时间:2025-08-19 15:03
人气:
作者:admin

随着消费者对汽车舒适性和安全性需求的不断提升,多功能座椅市场迎来了快速增长。特别是在新能源汽车领域,多功能座椅已成为提升产品竞争力的重要配置。英飞凌基于TVII-B系列芯片的多功能座椅控制器方案,凭借高性能、低功耗和高度集成的技术优势,为汽车厂商提供了灵活、高效的解决方案。

场景应用图
方案亮点:智能化与高效能的完美结合
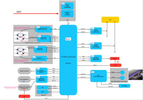
英飞凌TVII-B系列CYT2B9芯片是该方案的核心,采用40nm先进制程工艺,集成强大的运算能力和丰富的接口资源。其低功耗特性满足汽车电子对节能减排的严格要求。通过与TLE92108驱动芯片的协同工作,该方案能够精准控制座椅的多维调节功能,包括前后、上下、靠背角度、头枕高度等,满足不同乘客的个性化需求。
此外,方案中还配备了KP466和TLE4913HTSA1等多种传感器,实现对座椅状态和乘客信息的精准感知。无论是座椅加热、通风还是按摩功能,英飞凌的智能高边开关BTS7040都能确保快速响应和稳定运行,为乘客提供舒适的驾乘体验。

展示板照片
核心技术优势
1. 高性能与低功耗:CYT2B9芯片基于双CPU架构(160-MHz Arm Cortex-M4F和100-MHz Arm Cortex-M0+),支持多种通信接口(如CAN FD、LIN),并具备安全启动和加密引擎,符合ASIL-B功能安全要求。
2. 高度集成与灵活配置:方案集成多种功能模块,减少外部元件使用,降低系统成本与复杂度。无论是基础座椅调节功能还是高端全功能座椅,均可通过芯片组合与软件设置灵活实现。
3. 稳定性与可靠性:TLE92108驱动芯片具备多种诊断功能(如短路、开路检测),确保座椅系统在复杂工况下的可靠运行。芯片还通过AEC-Q100认证,能够应对电磁干扰和温度变化等挑战。
4. 精准感知与控制:KP464压力传感器和BTN7030-1EPA智能半桥等元件,确保座椅功能的高效实现,同时提供过流、过温等多重保护。

方案方块图
应用场景与市场价值
英飞凌的多功能座椅控制器方案广泛适用于从入门级到豪华级的各类车型。其高效节能的设计契合新能源汽车的发展趋势,而智能化的功能则满足消费者对高品质驾乘体验的追求。通过这一方案,汽车厂商不仅能够提升产品竞争力,还能降低研发与生产的复杂性。
方案规格一览
CYT2B9芯片:2112-KB代码闪存、256-KB SRAM,支持FOTA,集成多种通信接口,符合AEC-Q100认证。
TLE92108驱动芯片:8个半桥驱动,支持高侧和低侧电流监测,具备多重保护功能。
KP464压力传感器:压力测量范围40至115 kPa,精度±1.0 kPa,支持SPI接口输出。
BTS7020-2EPA高边开关:双通道设计,支持多种负载类型,具备过温、过流保护功能。
总结
英飞凌基于TVII-B的多功能座椅控制器方案,以其领先的技术性能和高度集成的设计,为汽车座椅系统的智能化、节能化发展树立了新标杆。无论是提升驾乘舒适性还是满足安全与环保要求,该方案都展现了卓越的市场竞争力,是汽车厂商的不二之选。
欢迎关注大联大工程师社区——大大通
登录大大通网站,查看原文,了解更多方案详情!
方案链接:https://www.wpgdadatong.com/reurl/rIBrmu