MSPM0G310x 微控制器 (MCU) 是 MSP 高度集成、超低功耗 32 位 MCU 系列的一部分,基于增强型 Arm Cortex-M0+ 32 位内核平台,工作频率高达 80MHz。这些成本优化的 MCU 提供高性能模拟外设集成,支持 -40°C 至 125°C 的扩展温度范围,并在 1.62V 至 3.6V 的电源电压范围内工作。
*附件:mspm0g3107-q1.pdf
MSPM0G310x 器件提供高达 128KB 的嵌入式闪存程序存储器,具有内置纠错码 (ECC) 和高达 32KB 的 SRAM,具有硬件奇偶校验选项。这些器件还集成了存储器保护单元、7 通道 DMA 和各种高性能模拟外设,如两个 12 位 4Msps ADC、可配置的内部共享电压基准和一个通用放大器。这些器件还提供智能数字外设,如 2 个 16 位高级控制定时器、5 个通用定时器(带有 1 个用于 QEI 接口的 16 位通用定时器、2 个用于待机模式的 16 位通用定时器和 1 个 32 位通用定时器)、2 个窗口式看门狗定时器以及 1 个带闹钟和日历模式的 RTC。这些设备提供数据完整性和加密外设(CRC、TRNG、AES)和增强的通信接口(4 个 UART、2 个 I2C、2 个 SPI、CAN 2.0/FD)。
TI MSPM0 系列低功耗 MCU 由具有不同模拟和数字集成程度的器件组成,使客户能够找到满足项目需求的 MCU。MSPM0 MCU 平台将 Arm Cortex-M0+ 平台与整体超低功耗系统架构相结合,使系统设计人员能够在降低能耗的同时提高性能。
MSPM0G310x MCU 由广泛的硬件和软件生态系统提供支持,并提供参考设计和代码示例,以便快速开始设计。开发套件包括可供购买的 LaunchPad。TI 还提供免费的 MSP 软件开发套件 (SDK),该套件作为 TI 资源浏览器中 Code Composer Studio™ IDE 桌面和云版本的组件提供。MSPM0 MCU 还得到了广泛的在线宣传资料、MSP Academy 培训以及通过 TI E2E™ 支持论坛提供的在线支持。
特性
- 核心
- Arm 32 位 Cortex-M0+ CPU,带内存保护单元,频率高达 80MHz
- 功能安全 质量管理
- 提供功能安全手册和 FMEDA,以帮助进行功能安全系统设计
- 作特性
- 扩展温度:–40°C 至 125°C
- 宽电源电压范围:1.62V 至 3.6V
- 记忆
- 高达 128KB 的闪存,内置纠错码 (ECC)
- 高达 32KB 的 SRAM,具有硬件奇偶校验
- 高性能模拟外设
- 两个同步采样 12 位 4Msps 模数转换器 (ADC),具有多达 17 个外部通道
- 14 位有效分辨率 (250ksps),带硬件平均
- 一个通用放大器 (GPAMP)
- 可配置的 1.4V 或 2.5V 内部共享电压基准 (VREF)
- 集成温度传感器
- 集成电源监视器
- 优化的低功耗模式
- 运行:101μA/MHz (CoreMark)
- 休眠电流:4MHz 时为 487μA
- 停止:47kHz 时为 32μA
- 待机:1.5μA,具有 RTC 和 SRAM 保持
- 关断:80nA,具有 IO 唤醒功能
- 智能数字外设
- 7 通道 DMA 控制器
- 两个 16 位高级控制定时器支持死区插入和故障处理
- 7 个定时器,支持多达 22 个 PWM 通道
- 一个 16 位通用定时器
- 一个 16 位通用定时器支持 QEI
- 两个 16 位通用定时器支持在 STANDBY 模式下的低功耗作
- 一个 32 位通用定时器
- 两个带死区的 16 位高级定时器
- 两个窗口看门狗计时器
- 带闹钟和日历模式的 RTC
- 增强的通信接口
- 四个 UART 接口;1 个支持 LIN、IrDA、DALI、Smart Card、Manchester,3 个支持在 STANDBY 模式下的低功耗运行
- 两个 I2C 接口,支持高达 FM+ (1Mbit/s)、SMBus、PMBus 和从 STOP 模式唤醒
- 两个 SPI,一个 SPI 支持高达 32Mbits/s
- 一个控制器局域网 (CAN) 接口支持 CAN 2.0 A 或 B 和 CAN-FD
- 时钟系统
- 内部 4MHz 至 32MHz 振荡器,精度高达 ±1.2% (SYSOSC)
- 高达 80MHz 的锁相环 (PLL)
- 内部 32kHz 振荡器 (LFOSC),精度为 ±3%
- 外部 4MHz 至 48MHz 晶体振荡器 (HFXT)
- 外部 32kHz 晶体振荡器 (LFXT)
- 外部时钟输入
- 数据完整性和加密
- 循环冗余校验器(CRC-16、CRC-32)
- 真随机数生成器 (TRNG)
- 使用 128 位或 256 位密钥的 AES 加密
- 灵活的 I/O 功能
- 多达 60 个 GPIO
- 两个 5V 容限 IO
- 两个驱动强度为 20mA 的高驱动 IO
- 开发支持
- 套餐选项
- 64 引脚 LQFP
- 48 引脚 LQFP、VQFN
- 32 引脚 VQFN
- 32 引脚和 28 引脚 VSSOP
- 20 引脚 VSSOP
- 家庭成员(另请参阅设备比较)
- MSPM0G3105:32KB 闪存,16KB RAM
- MSPM0G3106:64KB 闪存,32KB RAM
- MSPM0G3107:128KB 闪存,32KB RAM
- 开发工具包和软件(另请参阅工具和软件)
- LP-MSPM0G3507 LaunchPad™ 开发套件
- MSP 软件开发工具包 (SDK)
- 汽车认证
- AEC-Q100 1 级
- 32 引脚和 48 引脚 QFN,带可润湿侧面选项
参数

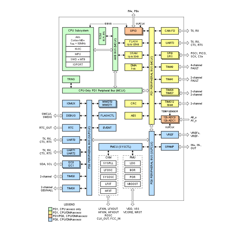
方框图

1. 主要特性
- 高性能微控制器:基于Arm Cortex-M0+平台,最高频率可达80MHz。
- 丰富的内存配置:提供高达128KB的嵌入式闪存程序内存(带ECC)和32KB的SRAM(带硬件校验选项)。
- 高级模拟外设:包括两个12位4Msps ADC、可配置的内部共享窗口看门狗定时器、带闹钟和日历模式的RTC等。
- 强大的通信接口:支持CAN 2.0 A/B和CAN-FD,以及四个UART、两个I2C、两个SPI等。
- 数据完整性和加密:集成CRC、TRNG、AES等外设,确保数据传输的安全性和完整性。
2. 应用领域
- 适用于需要高性能、低功耗和强大数据处理能力的嵌入式系统,如工业控制、汽车电子、物联网设备等。
3. 功能框图
- CPU子系统:包括Arm Cortex-M0+核心、NVIC、MPU、SWD+MTB等。
- 外设接口:包括GPIO、ADC、TIM、UART、I2C、SPI、CAN等。
- 电源管理:包括LDO、PMU、BOR、POR等。
- 调试接口:支持SWD调试。
4. 内存与外设
- 闪存:支持ECC,提供数据完整性保护。
- SRAM:带硬件校验选项,确保数据安全性。
- 模拟外设:两个12位ADC支持高达4Msps的采样率,RTC支持闹钟和日历功能。
- 通信接口:CAN接口支持CAN 2.0 A/B和CAN-FD协议,UART、I2C、SPI接口满足多种通信需求。
5. 电源管理
- 支持多种低功耗模式(SLEEP、STOP、STANDBY、SHUTDOWN),可根据应用需求优化功耗。
- 集成LDO、PMU等电源管理单元,提供稳定的电源供应和保护。
6. 调试与开发工具
- 支持SWD调试接口,便于代码调试和性能分析。
- 提供LaunchPad开发套件和免费的MSP Software Development Kit(SDK),加速开发进程。
7. 封装与尺寸
- 提供LQFP64、VQFN48、VQFN32等多种封装选项,满足不同应用场景的需求。
8. 安全特性
- 集成TRNG(真随机数生成器)和AES(高级加密标准)模块,提供硬件级别的安全保护。
- 支持CRC校验,确保数据传输的完整性。
9. 环境与可靠性
- 符合AEC-Q100标准(Q版本),适用于汽车电子等高可靠性应用场景。
- 提供详细的绝对最大额定值和热信息,确保设备在恶劣环境下的稳定运行。
MSPM0G3107-Q1是一款功能强大、灵活性高的微控制器,适用于多种高性能、低功耗和强大数据处理能力的嵌入式系统。其丰富的内存配置、强大的通信接口、先进的电源管理以及完善的安全特性,使其成为工业控制、汽车电子、物联网设备等领域的理想选择。