时间:2025-05-11 16:14
人气:
作者:admin
一、模块来源
模块实物展示:

资料下载链接:https://pan.baidu.com/s/1n_vp38V7ij88PUGpbJPd7Q
资料提取码:8888
二、规格参数
工作电压:3.3V
工作电流:30MA
模块尺寸:35(H) x 56(V) MM
像素大小:128(H) x 160(V)RGB
驱动芯片:ST7735S
通信协议:SPI
管脚数量:12 Pin(2.54mm间距排针)
带电阻触摸芯片:XPT2046
以上信息见厂家资料文件

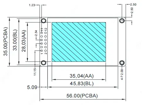
文件路径

尺寸参数
三、移植过程
我们的目标是将例程移植至立创·CW32F030C8T6开发板上。按照以下步骤,即可完成移植。
将源码导入工程;
根据编译报错处进行粗改;
修改引脚配置;
修改时序配置;
移植验证。
3.1查看资料
打开厂家资料例程(例程下载见百度网盘链接下载)。具体路径见例程路径

例程路径
3.2移植至工程
将厂家资料路径下的【LCD】文件夹,复制到自己的工程中。(工程可以参考入门手册工程模板)

复制示意图
我们打开工程文件,将我们刚刚复制到文件夹中的文件,导入C文件和路径。

分别在lcd_init.h、lcd.h 和 touch.h 文件中定义三个宏,u32、u16与u8。
#ifndef u8 #define u8 uint8_t #endif #ifndef u16 #define u16 uint16_t #endif #ifndef u32 #define u32 uint32_t #endif

分别在lcd_init.h、lcd.h 和 touch.h 文件中将 sys.h 改为 board.h

修改lcd_init.h内容

修改lcd.h内容

修改touch.h内容
分别在lcd_init.c、lcd.c 和 touch.c 文件中将 delay.h 注释掉。

修改lcd_init.c内容

修改lcd.c内容

修改touch.c内容
3.3. 引脚选择
该屏幕需要设置12个接口,具体接口说明见 各引脚说明。

3.4. 软件SPI移植
当前厂家源码使用的是软件SPI接口,SPI时序部分厂家已经完成,我们只需要将引脚和延时配置好即可。所以对应接入的屏幕引脚请按照你的需要。

软件SPI接线图
选择好引脚后,进入工程开始编写屏幕引脚初始化代码。
在lcd_init.h中添加LCD端口移植定义
//-----------------LCD端口移植---------------- #define RCC_LCD1_ENABLE() __RCC_GPIOA_CLK_ENABLE() #define RCC_LCD2_ENABLE() __RCC_GPIOB_CLK_ENABLE() #define LCD_SCLK_PORT CW_GPIOA #define LCD_SCLK_PIN GPIO_PIN_5 #define LCD_MOSI_PORT CW_GPIOA #define LCD_MOSI_PIN GPIO_PIN_7 #define LCD_RES_PORT CW_GPIOB #define LCD_RES_PIN GPIO_PIN_0 #define LCD_DC_PORT CW_GPIOB #define LCD_DC_PIN GPIO_PIN_1 #define LCD_BLK_PORT CW_GPIOA #define LCD_BLK_PIN GPIO_PIN_2 #define LCD_MISO_PORT CW_GPIOA #define LCD_MISO_PIN GPIO_PIN_6 #define LCD_CS1_PORT CW_GPIOA #define LCD_CS1_PIN GPIO_PIN_4 #define LCD_CS2_PORT CW_GPIOB #define LCD_CS2_PIN GPIO_PIN_9 #define LCD_PEN_PORT CW_GPIOB #define LCD_PEN_PIN GPIO_PIN_12
将lcd_init.c源代码中的void LCD_GPIO_Init(void)修改为如下代码。
void LCD_GPIO_Init(void)
{
GPIO_InitTypeDef GPIO_InitStruct; // GPIO初始化结构体
RCC_LCD1_ENABLE(); // 使能GPIO时钟1
RCC_LCD2_ENABLE(); // 使能GPIO时钟2
GPIO_InitStruct.Pins = LCD_SCLK_PIN| // GPIO引脚
LCD_MOSI_PIN|
LCD_BLK_PIN|
LCD_CS1_PIN;
GPIO_InitStruct.Mode = GPIO_MODE_OUTPUT_PP; // 推挽输出
GPIO_InitStruct.Speed = GPIO_SPEED_HIGH; // 输出速度高
GPIO_Init(LCD_SCLK_PORT, &GPIO_InitStruct); // 初始化
GPIO_InitStruct.Pins = LCD_RES_PIN|
LCD_DC_PIN|
LCD_CS2_PIN;
GPIO_Init(LCD_RES_PORT, &GPIO_InitStruct); // 初始化
GPIO_InitStruct.Pins = LCD_MISO_PIN; // GPIO引脚
GPIO_InitStruct.Mode = GPIO_MODE_INPUT_PULLUP; // 上拉输入
GPIO_Init(LCD_MISO_PORT, &GPIO_InitStruct); // 初始化
GPIO_InitStruct.Pins = LCD_PEN_PIN; // GPIO引脚
GPIO_InitStruct.Mode = GPIO_MODE_INPUT_PULLUP; // 上拉输入
GPIO_Init(LCD_PEN_PORT, &GPIO_InitStruct); // 初始化
}
将lcd_init.h中的 LCD端口定义 宏,修改为右图样式。
//-----------------LCD端口定义---------------- #define LCD_SCLK_Clr() GPIO_WritePin(LCD_SCLK_PORT, LCD_SCLK_PIN, GPIO_Pin_RESET)//SCL=SCLK #define LCD_SCLK_Set() GPIO_WritePin(LCD_SCLK_PORT, LCD_SCLK_PIN, GPIO_Pin_SET) #define LCD_MOSI_Clr() GPIO_WritePin(LCD_MOSI_PORT, LCD_MOSI_PIN, GPIO_Pin_RESET)//SDA=MOSI #define LCD_MOSI_Set() GPIO_WritePin(LCD_MOSI_PORT, LCD_MOSI_PIN, GPIO_Pin_SET) #define LCD_RES_Clr() GPIO_WritePin(LCD_RES_PORT, LCD_RES_PIN, GPIO_Pin_RESET)//RES #define LCD_RES_Set() GPIO_WritePin(LCD_RES_PORT, LCD_RES_PIN, GPIO_Pin_SET) #define LCD_DC_Clr() GPIO_WritePin(LCD_DC_PORT, LCD_DC_PIN, GPIO_Pin_RESET)//DC #define LCD_DC_Set() GPIO_WritePin(LCD_DC_PORT, LCD_DC_PIN, GPIO_Pin_SET) #define LCD_BLK_Clr() GPIO_WritePin(LCD_BLK_PORT, LCD_BLK_PIN, GPIO_Pin_RESET)//BLK #define LCD_BLK_Set() GPIO_WritePin(LCD_BLK_PORT, LCD_BLK_PIN, GPIO_Pin_SET) #define LCD_CS_Clr() GPIO_WritePin(LCD_CS1_PORT, LCD_CS1_PIN, GPIO_Pin_RESET)//CS1 #define LCD_CS_Set() GPIO_WritePin(LCD_CS1_PORT, LCD_CS1_PIN, GPIO_Pin_SET)

源端口定义

修改后端口定义
将lcd_init.h 处的触摸功能引脚位带操作宏进行修改
//电阻屏芯片连接引脚 #define TCLK(x) GPIO_WritePin(LCD_SCLK_PORT, LCD_SCLK_PIN, x?GPIO_Pin_SET:GPIO_Pin_RESET) // SCLK #define TDIN(x) GPIO_WritePin(LCD_MOSI_PORT, LCD_MOSI_PIN, x?GPIO_Pin_SET:GPIO_Pin_RESET) // MOSI #define DOUT GPIO_ReadPin(LCD_MISO_PORT, LCD_MISO_PIN) // MISO #define TCS(x) GPIO_WritePin(LCD_CS2_PORT, LCD_CS2_PIN, x?GPIO_Pin_SET:GPIO_Pin_RESET) // CS2 #define PEN GPIO_ReadPin(LCD_PEN_PORT, LCD_PEN_PIN) // PEN

修改前触摸功能引脚

修改后触摸功能引脚
然后我们打开 touch.c 文件 将文件中的下列形式的语句换成后面的语句:
TCLK = 1; -----换成-------> TCLK(1); TCLK = 0; -----换成-------> TCLK(0); TDIN = 1; -----换成-------> TDIN(1); TDIN = 0; -----换成-------> TDIN(0); TCS = 1; -----换成-------> TCS(1); TCS = 0; -----换成-------> TCS(0);

到这里软件SPI就移植完成了,请移步到第4节进行移植验证。
3.5. 硬件SPI移植
硬件SPI与软件SPI相比,硬件SPI是靠硬件上面的SPI控制器,所有的时钟边缘采样,时钟发生,还有时序控制,都是由硬件完成的。它降低了CPU的使用率,提高了运行速度。软件SPI就是用代码控制IO输出高低电平,模拟SPI的时序,这种方法通信速度较慢,且不可靠。
想要使用硬件SPI驱动屏幕,需要确定使用的引脚是否有SPI外设功能。可以通过数据手册进行查看。
数据手册和用户手册都在百度网盘资料,网盘地址看入门手册。
当前使用的是硬件SPI接口,而屏幕我们只需要控制它,而不需要读取屏幕的数据,故使用的是3线的SPI,只使用到了时钟线SCK、主机输出从机输入线MOSI和软件控制的片选线NSS。而NSS我们使用的是软件控制,所以除了SCL(SCK)/SDA(MOSI)引脚需要使用硬件SPI功能的引脚外,其他引脚都可以使用开发板上其他的GPIO。这里选择使用PA5/PA6/PA7的SPI复用功能。其他对应接入的屏幕引脚请按照你的需要。这里选择的引脚见表硬件SPI接线

有SPI功能的引脚

软件SPI接线图
选择好引脚后,进入工程开始编写屏幕引脚初始化代码。
在lcd_init.h中添加LCD端口移植定义
//-----------------LCD端口移植---------------- #define RCC_LCD1_ENABLE() __RCC_GPIOA_CLK_ENABLE() #define RCC_LCD2_ENABLE() __RCC_GPIOB_CLK_ENABLE() #define RCC_SPI1_ENABLE() __RCC_SPI1_CLK_ENABLE(); #define BSP_SPI1 CW_SPI1 //GPIO AF #define SPI1_AF_SCK() PA05_AFx_SPI1SCK() #define SPI1_AF_MOSI() PA07_AFx_SPI1MOSI() #define SPI1_AF_MISO() PA06_AFx_SPI1MISO() #define LCD_SCLK_PORT CW_GPIOA #define LCD_SCLK_PIN GPIO_PIN_5 #define LCD_MOSI_PORT CW_GPIOA #define LCD_MOSI_PIN GPIO_PIN_7 #define LCD_RES_PORT CW_GPIOB #define LCD_RES_PIN GPIO_PIN_0 #define LCD_DC_PORT CW_GPIOB #define LCD_DC_PIN GPIO_PIN_1 #define LCD_BLK_PORT CW_GPIOA #define LCD_BLK_PIN GPIO_PIN_2 #define LCD_MISO_PORT CW_GPIOA #define LCD_MISO_PIN GPIO_PIN_6 #define LCD_CS1_PORT CW_GPIOA #define LCD_CS1_PIN GPIO_PIN_4 #define LCD_CS2_PORT CW_GPIOB #define LCD_CS2_PIN GPIO_PIN_9 #define LCD_PEN_PORT CW_GPIOB #define LCD_PEN_PIN GPIO_PIN_12
将lcd_init.c源代码中的void LCD_GPIO_Init(void)修改为如下代码。
void LCD_GPIO_Init(void)
{
GPIO_InitTypeDef GPIO_InitStruct; // GPIO初始化结构体
RCC_LCD1_ENABLE(); // 使能GPIO时钟1
RCC_LCD2_ENABLE(); // 使能GPIO时钟2
RCC_SPI1_ENABLE(); // 使能SPI1时钟
// GPIO复用为SPI1
SPI1_AF_SCK();
SPI1_AF_MOSI();
SPI1_AF_MISO();
GPIO_InitStruct.Pins = LCD_SCLK_PIN| // GPIO引脚
LCD_MOSI_PIN|
LCD_BLK_PIN|
LCD_CS1_PIN;
GPIO_InitStruct.Mode = GPIO_MODE_OUTPUT_PP; // 推挽输出
GPIO_InitStruct.Speed = GPIO_SPEED_HIGH; // 输出速度高
GPIO_Init(LCD_SCLK_PORT, &GPIO_InitStruct); // 初始化
GPIO_InitStruct.Pins = LCD_RES_PIN|
LCD_DC_PIN|
LCD_CS2_PIN;
GPIO_Init(LCD_RES_PORT, &GPIO_InitStruct); // 初始化
GPIO_InitStruct.Pins = LCD_MISO_PIN; // GPIO引脚
GPIO_InitStruct.Mode = GPIO_MODE_INPUT_PULLUP; // 上拉输入
GPIO_Init(LCD_MISO_PORT, &GPIO_InitStruct); // 初始化
GPIO_InitStruct.Pins = LCD_PEN_PIN; // GPIO引脚
GPIO_InitStruct.Mode = GPIO_MODE_INPUT_PULLUP; // 上拉输入
GPIO_Init(LCD_PEN_PORT, &GPIO_InitStruct); // 初始化
SPI_InitTypeDef SPI_InitStructure; // SPI 初始化结构体
SPI_InitStructure.SPI_Direction = SPI_Direction_2Lines_FullDuplex; // 双线全双工
SPI_InitStructure.SPI_Mode = SPI_Mode_Master; // 主机模式
SPI_InitStructure.SPI_DataSize = SPI_DataSize_8b; // 帧数据长度为8bit
SPI_InitStructure.SPI_CPOL = SPI_CPOL_High; // 时钟空闲电平为高
SPI_InitStructure.SPI_CPHA = SPI_CPHA_2Edge; // 第二个边沿采样
SPI_InitStructure.SPI_NSS = SPI_NSS_Soft; // 片选信号由SSI寄存器控制
SPI_InitStructure.SPI_BaudRatePrescaler = SPI_BaudRatePrescaler_8; // 波特率为PCLK的8分频
SPI_InitStructure.SPI_FirstBit = SPI_FirstBit_MSB; // 最高有效位 MSB 收发在前
SPI_InitStructure.SPI_Speed = SPI_Speed_Low; // 低速SPI
SPI_Init(BSP_SPI1, &SPI_InitStructure); // 初始化
SPI_Cmd(BSP_SPI1, ENABLE); // 使能SPI1
}
将lcd_init.h中的 LCD端口定义 宏,修改为右图样式。
//-----------------LCD端口定义---------------- #define LCD_RES_Clr() GPIO_WritePin(LCD_RES_PORT, LCD_RES_PIN, GPIO_Pin_RESET)//RES #define LCD_RES_Set() GPIO_WritePin(LCD_RES_PORT, LCD_RES_PIN, GPIO_Pin_SET) #define LCD_DC_Clr() GPIO_WritePin(LCD_DC_PORT, LCD_DC_PIN, GPIO_Pin_RESET)//DC #define LCD_DC_Set() GPIO_WritePin(LCD_DC_PORT, LCD_DC_PIN, GPIO_Pin_SET) #define LCD_BLK_Clr() GPIO_WritePin(LCD_BLK_PORT, LCD_BLK_PIN, GPIO_Pin_RESET)//BLK #define LCD_BLK_Set() GPIO_WritePin(LCD_BLK_PORT, LCD_BLK_PIN, GPIO_Pin_SET) #define LCD_CS_Clr() GPIO_WritePin(LCD_CS1_PORT, LCD_CS1_PIN, GPIO_Pin_RESET)//CS1 #define LCD_CS_Set() GPIO_WritePin(LCD_CS1_PORT, LCD_CS1_PIN, GPIO_Pin_SET)

源端口定义

修改后端口定义
将lcd_init.h 处的触摸功能引脚位带操作宏进行修改
//电阻屏芯片连接引脚 #define TCLK(x) GPIO_WritePin(LCD_SCLK_PORT, LCD_SCLK_PIN, x?GPIO_Pin_SET:GPIO_Pin_RESET) // SCLK #define TDIN(x) GPIO_WritePin(LCD_MOSI_PORT, LCD_MOSI_PIN, x?GPIO_Pin_SET:GPIO_Pin_RESET) // MOSI #define DOUT GPIO_ReadPin(LCD_MISO_PORT, LCD_MISO_PIN) // MISO #define TCS(x) GPIO_WritePin(LCD_CS2_PORT, LCD_CS2_PIN, x?GPIO_Pin_SET:GPIO_Pin_RESET) // CS2 #define PEN GPIO_ReadPin(LCD_PEN_PORT, LCD_PEN_PIN) // PEN

修改前触摸功能引脚

修改后触摸功能引脚
然后我们打开 touch.c 文件 将文件中的下列形式的语句换成后面的语句:
TCLK = 1; -----换成-------> TCLK(1); TCLK = 0; -----换成-------> TCLK(0); TDIN = 1; -----换成-------> TDIN(1); TDIN = 0; -----换成-------> TDIN(0); TCS = 1; -----换成-------> TCS(1); TCS = 0; -----换成-------> TCS(0);

初始化部分完完成,还需要修改发送数据部分。源代码中使用的是软件SPI,时序是由厂家编写完成的。我们使用硬件SPI则需要对其进行修改。
在lcd_init.c文件中,将源代码的void LCD_Writ_Bus(u8 dat) 函数修改为右图样式。

源代码格式

修改后的代码
/******************************************************************************
函数说明:LCD串行数据写入函数
入口数据:dat 要写入的串行数据
返回值: 无
******************************************************************************/
void LCD_Writ_Bus(u8 dat)
{
LCD_CS_Clr();
while (SPI_GetFlagStatus(BSP_SPI1, SPI_FLAG_TXE) == RESET);
SPI_SendData(BSP_SPI1, dat); // 发送数据
while (SPI_GetFlagStatus(BSP_SPI1, SPI_FLAG_RXNE) == RESET);
uint16_t temp = SPI_ReceiveData(BSP_SPI1); // 返回数据
LCD_CS_Set();
}
将touch.c文件中的 void TP_Write_Byte(u8 num) 函数修改为右图样式。
u16 TP_Write_Byte(u8 num)
{
while (SPI_GetFlagStatus(BSP_SPI1, SPI_FLAG_TXE) == RESET);
SPI_SendData(BSP_SPI1, num); // 发送数据
while (SPI_GetFlagStatus(BSP_SPI1, SPI_FLAG_RXNE) == RESET);
uint16_t temp = SPI_ReceiveData(BSP_SPI1); // 返回数据
return temp;
}

函数修改前

函数修改后
这里因为 TP_Write_Byte(u8 num) 函数增加了返回类型为u16的返回值,故touch.h处关于TP_Write_Byte(u8 num) 的定义也要改为返回u16类型的返回值。

再将touch.c文件中的 u16 TP_Read_AD(u8 CMD) 函数修改为右图样式。
u16 TP_Read_AD(u8 CMD)
{
u8 count = 0;
u16 Num=0;
TCS(0); //选中触摸屏IC
TP_Write_Byte(CMD);//发送命令字
Num=TP_Write_Byte(0xff)< <8;
Num |= TP_Write_Byte(0xff);
Num=Num >>4;
TCS(1); //释放片选
return(Num);
}

函数修改前

函数修改后
到这里硬件SPI就移植完成了,请移步到第4节进行移植验证。
四. 移植验证
验证之前,我们要给屏幕进行校准,出厂自带的参数不建议使用。
打开 touch.h 文件,找到 Adujust 的宏定义 将后面的 1 修改为 0 ;

在main.c中输入代码如下
/*
* Change Logs:
* Date Author Notes
* 2024-06-18 LCKFB-LP first version
*/
#include "board.h"
#include "stdio.h"
#include "bsp_uart.h"
#include "lcd.h"
#include "lcd_init.h"
#include "touch.h"
#include "pic.h"
int32_t main(void)
{
board_init(); // 开发板初始化
uart1_init(115200); // 串口1波特率115200
float t=0;
u16 lastpos[2];//最后一次的数据
LCD_Init();//LCD初始化
LCD_Fill(0,0,LCD_W,LCD_H,WHITE);
lastpos[0]=0XFFFF;
LCD_ShowString(24,30,(uint8_t *)"LCD_W:",RED,WHITE,16,0);
LCD_ShowIntNum(72,30,LCD_W,3,RED,WHITE,16);
LCD_ShowString(24,50,(uint8_t *)"LCD_H:",RED,WHITE,16,0);
LCD_ShowIntNum(72,50,LCD_H,3,RED,WHITE,16);
LCD_ShowFloatNum1(20,80,t,4,RED,WHITE,16);
t+=0.11;
LCD_ShowPicture(65,80,40,40,gImage_1);
delay_1ms(1000);
LCD_Fill(0,0,LCD_W,LCD_H,WHITE);
TP_Init();
LCD_ShowString(10,LCD_H-40,(uint8_t *)"X:",RED,WHITE,16,0);
LCD_ShowIntNum(26,LCD_H-40,0,3,RED,WHITE,16);
LCD_ShowString(10,LCD_H-20,(uint8_t *)"Y:",RED,WHITE,16,0);
LCD_ShowIntNum(26,LCD_H-20,0,3,RED,WHITE,16);
while(1)
{
tp_dev.scan(0);//扫描
if(tp_dev.sta&TP_PRES_DOWN)//有按键被按下
{
delay_1ms(1);//必要的延时,否则老认为有按键按下.
if((tp_dev.x[0]< (LCD_W-1)&&tp_dev.x[0] >=1)&&(tp_dev.y[0]< (LCD_H-1)&&tp_dev.y[0] >=1))
{
if(lastpos[0]==0XFFFF)
{
lastpos[0]=tp_dev.x[0];
lastpos[1]=tp_dev.y[0];
}
//给触摸过的地方画线
LCD_DrawRoughLine(lastpos[0],lastpos[1],tp_dev.x[0],tp_dev.y[0],BLUE);
lastpos[0]=tp_dev.x[0];
lastpos[1]=tp_dev.y[0];
//显示当前触摸位置的X轴坐标
LCD_ShowString(10,LCD_H-40,(uint8_t *)"X:",RED,WHITE,16,0);
LCD_ShowIntNum(26,LCD_H-40,tp_dev.x[0],3,RED,WHITE,16);
//显示当前触摸位置的Y轴坐标
LCD_ShowString(10,LCD_H-20,(uint8_t *)"Y:",RED,WHITE,16,0);
LCD_ShowIntNum(26,LCD_H-20,tp_dev.y[0],3,RED,WHITE,16);
}
}
}
}
上电效果:

移植成功案例代码(软件和硬件SPI):
链接:https://pan.baidu.com/s/1kL-vn0npgbR3XT2RXqHO4A?pwd=LCKF 提取码:LCKF