时间:2025-03-12 14:09
人气:
作者:admin
STM32最小系统板电路知识学习
单片机最小系统是指用最少的电路组成单片机可以工作的系统,通常最小系统包含:电源电路、时钟电路、复位电路、调试/下载电路,对于STM32还需要启动选择电路。总之,刚开始如果不太懂电路的话,就抄别人的电路,然后自己拼凑。下图为stm32c8t6经典电路原理图
文章目录
提示:以下是本篇文章正文内容,下面案例可供参考
一、电源转换电路
开发板通常采用USB供电,通常USB都为5V,因此需要将5V转换成3.3V,使用TPS73633或者AMS1117芯片电源芯片即可实现。
首先设计电源入口部分,现在大多数开发板所使用的都是USB的5V供电,所以我们本次设计也采用USB接口供电,所以我们电源接口就采用5Pin的mini贴片的USB,将5V的电源引入开发板使用,其电路图如下,1脚为电源正极,5脚为负极,串接的二极管是为了保护我们的开发板,防止有个别的连接线极性不对烧坏板子,保护电路在我们设计任何电路时都要考虑到,这个大家以后自己设计时也要注意。这样我们就可以通过连接线将5V的USB电源引入到开发板中进行使用了。

接下来便是电源电路,STM32工作电压是DC3.3V,所以我们需要一个能将大于3.3V电压转换为稳定的3.3V电压的芯片,这里我们使用的是TPS73633或者AMS1117芯片电源芯片即可实现。
下图为TPS73633芯片的相关说明,TPS73633DBVR是一款3.3V固定输出低压降(LDO)线性稳压器,采用了一种新的拓扑-电压跟随器配置中的NMOS调整元件。使用具有低ESR的输出电容器,这种拓扑是稳定的,甚至可以在没有电容器的情况下运行。它还提供高反向阻塞(低反向电流)和接地引脚电流,该电流在所有输出电流值上都几乎恒定。该器件使用先进的BiCMOS工艺来产生高精度,同时提供非常低压降(LDO)的电压和低接地引脚电流。未启用时,电流消耗低于1uA,非常适合便携式应用。极低的输出噪声非常适合为VCO供电。该器件受热关断和折返电流限制保护。

二、JTAG/SWD调试接口电路
JTAG/SWD调试接口电路采用了标准的JTAG接法,这种接法兼容SWD接口,因为SWD只需要四根线(SWCLK、SWDIO、VCC和GND)。需要注意的是,该接口电路为JLINK或ST-Link提供3.3V的电源,因此,不能通过JLINK或ST-Link对STM32核心板进行供电,而是STM32核心板为JLINK或ST-Link供电。JLINK和ST-Link不仅可以下载程序,还可以对STM32微控制器进行在线调试。

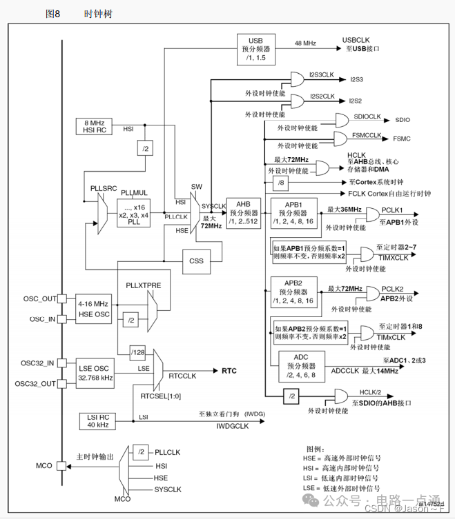
三、时钟电路
MCU是一个集成芯片,由非常复杂的数字电路和其它电路组成,需要稳定的时钟脉冲信号才能保证正常工作。时钟如同人体内部的心脏一样,是芯片的“动力”来源。时钟产生一次,就推动处理器执行一下指令。除了CPU,芯片上所有的外设(GPIO、I2C、SPI等)都需要时钟,由此可见时钟的重要性。芯片运行的时钟频率越高,芯片处理的速度越快,但同时功耗也越高。为了功耗和性能兼顾,微处理器一般有多个时钟源,同时还将时钟分频为多个大小,适配不同需求的外设。下图为stm32的时钟树

这里我们将两个晶振电路,电源,以及各引脚的网络符号对应连接好即可,除去晶振和电源,其余的标号都是连接在我们引出的排针上边的,晶振电路这里包含了一个8MHz的主晶振,以及一个32.768kHz的内部RTC实时时钟晶振,这里时钟晶振作为预留,如果有用到时钟的小伙伴直接焊接上即可,方便使用,每个晶振后边并联的为起振电容,方便晶振起振,电源部分的电容C3-C7组成了一个低通滤波电路,目的是为了让32更好的工作
四、复位电路
嵌入式系统中,由于外界环境干扰,难免出现程序跑飞或死机,这时就需要复位让MCU重新运行。该电路将一个按键接在了NRST引脚,一旦按键按下,NRST就会接地,拉低NRST,实现复位。
原文链接:https://blog.csdn.net/qq_59134387/article/details/127071871