时间:2025-02-14 13:39
人气:
作者:admin
旋转变压器sensor广泛应用在电机系统中。本篇介绍瑞萨针对旋转变压器sensor的电机控制方案。
旋转变压器sensor的电磁理论基础同普通变压器基本相似。请看下图示例:

主要由励磁绕组,正弦绕组和余弦绕组构成。正、余弦绕组根据极对数设计,交替绕制。励磁绕组相当于变压器的原边,通过激励电压产生交变磁场,正、余弦绕组相当于变压器的副边,产生感应电压。当转子旋转时,转子凸起部引起副边磁通量发生周期性变化,副边绕组将产生与转子位置变化有关的电压脉冲信号。解析这组脉冲信号,可以获得转子的位置信息。
通过上面原理的讲解可以看到,旋转变压器sensor在电机旋转过程中,交变的电磁信号可根据位置信息同步高速变化,为电机控制提供高精度的位置信息。其结构主要由绕线和硅钢等实现,所以比起其他的sensor,具有高可靠性,耐高低温,防水防尘,抗震动,抗强电磁干扰,低成本等优点。
但是旋转变压器sensor输出的电压信号类似鱼尾纹,如果直接由MCU接收后解析,将占用MCU很大的负荷。所以行业内普遍的方案是,增加一个专门解析旋变信号的IDC,接收旋变正、余弦绕组输出信号后,解析位置信号,再输出给MCU,以提高系统效率。
控制系统总体设计原理,如下框图所示:

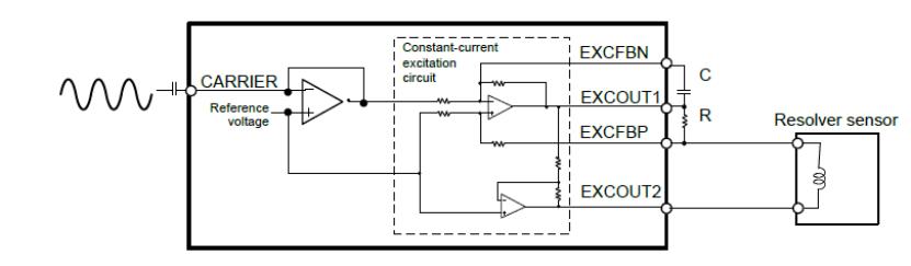
RX MCU发出两路相位相差60度的方波,经过整流电路转化为正弦激励信号,输入到IDC激励引脚CARRIER。


RDC内部电路处理后,生成激励信号输入到resolver励磁绕组。


当转子旋转时,正、余弦绕组绕组将产生与转子位置变化有关的电压脉冲信号。可将此两组信号的正负相,分别输入到IDC的XA(B)P(N)引脚。

将两组电压脉冲信号输入到IDC后,经过IDC的解析,会输出带有位置结果信息的方波给到MCU。MCU仅需检测新方波信号的相移,即可获得位置结果。大大提高了系统的运行效率。

特别的,瑞萨IDC内部有放大、滤波和矫正电路,可以实时对信号进行补偿,可以大大提高信号的可靠性。经内部测试,应用瑞萨IDC可降低角度转化误差在±0.2度以内。

针对不同的使用场景,瑞萨提供两个具体方案。
一个是resolver+stepping_motor样例工程,也就是对应本体为步进电机,应用旋转变压器sensor的场景。
一个是resolver+BLDC样例工程,也就是对应本体为BLDC电机,应用旋转变压器sensor的场景。
样例工程可在瑞萨发布的样件上运行,可供客户熟悉芯片性能、软件工程和在此基础上拓展开发。
针对不同的应用场景,可选用型号为RTK0EMX270S01020BJ(RX Evaluation System for Stepping Motor with Resolver),对应resolver+stepping_motor方案开发,或者选用型号为RTK0EMX270S00020BJ(用于BLDC电机的RX评估系统),对应BLDC方案开发。
样件购买可登录瑞萨官方网站,或咨询当地代理商。
本文介绍了,瑞萨针对旋转变压器sensor,这种应用场景的解决方案。包括旋转变压器sensor的一般应用原理,瑞萨MCU方案的系统结构,对应原理,样例代码位置。方便客户快速导入并应用于系统工程的建立。
下一篇:芯科科技全新MCU选型指南