时间:2024-11-28 11:10
人气:
作者:admin
本方案采用武汉芯源的CW32L010F8P6作为主控实现低成本电动工具方案,通过PWM方波控制算法进行电机转速控制,内部高精度AD转换实现电机电压、反电动势、电流等信号的采样,并实时进行故障停机保护等功能。


一、CW32L010单片机特点
内核:ARM® Cortex®-M0+: 最高主频 48MHz
● 工作温度:-40℃ 至 85℃;工作电压:1.62V 至 5.5V
● 存储容量
‒ 最大 64K 字节 FLASH,数据保持 25 年 @-40℃ ~ +85℃,支持擦写保护、读保护和安全运行库保护功能
‒ 最大 4K 字节 RAM,支持硬件奇偶校验
‒ 22 字节 OTP 存储器
● CRC 硬件计算单元
● 复位和电源管理
‒ 低功耗模式(Sleep,DeepSleep)
‒ 上电和掉电复位(POR/BOR)
‒ 可编程低电压检测器(LVD)
● 时钟管理
‒ 4 ~ 32MHz 晶体振荡器
‒ 32kHz 低速晶体振荡器
‒ 内置 48MHz RC 振荡器
‒ 内置 32kHz RC 振荡器
‒ 时钟监测系统
‒ 允许独立关断各外设时钟
● 支持最多 16+1 路 I/O 接口
‒ 所有 I/O 口支持具备滤波的中断功能
‒ 所有 I/O 口支持具备滤波的唤醒功能
‒ 所有 I/O 口支持迟滞及上拉输入
‒ 所有 I/O 口支持推挽及开漏输出
● 12 位模数转换器
‒ 最高 2M SPS 转换速度,各序列通道采样时间可单独配置
‒ 具备 8 个转换结果寄存器
‒ 内置 1.2V 电压基准
‒ 模拟看门狗功能
‒ 内置温度传感器
● 双路电压比较器
● 实时时钟和日历
● 定时器
‒ 16 位高级控制定时器,支持 6 路输入捕获,支持 6 对带死区的互补 PWM 输出,支持双点比较,支持PWM 移相
‒ 一组 16 位通用定时器
‒ 三组 16 位基本定时器
‒ 一组 16 位低功耗定时器
‒ 独立看门狗定时器
● 通信接口
‒ 二路低功耗 UART,支持小数波特率,支持低功耗接收数据,支持可配置电平转换,其中一路支持
LIN 通信接口
‒ 一路 SPI 接口 24Mbit/s,支持 4~16bit 位宽
‒ 一路 I2C 接口 1Mbit/s,支持可配置电平转换,支持 SMBUS
‒ IR 调制器,可编程占空比和极性
● 串行调试接口 (SWD)
● 80 位唯一 ID
二、方案组成框图

该方案使用AD软件比较过零点方式进行电机换相控制。采用无感快速启动算法,具有正反转控制、调速控制、各种故障保护等功能。
三、方案支持参数

供电:锂电池供电,额定工作电压20V,额定功率500W
功耗:电源自关断技术、待机功率接近零
空载转速:25000RPM
多种保护方式:过压、欠压、过流、堵转等保护方式。
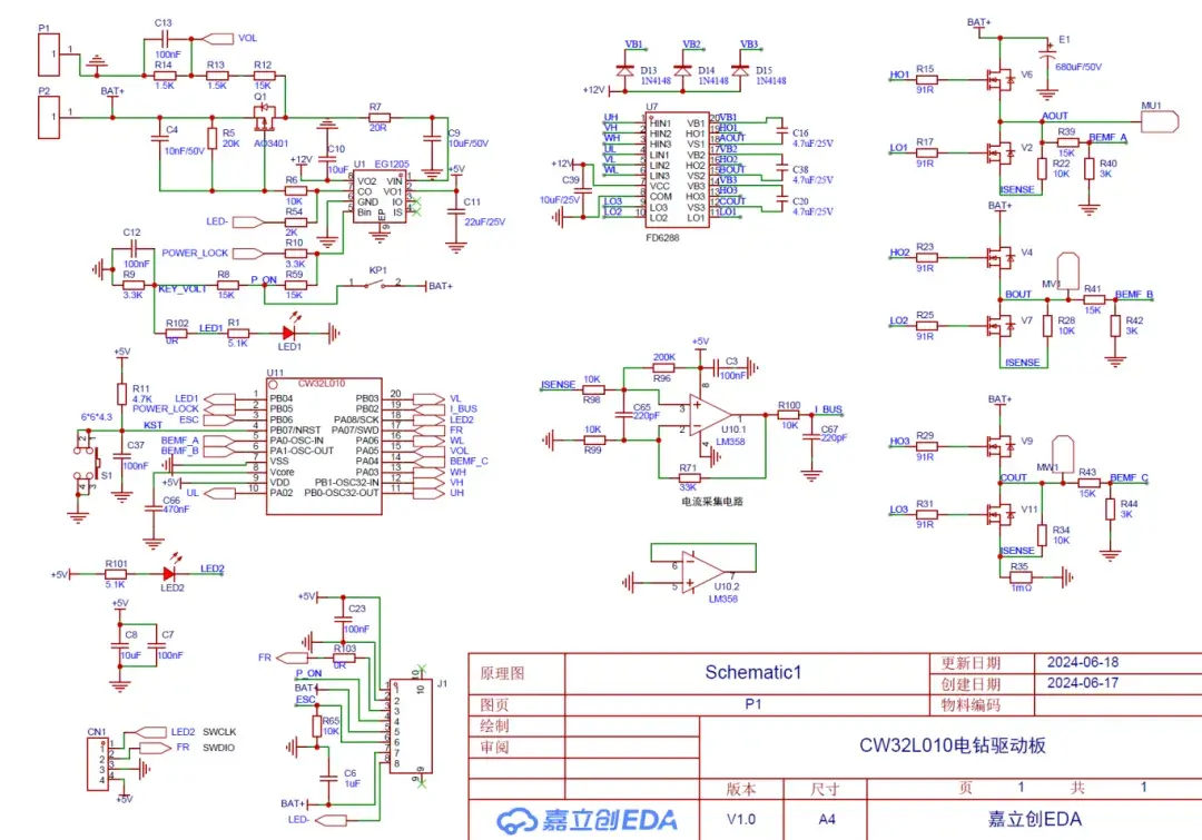
四、完整原理图

五、相关视频讲解机资料链接
例程图纸链接:通过网盘分享的文件:CW32L010方波电动工具开源例程及图纸.rar链接: https://pan.baidu.com/s/155bi-AvbCGldcA9mSlytHg 提取码: s2w3本方案开源。有兴趣了解的朋友请参考相关文档资料视频,如有疑问可联系CW32生态社区。
视频链接:
CW32L010电动工具:1.成品演示_哔哩哔哩_bilibiliwww.bilibili.com/video/BV1w3x1eWETx/
CW32L010电动工具:2.硬件讲解_哔哩哔哩_bilibiliwww.bilibili.com/video/BV1NKx1eoEAm/
CW32L010电动工具:3.软件讲解(1)_哔哩哔哩_bilibiliwww.bilibili.com/video/BV1spm5Y3ENa/
CW32L010电动工具:4.软件讲解(2)_哔哩哔哩_bilibiliwww.bilibili.com/video/BV1Nx2dY4Eeb/
CW32L010电动工具:5.软件讲解(3)_哔哩哔哩_bilibiliwww.bilibili.com/video/BV12Vy5YiEPY/
CW32L010电动工具:6.软件讲解(4)_哔哩哔哩_bilibiliwww.bilibili.com/video/BV15ZyfY5Epv/