时间:2024-07-29 14:20
人气:
作者:admin
EZ-CUBE3用户手册目录
设置
1.设置
1.1 软件安装
要使用EZ-CUBE3,请从以下网址下载最新版本的集成开发环境(CS+、e2studio)或Flash Programmer软件并进行安装。
EZ-CUBE3(CYRCNEZCUBE03)是具有Flash存储器编程功能的片上调试仿真器,可以用于调试MCU程序或将程序烧写到MCU的内置Flash中。
EZ-CUBE3支持RA、RL78和RX产品家族MCU
• 可以调试RL78、RX和RA MCU,支持Trustzone自动边界设置。
•配合Renesas Flash Programmer软件(RFP)实现MCU的Flash烧录和DLM配置。
•提供USB转UART功能。
•可以为目标板供电,或由目标板供电实现宽电压系统的调试。
软件安装的最低版本要求如下所示:
•Renesas CS+ for CC (Version: 8.01.00)
•Renesas e² studio (Version: 7.8.0)
•Renesas Flash Programmer (Version: 3.08)
如果希望继续使用老版本的开发环境,请与瑞萨或者代理商联系。
1.2 EZ-CUBE3和用户目标板的连接
请按照以下步骤使用用户目标板接口电缆将EZ-CUBE3连接到用户目标板。此外,在设备移动过程中,请将EZ-CUBE3和用户目标板进行分离,拆开的情况下,请按照同样的步骤进行连接。
(1)将目标板接口电缆连接到EZ-CUBE3用户侧的接口。将用户目标板接口电缆连接到EZ-CUBE3时,请检查防误插头的位置并进行连接。

图1.1 EZ-CUBE3和用户系统的连接
关于连接器插拔的注意事项:
连接/断开用户目标板接口电缆与仿真器的连接时,请务必抓住电缆末端的连接器插入/拔出。请勿握住连接器的电缆部分进行连接/断开,否则可能导致电缆断裂。
此外,用户电路板接口电缆具有方向。请注意,如果插入方向不正确,可能会出现故障。
(2)将连接用户目标板电缆的仿真器接口安装在用户目标板上。
(3)关于接口的引脚排列,请参阅“2.如何在RL78微控制器上使用EZ-CUBE3”、“3.如何在RX微控制器上使用EZ-CUBE3”、“4.如何在RA微控制器上使用EZ-CUBE3”、“5.如何作为USB-UART转换器使用”。(后续会更新相关内容)
(4)使用用户目标板接口电缆将EZ-CUBE3连接到安装在用户目标板上的仿真器接口。表1.1 显示了如何将EZ-CUBE3连接到仿真器接口。

表1.1 EZ-CUBE3中14引脚接口的用户目标板 接口电缆的连接方法
每根连接线上都有标号,请根据使用情况进行连接。如果插错,可能会出现故障。
注意:EZ-CUBE3不支持热插拔、关机仿真和电池备份仿真。
1.3 供电模式的选择
1.3.1 使用仿真器的电源为用户目标板供电时
[开始使用时]
(1)根据“2.2EZ-CUBE3和用户目标板的连接”连接用户目标板,使用用户目标板接口电缆连接仿真器和用户目标板。
(2)通过EZ-CUBE3上面的拨动开关,选择目标板供电模式和调试模式。此时,目标板供电模式选择开关(SW1)只能选择“5V供电输出”或者“3.3V供电输出”。
(3)使用USB接口数据线连接仿真器和PC。

(4)启动仿真器调试器或编程软件。
(5)从仿真器调试器或编程软件连接到EZ-CUBE3,连接方法取决于软件。
[使用结束时]
(1)断开EZ-CUBE3与仿真调试器或编程软件的连接,断开方法因软件而异。
(2)终止仿真器调试器或编程软件,退出仿真器调试器或编程软件。
(3)从仿真器上拔下USB接口数据线。
(4)从用户系统中拔下用户目标板连接电缆。
1.3.2 用户目标板自供电时
[开始使用时]
(1)确认电源关闭,确保关闭用户目标板的电源。
(2)用户目标板连接,根据“2.2EZ-CUBE3和用户目标板的连接”,用户可以使用接口电缆仿真器和用户目标板。
(3)通过EZ-CUBE3上面的拨动开关,选择目标板供电模式和调试模式。此时,目标板供电模式选择开关(SW1)只能选择“目标板自供电”。
(4)连接到PC,根据“2.4PC和EZ-CUBE3的连接”,使用USB接口数据线连接仿真器和PC。

(5)启动仿真器调试器或编程软件
(6)打开用户目标板电源
(7)从仿真器调试器或编程软件连接到EZ-CUBE3,连接方法取决于软件。
[使用结束]
(1)断开EZ-CUBE3与仿真调试器或编程软件的连接,断开方法因软件而异。
(2)终止仿真调试器或编程软件,请关闭仿真调试器或编程软件。
(3)用户目标板断电,关闭用户目标板的电源。
(4)从仿真器上拔下USB接口数据线。
(5)从用户目标板上拔下用户目标板连接电缆
1.4 PC和EZ-CUBE3的连接
使用随产品提供的USB接口数据线连接EZ-CUBE3和PC,如图1.2所示。

图1.2 EZ-CUBE3和主机的连接
关于用户目标板的电源:
在用户目标板电源打开时,请勿关闭PC电源或断开USB接口数据线。由于漏电流等原因,用户目标板可能会发生故障。
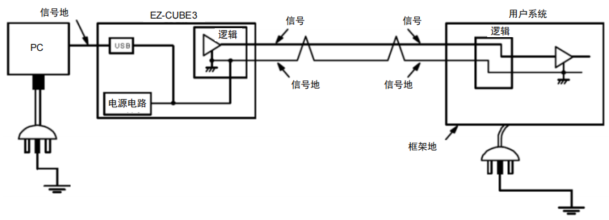
1.5 连接系统地
仿真器的信号地连接到用户目标板的信号地。在仿真器内部,信号接地和框架接地连接在一起。
在用户目标板中,不要连接信号接地和框架接地,而只接框架接地(图1.3)。
如果难以在用户系统内分离框架接地和信号接地,则使PC 的DC电源输入(AC适配器)的GND电位与用户目标板的框架接地相同。如果PC的GND与用户目标板之间存在电位差,则过电流将以低阻抗流过GND线,并且存在烧毁细线的风险。
关于系统接地:
务必将框架接地与用户目标板上的信号接地分开。在框架地和信号地连接的情况下,如果仿真器的接口和地存在电位差异,则有可能存在冒烟、着火和触电的危险。

图1.3 连接系统地