时间:2024-08-01 16:01
人气:
作者:admin
2.如何在RL78微控制器上使用EZ-CUBE3
本章描述了如何使用EZ-CUBE3在RL78微控制器上进行片上调试和Flash编程。
片上调试是指通过芯片内置的调试功能对已经装载在目标系统上的微控制器进行调试的方法。由于这种调试方法是对板上的目标设备进行操作的,所以非常适合现场调试。
Flash编程是将程序写入设备内置的Flash存储器的方法。可以在板上对设备进行擦除、写入和校验。
如果首次用RL78微控制器作为目标设备来使用EZ-CUBE3,那么请仔细阅读以下内容。
2.1目标系统设计
要用EZ-CUBE3和目标系统进行通信,必须在目标系统上安装对应的通信电路。本节描述了相关电路的设计以及接口的安装。
2.2片上调试
本节描述了用EZ-CUBE3进行片上调试的系统配置和启动方法。
2.3Flash编程
本节描述了用EZ-CUBE3进行Flash编程的系统配置和启动方法。
支持RL78 MCU列表
支持TOOL0单线调试的RL78 MCU(RL78/G10、RL78/G1M、RL78/G1N除外),最新的支持产品型号,请参阅EZ-CUBE3网页上的信息。
2.1目标系统设计
为了实现片上调试和Flash编程功能,需要设计目标系统的电路,本节描述了相关的电路设计。
图2.1为EZ-CUBE3通信的整体接口框图。如图所示,EZ-CUBE3与目标系统的目标设备之间进行串行通讯。
为了实现通讯,目标系统上必须安装用于通信的电路。请参考本节的内容设计合适的电路。
这里用于串行通信的引脚基本上和使用Flash编程器(例如EZ-CUBE3)时使用的串行通信引脚相同,但是有一些设备并不支持这些引脚。

图2.1通信接口概述
EZ-CUBE3开关设置RL78,调试模式选择开关(SW2):请选择“RL78和RA”。
2.1.1引脚配置
本节将说明EZ-CUBE3和目标系统之间使用的接口信号。表2.1中列出了引脚的使用情况。图2.2说明了14引脚接口中引脚的序号和排列。

表2.1引脚的使用情况(RL78)

图2.214引脚接口中引脚的序号和排列(EZ-CUBE3侧视图)
2.1.2电路连接举例
目标系统上的电路设计会根据接口信号而有所不同。接口的引脚名称可能会因目标设备有所不同。详细信息请参考目标设备的用户手册。参照图2.3~图2.5和相关的电路连接示例。
注意事项:在电路连接示例中出现的常数值为参考值。如果进行Flash编程旨在量产,请彻底评估目标设备的规格是否满足要求。

图2.3RL78族MCU通用接口电路
注1:推荐使用图中所示的电路和电阻值,但不能保证,建议通过考虑目标器件的规格和噪声来确定电路设计和电阻值。对于批量生产的闪存编程,请对是否满足目标器件的规格进行充分的评估。
注2:有关如何处理RESET#引脚的详细信息,请参见“2.1.3RESET引脚的连接”。
注3:RESET_IN引脚仅用于调试。无论此引脚是否连接,仿真器都可通过编程软件进行闪存编程。
注4:TOOL0引脚的驱动电源因器件而异。请参阅设备的用户手册。

图2.4RL78/G11系列和RL78/G12系列(20/24引脚版)MCU接口电路
注1:推荐使用列出的电路和电阻值,但不能保证,建议通过考虑目标器件的规格和噪声来确定电路设计和电阻值。对于批量生产的闪存编程,请对是否满足目标器件的规格进行充分的评估。
注2:RESET#引脚的推荐电路根据是否使用多路复用功能而有所不同。有关如何处理RESET#引脚的详细信息,另请参见“2.1.3RESET引脚的连接”。
注3:RESET_IN和RSTPU引脚仅用于调试。无论此引脚是否连接,仿真器都可通过编程软件进行闪存编程。
注4:务必将引脚2、引脚12和引脚14连接到用户系统的GND。这些引脚用于电气接地以及通过EZ-CUBE3监控与用户系统的连接。

图2.5RL78/I1C系列MCU接口电路
注1:推荐使用图示的电路和电阻值,但不能保证,建议通过考虑目标器件的规格和噪声来确定电路设计和电阻值。对于批量生产的闪存编程,请对是否满足目标器件的规格进行充分的评估。
注2:有关如何处理RESET#引脚的详细信息,另请参见“2.1.3RESET引脚的连接”。
注3:RESET_IN和RSTPU仅用于调试。无论此引脚是否连接,仿真器都可通过编程软件进行闪存编程。
注4:务必将引脚2、引脚12和引脚14连接到用户系统的GND。这些引脚用于电气接地以及通过EZ-CUBE3监控与用户系统的连接。
注5:EZ-CUBE3仅支持单电源。如果所使用的目标MCU需要EZ-CUBE3的两个或多个电源,请使用与VDD电压相同的VDD以外的电源,例如EVDD。
2.1.3RESET引脚的连接
本节描述了电路中RESET引脚的连接,此处必须特别注意,电路连接示例见前面的章节。
片上调试时,来自目标系统的RESET信号输入EZ-CUBE3,被屏蔽后,再输出到目标设备。于是RESET信号的连接根据是否连接EZ-CUBE3而有所不同。
Flash编程时,电路的设计必须保证目标系统的RESET信号和EZ-CUBE3的RESET信号不冲突。
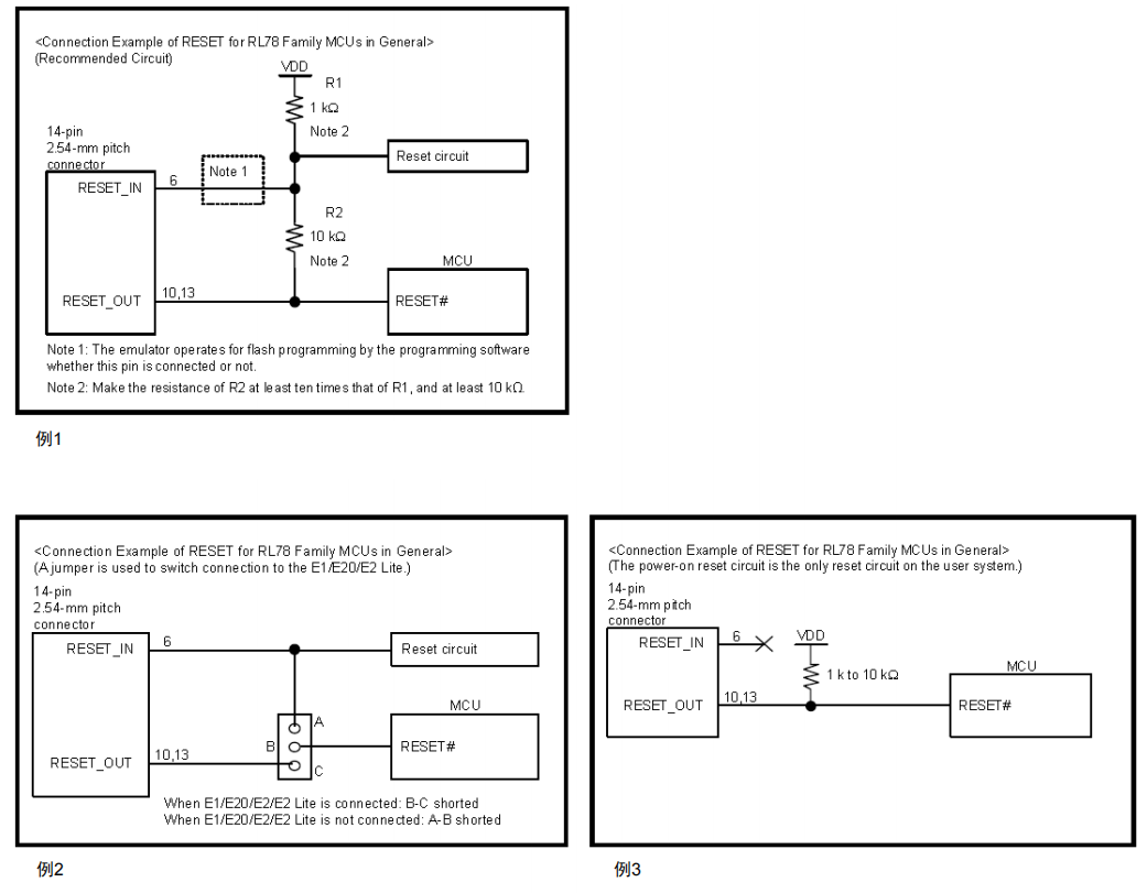
推荐通过电阻自动切换RESET信号。图2.6~图2.7说明了“2.1.2电路连接举例”中描述的RESET引脚连接情况。
这种连接的设计是假定目标系统的复位电路包含有N沟道开漏缓冲器(输出阻抗:100欧姆或更小)。当EZ-CUBE3的RESET_IN/OUT逻辑反转时,VDD或GND的电平可能会不稳定,所以请注意备注中所描述的条件。

图2.6 RL78族MCU通用复位电路的连接

图2.7 RL78/G11系列、RL78/I1C系列和RL78/G12系列(20/24引脚版)MCU复位电路的连接
2.1.4连接时的注意事项
(1)关于VDD
将目标系统的VDD(电源)连接到仿真器连接器的VDD。
在电源电压为2.7V至5.5V的MCU的工作电压范围内使用仿真调试器。
EZ-CUBE3最多可提供200mA电流,EZ-CUBE3并不检测目标系统的供电电压,请确保目标系统的供电状态跟拨动开关对应。
(2)关于GND
连接器的GND必须和MCU的VSS引脚的GND相同。
(3)在EZ-CUBE3中,电源打开后,复位输出处于Hi-Z状态约20ms。在这段时间内,用户系统上的复位若被上拉,将导致从复位状态释放。
(4)对于RL78/G11或RL78/G12产品,禁止通过选项字节将具有多路复用引脚功能的RESET引脚设置为端口引脚。如果将这些引脚错误地设置为端口引脚,则无法将EZ-CUBE3置于OCD模式。通过以下步骤将多路复用引脚修改为RESET引脚。
(a)手动将用户系统上的RESET开关维持在低电平,通过USB接口数据线将EZ-CUBE3与主机连接,并接通电源。
(b)在启动调试程序之前释放RESET开关,由于选项字节的设置,多路复用引脚将被设置为RESET引脚。
注意电源开/关:
在提供电源时,必须确认用户系统的电源电路没有短路。必须在确认仿真器连接器的引脚排列没有问题后连接EZ-CUBE3。如果发生错误连接,主机、仿真器和用户系统就可能冒烟起火。