时间:2024-08-22 09:40
人气:
作者:admin
随着全球对可再生能源和环保技术的需求日益增长,热泵技术被应用于建筑供暖制冷、工业应用、热水供应等等众多领域。晶哲科技推出的单系统8~65KW低温热泵解决方案以其高效、环保的特性,正逐渐被市场认可。
方案性能介绍
GD32F303性能参数
■Cortex-M4 @120MHz主频,150DMIPS的处理性能
■Flash: 128KB~3072KB
■SRAM: 32KB~96KB
■供电电压: 2.6V~3.6V
■3个12-bit ADC @2.6Msps, 21通道
■1个24-bit SysTick timer系统节拍定时器, 高达4个通用16位定时器, 2个基本定时器和2个增强型定时器
■多种串行通讯方式: I2C x2, SPI x3, USART+UART x5
■丰富的封装类型: LQFP48/LQFP64/LQFP100/LQFP144
■单周期硬件乘法器、硬件除法器、硬件分频器、嵌套向量中断控制器(NVIC)等独立资源
■Floating Point Unit浮点运算单元
■工业级温度范围: -40℃~85 ℃
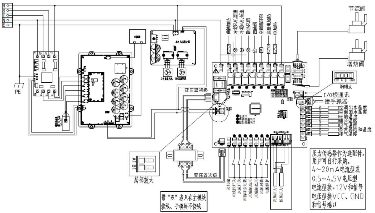
系统控制板
■主动寻址组网功能: 最多支持8模块组网,通过RS485简单连线实现就地组网,并上电自识别
■系统自动均衡运转时长,确保系统可靠性: 压缩机均衡频率控制,平衡压缩机载荷;多模块系统优先运转,系统平均运行时长
■可选化霜模式: 停机化霜与非停机化霜;一键强制化霜
■冬季防冻功能,保证系统可靠性
■支持普通压缩机,EVI压缩机应用
■支持AC风机和DC风机可选
■智能累计运行时长设定,售后便捷
■集成电源检测保护功能: 相序、缺相
■联动控制,与末端或楼宇自控结合
■定时定温开关机功能,节能,舒适,高效

压缩机驱动器
■高可靠性: 先进的三相不平衡检测;压缩机排气高压硬件保护
■量产支持市面主流压缩机(无需变更硬件)

单相风机驱动器
■兼容多种控制方式: 标准Modbus/串口通信/模拟信号
■集成化、小型化设计
■完善的保护机制: 输入输出缺相/母线过欠压/输出过载/模块温度保护
■单风机最大功率920W,双风机750W*2, 无需配套电抗器

三相风机驱动器
■兼容多种控制方式: 标准Modbus/串口通信/模拟信号
■集成化、小型化设计
■完善的保护机制: 输入输出缺相/母线过欠压/输出过载/模块温度保护
■AC或DC风机可配置,最大功率2.2kW,无需配套电抗器

应用示例

采用24Hp压缩机驱动器&单相电机 50/65KW方案