时间:2024-10-09 10:12
人气:
作者:admin
2024年9月26日,武汉芯源半导体CW32L010系列产品正式官方发布。这款产品以其卓越的产品性能,迅速在业界引起了广泛关注,并成功树立M0+产品行业的新标杆。
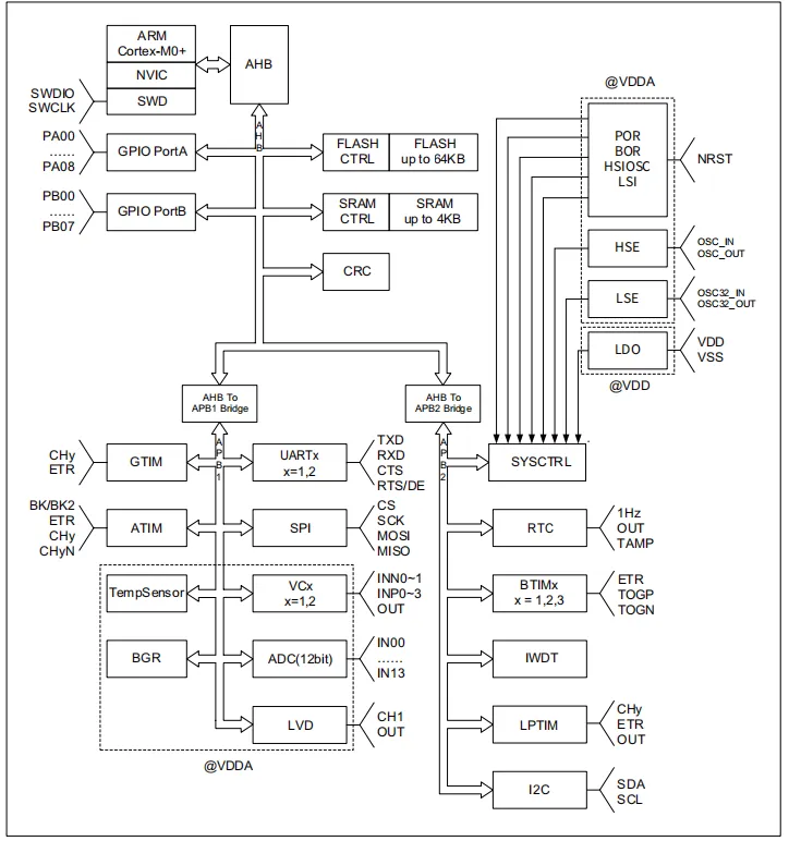
CW32L010系列产品是基于 eFlash 的单芯片低功耗微控制器,集成了主频高达 48MHz 的 ARM® Cortex®-M0+ 内核、高速嵌入式存储器(多至 64K 字节 FLASH 和多至 4K 字节 SRAM)以及一系列全面的增强型外设和 I/O 口。
内部框图

所有型号都提供全套的通信接口(二路 UART、一路 SPI 和一路 I2C)、12 位高速 ADC、四组通用和基本定时器、一组低功耗定时器以及一组高级控制 PWM 定时器。
CW32L010 可以在 -40℃到 85℃的温度范围内工作,供电电压宽达 1.62V ~ 5.5V。支持 Sleep 和 DeepSleep两种低功耗工作模式CW32L010 可以在 -40℃到 85℃的温度范围内工作,供电电压宽达 1.62V ~ 5.5V。支持 Sleep 和DeepSleep两种低功耗工作模式。
产品优势
1,64K超大Flash存储容量
在微控制器(MCU)的众多特性中,eFlash存储容量是最主要的关键参数之一。CW32L010系列产品存储容量最大 64K 字节 FLASH,数据保持 25 年 @-40℃ ~ +85℃,支持擦写保护、读保护和安全运行库保护功能。

确保高访问速度:可确保指令的快速执行,满足实时性要求高的应用场景。
易于升级迭代:在同等成本下,扩大存储容量,为用户提供同级最宽裕的程序和非易失存储空间,使得产品在面临功能升级或迭代时,能够更加灵活地进行软件更新和扩展。
减少EEPROM依赖:通过提供充足的非易失性存储,减少了对外部EEPROM的依赖,降低了系统成本和复杂性。
耐用性更高:Flash擦写寿命高达10,000次,符合标杆要求,确保了产品的长期稳定运行。
2、黑客级代码安全防护
在微控制器(MCU)领域,保护用户的代码和知识产权至关重要。CW32L010系列MCU,以其创新的安全特性,为用户提供了一个坚不可摧的代码保护解决方案。
尽管目前大多数MCU都支持多种安全等级,阻止通过SWD/ISP接口读取Flash内容。但通过下载间谍程序,用挟持内核的方式对Flash指令区做数据访问一般都被允许。

CW32L010系列产品可以阻止这个入侵,我们允许用户划定一块指令存储区域,只能通过指令总线取指令执行,不允许通过数据总线访问数据。在这个区域内,即使攻击者尝试通过下载间谍程序挟持内核,也无法访问这块被保护的存储区域。用户可以将包含敏感算法和关键功能的代码库存储在该区域,确保这些核心资产只能被调用,无法被复制或篡改。
3、极限超低功耗0.3uA,85℃高温漏电仅1.2uA
超低功耗工作模式非常多,一般用户较关注待机电流(常温/高温)、全速运行电流等几个主要指标。

CW32L010采用特别工艺制程,将待机电流控制在0.3uA,高温待机电流是竞品平均水平的1/4~1/8。
4、全新设计兼容G4相关IP的高级定时器
高级定时器通常用于三相PWM输出,经常需要与ADC紧密配合使用。我们全新设计了高级定时器,在对G4相关IP兼容的同时还增加了部分特色功能,例如PWM移相、多点比较等等,单个高级定时器支持多达6对互补PWM输出。

多种灵活的PWM移相模式:在保持占空比不变的同时,可根据采样时机的需求调整PWM边沿位置。

5、RTC补偿精度是0.060ppm,支持亚秒级读数
CW32L010在设计时对RTC补偿机制进行了优化,可选择32,128,256秒为一个补偿周期,最精细的补偿精度可达到0.060ppm,支持亚秒级读数。

6、全面升级的低功耗串口,支持LIN、RS485硬件使能
低功耗串口接收数据可灵活配置接口电平,可产生关键字中断和帧超时中断,支持LIN、RS485硬件使能、TXD和RXD互换及内部回环功能、LSB/MSB硬件转换。

7、85℃ Latch Up测试成绩优异,闩锁门限测试成绩高达±600mA
在MCU的设计和应用中,静电放电(ESD)的防护能力是衡量产品可靠性的重要指标之一。其中高温Latch Up(闩锁)测试可以说明一定问题,CW32L010在高温Latch Up(闩锁)测试中表现出色,闩锁门限测试成绩高达±600mA,远高于行业一般水平,相比竞品一般水平为3~6倍。强大的ESD防护能够保护MCU内部数据不受静电放电的影响以及在各种环境下的长期稳定运行。

8、16路ADC输入2M采样率,采样保持时间可独立配置

9、内部时钟源特性无惧挑剔
在当前的电子市场,"低成本内卷"已成为一个不可忽视的现象。在这一背景下,外置晶体的成本优化变得尤为重要,这一指标考验的是MCU内置RC时钟源的技术特性。CW32L010的内置时钟源,不论是HSI还是LSI,都大幅优于竞品。

CW32L010系列产品基于华虹半导体最新的90nm超低漏电嵌入式闪存工艺,极其出色的性能和更合理的价格定位,为用户带来了极具竞争力的选择,实现了高性能与低成本的完美结合。

CW32L010系列产品提供 QFN20、TSSOP20、SOP16 三种不同的封装形式,不同封装的产品所能实现的功能有所不同,具体情况如下表所示:
CW32L010 家族产品功能列表

CW32L010系列产品的发布,是武汉芯源半导体对市场需求的积极响应,也是公司持续创新和技术研发实力的展现。随着这款产品的正式上市,预计将推动公司业务的增长,并为合作伙伴和客户带来更多价值。让我们共同期待CW32L010系列产品在未来的精彩表现!同时,我们也期待与您携手合作,共创更加美好的未来!