时间:2024-06-19 10:43
人气:
作者:admin
最近在弄ST的课程,需要样片的可以加群申请:615061293 。
VL53L8CX传感器内置了一个固件功能,可以检测场景中的运动。这个运动指示器是基于连续帧之间来计算的。使用插件vl53l8cx_plugin_motion_indicator可以使用这个选项。
运动指示器通过vl53l8cx_motion_indicator_init()函数进行初始化。如果用户想要更改传感器的分辨率,他必须使用专用函数vl53l8cx_motion_indicator_set_resolution()来更新运动指示器的分辨率。
用户还可以更改检测运动的最小和最大距离。最小距离和最大距离之间的差异不能超过1500毫米。默认情况下,距离是在400毫米到1500毫米之间初始化的。
结果存储在motion_indicator字段中。在这个字段里,数组motion给出了每个区域的运动强度值。高值表示帧之间的高运动变化。典型的运动会给出一个在100到500之间的值。这种敏感性取决于集成时间、目标距离和目标反射率。
对于低功耗应用,理想的组合是使用运动指示器与自主测距模式,并在运动上编程检测阈值。这允许在FoV(视场)中检测运动变化,同时保持最小的功耗。

https://www.bilibili.com/video/BV17T421S7qx/
https://www.wjx.top/vm/OhcKxJk.aspx#

https://download.csdn.net/download/qq_24312945/89328515
首先需要准备一个开发板,这里我准备的是自己绘制的开发板,需要的可以进行申请。
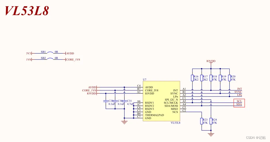
主控为STM32G431CB,TOF为VL53L8CX

测试版所用的MCU为STM32G431CB。

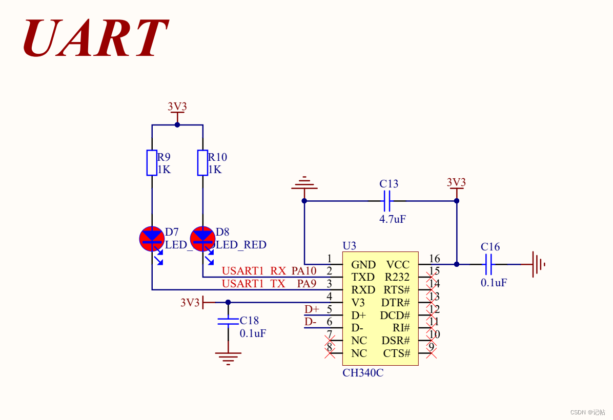
查看原理图,PA9和PA10设置为开发板的串口。

配置串口。

在这个应用中,VL53L8CX模块通过I2C(IIC)接口与主控器通信。具体来说,VL53L8CX模块的I2C引脚连接到主控器的PA8和PB5两个IO口。


配置IIC为快速模式,速度为400k。

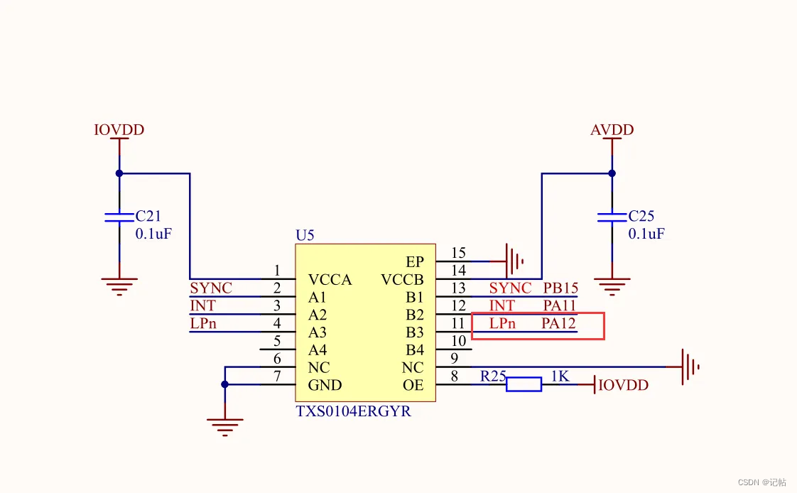
若进行IIC通讯,LPn设置为高电平状态。

这里对应管脚为PA12。

配置为PA12。

自主模式可以通过获取INT管脚进行判断数据是否准备好。

配置PA11为输入模式。

本节介绍在不需要使用样例应用时如何使用STM32CubeMX将X-CUBE-TOF1软件包添加到项目中。有了这样的设置,就只配置了驱动层。

打开魔术棒,勾选MicroLIB

在main.c中,添加头文件,若不添加会出现 identifier “FILE” is undefined报错。
/* USER CODE BEGIN Includes */
#include "stdio.h"
/* USER CODE END Includes */
函数声明和串口重定向:
/* USER CODE BEGIN PFP */
int fputc(int ch, FILE *f){
HAL_UART_Transmit(&huart1 , (uint8_t *)&ch, 1, 0xFFFF);
return ch;
}
/* USER CODE END PFP */
在custom_ranging_sensor.c代码中,有IO口驱动VL53L8CX进行复位的代码,由于没有配置对应的IO,所以需要注释掉。

在main.c中添加对应头文件。
/* USER CODE BEGIN Includes */
#include "stdio.h"
#include "custom_ranging_sensor.h"
#include "vl53l8cx_plugin_motion_indicator.h"
/* USER CODE END Includes */
函数与变量定义:
/* USER CODE BEGIN PFP */
int fputc(int ch, FILE *f){
HAL_UART_Transmit(&huart1 , (uint8_t *)&ch, 1, 0xFFFF);
return ch;
}
/* USER CODE END PFP */
添加TOF初始化。
主要为配置运动指示器。
/* USER CODE BEGIN 2 */
uint8_t status, isReady, i;
VL53L8CX_Motion_Configuration motion_config; /* 运动配置 */
VL53L8CX_Object_t *pL8obj = CUSTOM_RANGING_CompObj[CUSTOM_VL53L8CX];
VL53L8CX_ResultsData Results; /* 来自VL53L5CX的结果数据 */
/*********************************/
/* 编程运动指示器 */
/*********************************/
/* 使用4x4分辨率创建运动指示器 */
status = vl53l8cx_motion_indicator_init(&pL8obj->Dev, &motion_config, VL53L8CX_RESOLUTION_4X4);
if(status)
{
printf("运动指示器初始化失败,状态 : %un", status);
return status;
}
/* (可选) 更改用于检测运动的最小和最大距离。最小和最大之间的差异
* 不得超过1500mm,最小值不能小于400mm,否则下面的函数返回错误127 */
status = vl53l8cx_motion_indicator_set_distance_motion(&pL8obj->Dev, &motion_config, 1000, 2000);
if(status)
{
printf("设置运动指示器距离失败,状态 : %un", status);
return status;
}
/* 如果用户想要更改分辨率,他还需要更新运动指示器的分辨率 */
//status = vl53l5cx_set_resolution(&Dev, VL53L5CX_RESOLUTION_4X4);
//status = vl53l5cx_motion_indicator_set_resolution(&Dev, &motion_config, VL53L5CX_RESOLUTION_4X4);
/* 为了示例,增加测距频率 */
status = vl53l8cx_set_ranging_frequency_hz(&pL8obj->Dev, 2);
if(status)
{
printf("设置vl53l8cx测距频率失败,状态 : %urn", status);
return status;
}
/*********************************/
/* 测距循环 */
/*********************************/
status = vl53l8cx_start_ranging(&pL8obj->Dev);
/* USER CODE END 2 */
主程序来获取对应的isReady位状态来判定数据是否准备好或者判断INT的IO状态也可。
/* Infinite loop */
/* USER CODE BEGIN WHILE */
while (1)
{
if(HAL_GPIO_ReadPin ( GPIOA, GPIO_PIN_11) ==0)
{
status = vl53l8cx_check_data_ready(&pL8obj->Dev, &isReady);
if(isReady)
{
vl53l8cx_get_ranging_data(&pL8obj->Dev, &Results);
/* 由于传感器默认设置为4x4模式,我们总共有
* 16个区域要打印。在此示例中,只打印第一个区域的数据 */
printf("打印数据编号 : %3un", pL8obj->Dev.streamcount);
for(i = 0; i < 16; i++)
{
printf("区域 : %3d, 运动强度 : %3lun",
i,
Results.motion_indicator.motion[motion_config.map_id[i]]);
}
printf("n");
}
}
/* USER CODE END WHILE */
/* USER CODE BEGIN 3 */
}
/* USER CODE END 3 */
静止状态下运动强度如下所示。

检测运动情况下运动强度如下所示。
