时间:2024-04-18 09:21
人气:
作者:admin
三相无刷电机相对传统的有刷电机、感应电机而言,它拥有高的转速/扭矩比、好动态特性、高效率、长寿命、低噪声、宽转速范围和制造容易等等优良特性。使其在工业控制领域、汽车工业、航空航天等等领域有着非常广泛的应用。
针对此航晶微早期推出了多款电机驱动相关产品,其中HJ4312伺服电机闭环控制器与其搭配的HJG4306三相电机驱动电路模块这两款厚膜集成电路在航空28V电机驱动方案应用最为广泛。为满足市场需求产品小型化的问题,航晶微结合自身在电机驱动电路方面的积累的经验,经过不断学习,现推出一款全新一体化的三相电机驱动电路模块HJ4314,只需简单的外围电路,便可独立完成对三相无刷电机的控制。


一
概 述
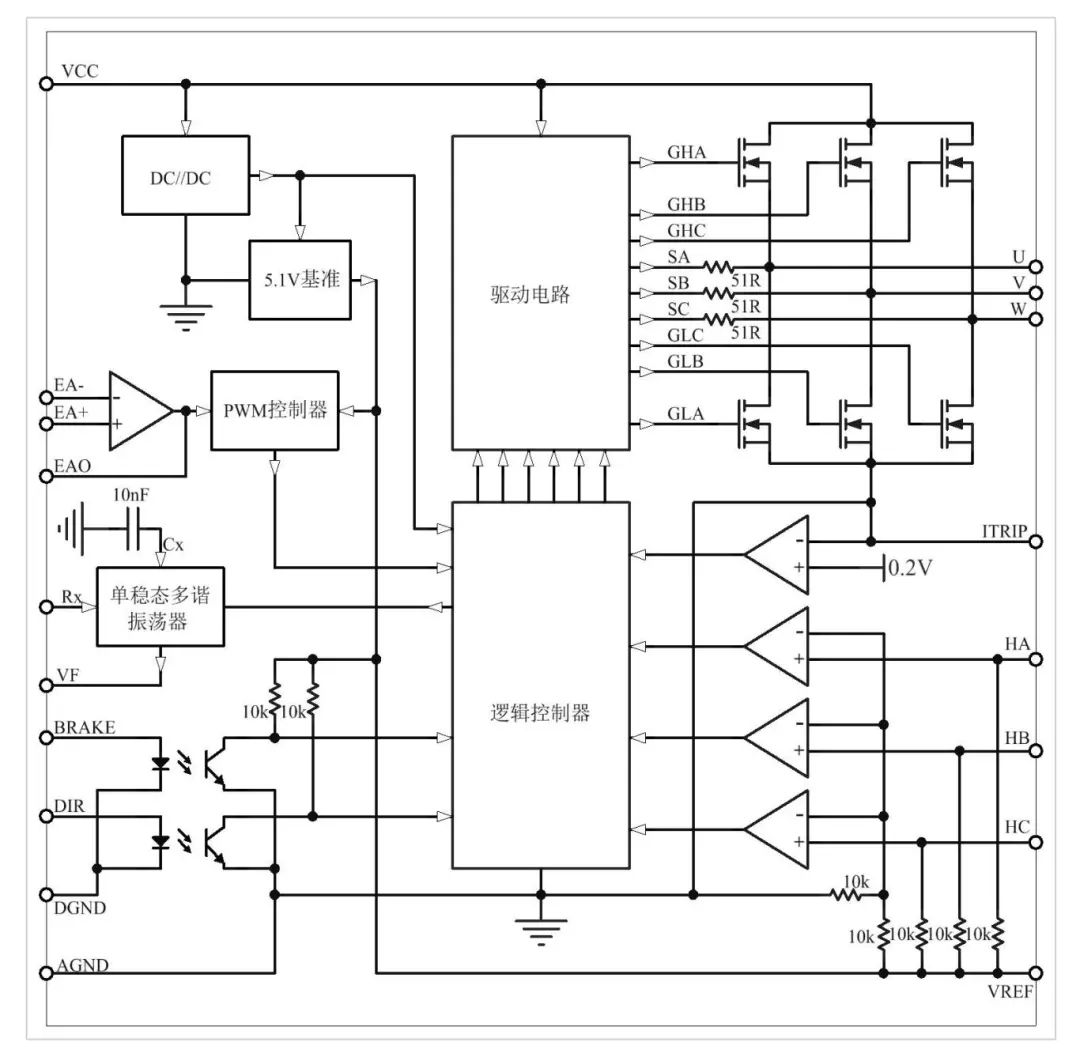
HJ4314是一款完全国产化三相电机驱动电路模块。内部由三相霍尔解码器、速度反馈环、单稳多谐振荡器、PWM控制器,电流门限比较器、高精度电压基准等部分组成。
原理是三相无刷电机霍尔信号固定脉宽后给PWM控制器中的误差放大器完成转速反馈,内置固定衰减周期的整流电路,电流门限比较器反转后会将输出的上桥臂关断,电流衰减一个固定的时间周期,根据三相无刷电机被控制可能的转速变化范围和扭距变化范围,外部调节PID参数,来完成在给定转速设置时稳定转速目标。
同时具有使能控制、方向控制、霍尔信号脉冲整形、电源接反保护、输入/输出浪涌保护的功能。封装采用DZS2826外壳(28*26*7mm)。HJ4314三相电机驱动电路模块适用于40V以下的伺服系统。


主要特点
1) 全硬件结构,避免了用DSP+CPLD模式实现时,上电建立时间长的缺点;
2)模拟PID环路没有了DSP数字PID环路的量化噪声,超调量更容易设置;
3)内置高精度基准,有利于外部进行模拟高稳定转速设定;
4)依靠三相无刷电机的三相霍尔信号就能给定完成转速反馈,无需外加转速测量装置;
5)老炼筛选依据GJB548条件进行;
6)低功率及多重保护有利于提高器件的使用寿命/可靠性;
7)方向(DIR)、刹车(BRAKE)与主回路可以不公地。
二
电原理图

三
封装形式及引出端
3.1 外形尺寸
采用DZS2826塑料外壳,封装尺寸如下所示。

3.2 引出端功能

四
绝对额定最大值
电源电压VCC :+15V~+38V
电源接反 :不限制
工作温度:-55~+105℃
贮存温度:-55~+105℃
引线耐焊接温度(10s):+300℃
五
电特性
除非另有规定外,VCC=28V,-55℃≤TA≤+105℃。

注)*表示设计保证
六
逻辑时序图及真值表

七
典型应用及注意事项

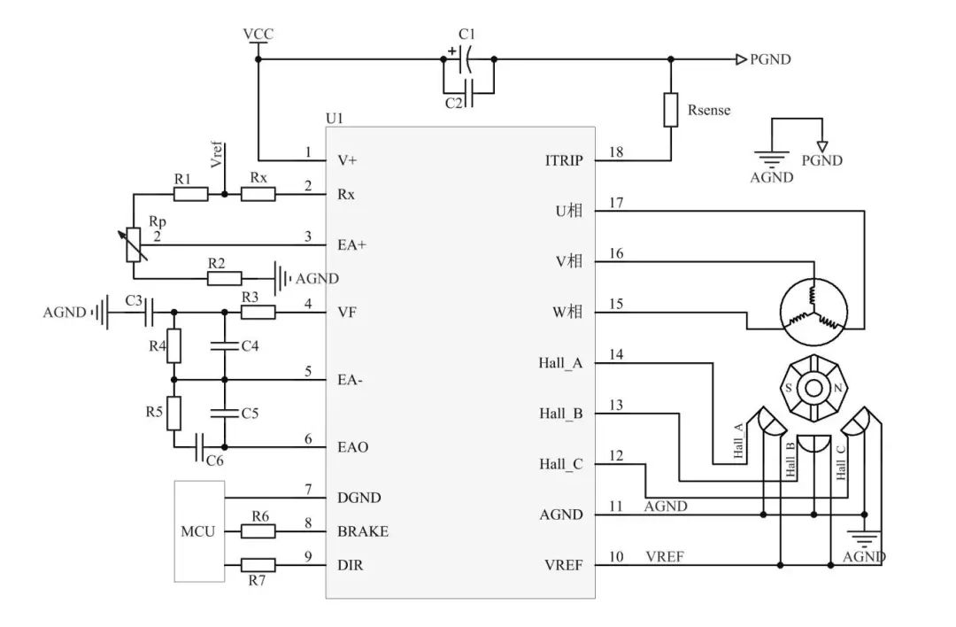
图4典型应用
7.1转速反馈信号脉冲宽度
如果期望最大电机速度为3000RPM,并且所使用的电机转子上的永磁体具有一对磁极,则电机每次机械旋转一周将会使每个霍尔效应传感器传递一个脉冲周期,三个传感器将产生三个独立的脉冲周期,同时转速反馈信号VF端将产生一个脉冲周期数为3的脉冲信号,每个脉冲分别对应传感器脉冲的上升沿和下降沿。电机每秒转速50转,转速反馈信号将每秒产生150脉冲或具有150赫兹的频率(转速反馈信号频率为霍尔信号频率的3倍)。因此,转速反馈信号脉冲周期为6.66毫秒,转速反馈信号脉冲宽度可设定为反馈信号脉冲周期的70%~80%,计算公式如下:
τ=0.96×Rx×Cx
注:0.96为单稳态震荡电路的时间常数。Rx为转速反馈信号脉宽设定电阻,Cx为转速反馈信号脉宽设定电容值为22nF。
系统应用时,在转速固定的情况下,Rx和Cx使用同样的参数匹配不同的三相电机驱动电路模块模块,所设定的脉冲宽度因双稳态多谐振荡器而存在细微的差异,因此需对Rx和Cx进行微调,使其设定的脉冲宽度为定值,可有效避免双稳态多谐振荡器带来误差。
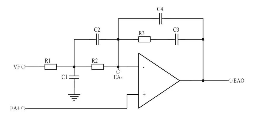
7.2 转速给定及PID补偿网络

图5 转速给定及PID补偿网络
R1、C1的取值主要取决于转速反馈信号VF的最低频率,即三相无刷电机最低的转速;
R2、R3、C2、C3、C4共同构成PID补偿网络,通过调节PID补偿网络使电机在给定条件下,适应扭矩变化要求;可根据具体使用工况自行设计PID拓扑结构,以达到对三相无刷电机更好的控制效果。
EA+转速给定即可模拟给定也可以通过DSP的DAC直接给定。
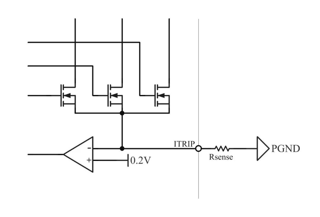
7.3 电流整流

图6 电流整流
芯片内置固定衰减周期的整流电路,当输出开启时,电流上升直到整流点Itrip:
Itrip=200mV/Rsense
此时电流比较器反转,输出的上臂桥关断,电流衰减一个固定的时间周期;
7.4 电平兼容设计
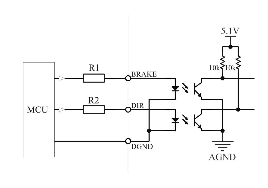
方向控制、刹车控制可利用模块内部的光耦进行隔离,利用上位机来控制方向和刹车,如下图所示:

图7 方向控制、刹车控制
其中,R1、R2的取值要求IR≥8mA.
7.5 刹车模式
当BRAKE为低时进入刹车模式,为高时驱动正常工作。刹车模式下三个半桥的全部下臂桥MOS都会打开,用以短路电机产生的反向电动势。BRAKE会屏蔽PWM信号输入功能与自动堵转保护功能。
需要重点指出的是,当刹车态时,由于电流不流经Rsense电阻,内部的PWM电流限制此时不起作用,此时的最大电流等于反向电动势除以负载电阻。
7.6注意事项
1)在使用DIR进行正反转切换时属于无延时硬换向、以及高速刹车会有很大的冲击,所以不建议在高电压全速运行时操作此两项功能,强行操作有可能损坏功率管和芯片。
2)三相电机驱动电路模块功率较小(最大100W内)过载能力弱,使用时留有余量,不可直接大功率电机工作或试机,强行工作有冲击损坏功率管的风险,建议使用在28V/56W以内,如需超过56W功率,建议在U、V、W三相驱动输出端和电机之间串入10~33uH的大功率电感,用来扼制对功率管造成的冲击。
3)三相电机驱动电路模块功用于霍尔电角度为120的直流无刷三相有霍尔的电机,电机需有霍尔且接对线序系统才能正常工作。
4) 带载启动波形
图8所示波形为24V供电,0.5A的负载下带载启动的电源电压和电流波形:

图8 带载启动波形
(蓝色为系统电源电压,紫色为系统电源电流)
系统内部自带软启动电路,由图8可知,从上电到建立大约需要13ms,在此期间,系统的过冲电流从最大开始逐周期进行递减,到最后趋于稳定值。
5) 电机高速运转时切换方向瞬间波形
图9所示波形为24V供电,0.5A的负载下正常工作时使用DIR功能进行强换向的电源电压和电流波形:

图9电机高速运转时切换方向瞬间波形
(蓝色为系统电源电压,紫色为系统电源电流)
电机在高速工作时使用DIR功能进行强换向,瞬间会对电源造成很大的冲击,对系统电源的能力要求比较高;长此以往会大大降低该模块的可靠性。严禁在正电源端串入续流二极管来使用DIR功能进行强换向,此举在较高转速下会瞬间烧毁模块内部控制电路。