时间:2023-09-27 15:02
人气:
作者:admin
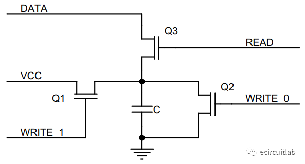
SDRAM(synchronous dynamic random-access memory)即同步动态随机存取内存。在介绍SDRAM前,我们先了解下DRAM(Dynamic random-access memory),DRAR中文译为动态随机存取内存,也叫动态随机存取器,为什么叫动态随机存取器,原因是它的实现原理跟静态存储器SRAM不一样,DRAM是在芯片里集成很多个阵列的电容,DRAM存储二进制数据0和1就是通过给这些阵充放电荷实现。一个简单的单个DRAM存储单元示例图如下图所示。

单个DRAM单元实现电容充放电原理
电容C用来存储电荷,信号WRITE 1、WRITE 0控制开关晶体管Q1和Q2给电容充电和放电,实现二进制1和0存储。信号READ控制开关晶体管打开把电容C接到数据线DATA上,芯片内部处理电路通过读取DATA线上的电压信号来判断DRAM存储单元存储的数据为二进制1还是0。
从原理上去看DRAM实现数据存取很完美,但实际芯片按照上面的原理做好电路后,开关晶体管和电容本身都会有漏电流。漏电流会导致一个特别糟糕的情况,电容存储的电荷会慢慢通过漏电流方式流失掉,当电荷流失到一定的量后,内部电路读取电容的电压去判断数据时,就不能正确判断为二进制1了,这种情况下数据是错误。
这样的错误肯定是不允许发生的,解决办法是通过定时刷新方式给电容充电,保证电容存储的电荷量稳定在理想的状态。因为这样的过程是一个一直的动态过程,动态随机存取器的名称由此而来。而SDRAM是DRAM的一种操作方式,如下图所示,SDRAM读写数据时,是通过在时钟的上升沿同步获取控制、数据信号,所以叫做同步动态随机存取器。

SDRAM在时钟CLK上升沿时同步获取控制、数据信号
DRAM和SRAM优缺点:
SDRAM主要信号如下(256Mb容量示例):
A0-A11: 地址信号。
BA0-BA1: Bank选择信号。
DQM0-DQM3: 读写数据掩码控制信号。
DQ0-DQ31: 数据信号。
CKE: 时钟使能信号。
CLK: 时钟信号。
CS: 片选信号。
CAS: 列地址选通控制信号。
RAS: 行地址选通控制信号。
WE: 写使能信号。
在上述罗列的信号中,A0-A11、BA0-BA1、CKE、CS、CAS、RAS、WE的不同组合,可以构成不同的Command如下图所示。

DRAM Commad真值表
从上图可以看到,DQ0-DQ31和DQM0-DQM3不参与组合成Command。这里说明下,DQMx是读写数据掩码信号,用于控制数据读写使能对应Byte的。它们的控制关系是DQM0控制DQ0-DQ7,DQM1控制DQ8-DQ15,以此类推。知道数据信号DQ0-DQ31不参与组合成Command后,在硬件设计的Layout阶段时,有时数据线不好走线,可以通过调换组内数据线来解决数据线Layout难度大问题。
注意这里说的组内调换是单个Byte内的信号,DQ0-DQ7为一组,DQ8-DQ15为一组,以此类推,不能跨组调换,跨组调换读写数据就错误了。
这里介绍的组内数据线调换不影响数据的正确性,可能会有很多人困惑,我做了个图如下说明解释。如下图中,左侧为主控信号,右侧为DRAM。主控要写数据0x0F到DRAM中,因为数据线在DRAM端被调换了,所以实际到DRAM内的数据变为0x1D。这样看像是数据错了,但我们再看主控从DRAM读数据的情况,主控读数据时,DRAM内的0x1D顺着信号线原路返回,变成了0x0F,错错得正。
所以DRAM信号线组内调线序不影响数据读写错误,但不能跨组调,不能跨组调的原因是即使有错错得正的逻辑,但是如果DQM信号没有使能对应的Byte,那就会导致数据缺失,所以必然出错。

在DRAM端做数据组内调换,不影响主控读写数据的正确性
当然,组内数据可调的这个思路,放在DDR3、DDR4等都可以的,但还是要先看DRAM规格书,确定数据线不参与任何Command组合,如果参与了就不能调,比如有的厂家的LPDDR就用了数据线来做Command。
参考ST评估板MB1219的SDRAM部分电路如下,STM32使用SDRAM的目的是扩充芯片内存,由FMC接口控制,电路没什么复杂的,设计时注意了解各个信号的作用,然后参考规格书把信号一一对应连接上即可。
评估板MB1219使用的主控是STM32F769NI,参考STM32F7xx规格书第86页的Table 12. FMC pin definition的SDRAM栏,有详细的信号定义。下图中的BA0和BA1接的信号为A14和A15,这里没有错,是ST工程师在设计评估板时,FMC总线上还挂了SRAM和Nor Flash,而A14和A15是SRAM和Nor Flash的,但对应SDRAM实际为BA0和BA1。

SDRAM参考设计电路
完成原理图设计,后面剩下的是大家比较关心的Layout要不要做信号线等长的问题,这个问题在网上一直是很多人热衷讨论的一个问题,各有说法。其实对于SDRAM,只要走线不会长度差得特别离谱,比如差不多十几个厘米这样的,不等长影响不会很大,但如果PCB空间资源足够的话建议按照500mil的规则做等长。如下图ST的评估板MB1219就做了等长。

条件允许,推荐SDRAM做500mil约束等长
下一篇:STM32F7X硬件电路设计解读