时间:2021-04-14 15:49
人气:
作者:admin
有时,发送小功率无线电信号创建信标,将信号载波发送到附近的接收机,以QRP(小功率)或QRPP(极小功率)模式进行发送等等非常有用。本文所示的电路很容易构建,可以正常工作。它不使用任何电感器或晶体,而是其频率由电阻器和电容器确定。电路的核心是74HC14 IC。
如何发送无线电信号
有许多发送信号载波的方法。如果信号是周期性的高频信号,那么它就可以离开天线并通过空间传播,这是产生载波信号的要求。为了产生周期性的交替信号,就需要有振荡器电路,它可以用不同的电子元器件(晶体管、变压器、IC等)构建。
拟定的电路
本文所示的电路非常简单,100%可以工作。图1给出了振荡器的一般原理图,它使用一个逻辑非门74HC14,这是个使用数字施密特触发反相器的施密特触发RC振荡器。
施密特数字触发器具有内置的迟滞(约2V),阈值电压为VT+(3.0V)和VT-(1.2V)。R1与电路连接构成正反馈环路而产生振荡。当Vc小于VT-时,Vo变高并开始通过R1(返回)对电容器C1充电。当Vc超过阈值电压VT+时,Vo变低,C1通过R1开始放电。如果Vc超过阈值电压VT-,则又会重复上述步骤,这样就产生了振荡输出。理想情况下,使用这种配置,可以获得大约30MHz的最大频率。

图1:振荡器原理图及其瞬态图。
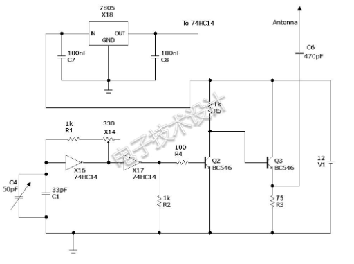
电气原理图
发射机的电路图非常简单(见图2),它由三个有源器件组成:数字非门74HC14(其他型号不适用)和两个NPN晶体管。

图2:发射机的完整原理图。
首先来研究下由第一个触发反相器所代表的电路的第一部分。在此,输出信号通过两个电阻器R1和X14进行反馈,后者是一个电位器,可以用它来改变振荡频率。输入端口通过33pF的电容器C1与C4并联接地,后者为50pF或更大的可变电容器,这样就也可以通过调整它来改变振荡频率。因此,X14电位器和可变电容器C4都可以用来改变振荡器的工作条件。
第二级是个缓冲分离器,由X17数字非门表示。它将信号分离并进行整形,其输出通过负载R2(1,000Ω电阻)接地。数字端口的电源电压为5V,最终输出也将为5V。
第一个晶体管Q2是常用的BC546,它通过共集电极配置将电压电平从5V升高到几乎12V。晶体管Q2的集电极上会出现和X17几乎相同的波形,但其相位将改变180°。
第二个晶体管Q3具有分离前一级(缓冲器)的功能,并将阻抗降低到75Ω,从而更适合于天线。这个配置称为“射极跟随器”,它将信号与前一级分离。
最终,信号通过470pF的电容器C6引到天线。使用这种配置,理论功率约为100mW,但实际上更低。如果天线的阻抗为75Ω(偶极子),则可以尝试去掉R3。也可以尝试从原理图中去掉C6,而用短线将其替换。
在图3中,可以看到数字非门74HC14和NPN晶体管BC546的引脚排列。

图3:器件的引脚排列。
观察电路关键点处的信号图,会非常有趣并且有用。图4对下述几个节点提供了信号曲线:
第一个逻辑反相器X16的输出处的信号曲线(绿色);
第二个逻辑反相器X17的输出处的信号曲线(青色);
第一个晶体管Q2的集电极上的信号曲线(红色);
第二个晶体管Q3的发射极上的信号曲线(黄色)。

图4:电路四个关键点处的信号曲线。
电子元器件
下面是这个项目中所使用的电子元器件的列表。它们不是关键元器件,可以在任何电子产品商店找到。
•R3:电阻75Ω、3W;
•R1、R2、R5:电阻1kΩ;
•R4:电阻100Ω;
•X14:电位器或微调器330Ω;
•C1:电容器33pF;
•C4:可变电容器50pF;
•C6:电容470pF;
•C7、C8:电容器100nF;
•Q2、Q3:NPN晶体管BC546;
•X17,X16:74HC14六路施密特触发反相器IC;
•X18:7805;
•V1:电池12V。
PCB
可以在面包板上或者用PCB构建电路。布局非常简单,但必须遵守PCB的基本规则。在图5中,可以看到PCB走线和元器件的布置布局。
图5:PCB和元器件布局。
图6显示了电路的三维重建。创建三维图片是种明智的方法,它可以提供所用元器件空间的图像,借此可以避免许多设计错误并节省大量时间。
图6:电路的三维渲染。
天线
可以使用长电线作为天线,但如果想要提高发射机的性能,则可以创建一个调谐天线,例如偶极子天线(见图7),在这方面有很多文献可以参考。最简单的偶极子是水平天线,最常见的偶极子是半波长偶极子。基本的“半波”偶极子本身非常简单,它由长度为半个波长的辐射元件组成,并在中心馈电。创建一个简单的半波偶极子非常容易,只需使用一定长度的电线即可。计算天线长度的公式为:
147/(频率,单位:MHz)
这样就得出偶极子的总长度(单位:m)。例如,要制作一个7MHz的偶极子,可以计算出:
147/7=21m
因此,偶极子的每个元件应为10.50m。

图7:偶极子示例。
在图8中,可以看到采用两个10.50m元件的通用偶极子的性能。这里可以看到:
该偶极子的图片;
驻波比(SWR)绘图(天线谐振频率的最小值);
偶极子的辐射图;
偶极子的三维辐射图。

图8:偶极子的性能。
传播测试
当电路完成并将元器件安装到PCB上后,就可以打开发射机。使用无线电接收机,就可以以大约7MHz的频率“听到”设备的摆动。显然,必须使用RX来检测这个频率,然后试着远离接收机来检查信号。传输距离还取决于无线电接收机的灵敏度。载波信号不是完美的正弦波,而是传输当中有很多谐波(见图9)。可以添加一个低通滤波器,衰减高频中不想要的信号。在电磁波传播的情况下,信号可以到达很远的地方。

图9:具有谐波波形的信号载波的频谱图。
总结
本文所示的原理图是构建功能更强大的发射机的基础。所有TX均基于小功率振荡器,功率更大的电路则跟随其后。不能使用74HC14的替代IC(只有74HC14非常相似)。
该电路仅生成信号载波,其传输未经过调制。载波的频率在相位、周期和幅度上固定。频率还取决于电源电压——要使用固定电压,例如变压器。可以修改元件的值来更改电路的行为或频率。也可以使用这个电路以摩尔斯电码传输,只需要一个大按钮即可启用或禁用发射机。或者,该电路可以连接到MCU,而自动执行生成摩尔斯电码的过程。
也可以使用该设备以连续波(CW)模式进行传输,在这种情况下,仅当按键时才发射载波。尽管在某些领域,摩尔斯电码正在剥离,但由于其出色的信号识别功能可以在相同的传播条件下实现其他方法所通常无法实现的连接,业余无线电爱好者仍旧在所有频带上使用它。
互联网正越来越掩盖掉通过无线电波进行通信的美丽,而如果电子爱好者能重新设计发送和接收电路,那将是很好的选择。
责任编辑:lq