时间:2020-12-29 09:53
人气:
作者:admin
作者:ADI公司
电路功能与优势
国际电信联盟(ITU)分配了免许可的915 MHz工业、科学和医学(ISM)无线电频段供区域2使用,该区域在地理上由美洲、格陵兰岛和一些东太平洋群岛组成。在该区域内,多年来无线技术和标准的进步使此频段在短距离无线通信系统中颇受欢迎。该ISM频段对应用和占空比没有任何限制,常见用途包括业余无线电、监视控制与数据采集(SCADA)系统以及射频识别(RFID)。
但是,无论何种应用,该频段中的无线电传输都要求信号链电路之后有一个放大器模块来驱动天线。在美国,根据FCC的规定,对于使用直接序列扩频(DSSS)或跳频扩频(FHSS)的50通道无线电系统,以及对于使用FHSS的少于50个通道的无线电系统,采用915 MHz ISM频段的扩频发射机的最大峰值输出功率分别为36 dBm和30 dBm。

图1.CN-0522简化功能框图
电路描述
工作在915 MHz ISM频段
电路的RF输入信号必须通过表面声波(SAW)滤波器,以将驱动放大器的输入限制为902 MHz至928 MHz频段。选择滤波器时,必须在带内平坦度和带外抑制之间取得平衡。在选择过程中,应注意SAW滤波器也是插入损耗的来源,它会降低信号链的总增益。
该参考设计所用的SAW滤波器的典型最大插入损耗为2.9 dB,端接阻抗为50Ω。
放大器
ADI公司的两级RF功率放大器 ADL5605的工作频率范围为700 MHz至1 GHz,典型增益为23.0 dB,最小噪声系数为4.7 dB,从881 MHz±13 MHz开始的最小输出三阶交调截点(IP3)为43.4 dBm。
有源偏置已集成在ADL5605中,只需将5 V电压施加于VBIAS引脚并通过RF扼流电感(L1)施加于RFOUT引脚,便可设置两个放大器级的最优偏置点。建议使用18 nH的电感,因为这也会为915 MHz ISM频段提供一定的输出匹配。为了滤除电源线上的RF信号和高频噪声,ADL5605的输出级偏置以及VCC和VBIAS引脚上均需要三个去耦电容。

图2.ADL5605功能框图
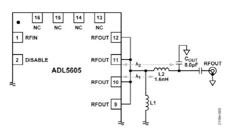
阻抗匹配
对于915 MHz ISM频段,ADL5605的RFIN引脚上不需要外部匹配元件。同时,使用微带线作为电感,并连接一个额外的串联电感(L2)和一个并联电容(COUT),即可将其RFOUT引脚轻松匹配至50Ω。RFIN和RFOUT引脚均需要外部隔直流电容。

图3.ADL5605 RFOUT匹配参数
根据ADL5605数据手册,当放大器的工作频率高于868 MHz时,L2和C OUT的推荐值分别为1.6 nH和8.0 pF。这些元件的正确布局对于匹配至关重要。然而,在Keysight Advanced Design System (ADS)软件中对该参考设计进行仿真得到的建议元件间距值为:λ1 = 94.5 密耳,λ2 = 240 密耳(与925 MHz至961 MHz频段相同,参见ADL5605数据手册)。这些值是从元件中心测量到放大器的边缘。
小信号性能和相位噪声
该设计产生的S参数和相位噪声测量结果如图4和图5所示。在915 MHz的中心频率,该电路实现了20 dB的增益,输入和输出回波损耗分别大于11 dB和6 dB。该系统的相位噪声很低,在10 kHz和100 kHz的频率偏移时,相位噪声值低于-110 dBc/Hz;在1 MHz和10 MHz的频率偏移时,相位噪声值分别低于-130 dBc/Hz和-140 dBc/Hz。

图4.输入回波损耗(S11)、反向隔离(S12)、正向增益(S21)、输出回波损耗(S22)与频率的关系

图5.相位噪声与频率偏移的关系(915 MHz输入)
设计的输出功率(POUT)与输入功率(PIN)的关系图如图6所示,确认在大约11 dBm的输入电平下实现了1 W的最大输出电平。

图6.POUT与PIN的关系(915 MHz输入)
此设计的RF输入以SAW滤波器或放大器的最大额定值(以较低者为准)为限。使用默认板载SAW滤波器时,电路的最大输入为15 dBm。ADL5605本身可以处理高达20 dBm的输入。
过温管理
利用ADI公司的 ADT6402温度开关实现过温管理功能以监视板温度,在其达到设定的阈值时禁用放大器,从而让EVAL-CN0522-EBZ冷却。该温度传感器的精度很高,典型额定值为±0.5°C(最大值为+6°C,从-45°C到+ 115°C),在整个额定温度范围内都能保持高精度和线性度,无需用户校准或校正。

图7.ADT6402功能框图
S0、S1和S2引脚的状态选择ADT6402的温度断路点和迟滞。CN-0522的引脚S2硬连线至VCC,而引脚S0和S1可利用焊接跳线JP1和JP2连接至VCC或GND(或保持浮空)。这些引脚配置将温度断路点和迟滞选项限制为表1所列的选项。
1 0 表示引脚接GND,1表示引脚接VCC,“浮空”表示引脚浮空。
由于ADL5605的散热特性良好,建议将断路点设置为至少95°C。
ADT6402具有一个高电平有效推挽输出(TOVER/TUNDER),该输出在温度测量值超过断路点时使能。TOVER/TUNDER通过缓冲门连接到ADL5605的DISABLE引脚,当温度开关跳闸时,放大器关断,只有在系统冷却到断路点以下的温度(加上迟滞)之后才再次开启。缓冲门确保放大器(ADL5605)的DISABLE引脚的5 V逻辑电平和1.4 mA电流要求得到满足。
为了获得最佳性能,必须使ADT6402的GND引脚和热源的GND引脚的热阻最小。因此,ADT6402安装在EVAL-CN0522-EBZ的背面,靠近连接至ADL5605裸露焊盘的散热通孔。
布局考虑
功率放大器在使用时会产生大量热量,因此必须特别注意电路的散热。为了减轻功耗影响,EVAL-CN0522-EBZ设计有三层厚的接地层,并在ADL5605周围和下方布置了多个散热通孔。
在Cadence® Sigrity™ PowerDC™软件中对CN-0522设计进行的仿真表明,在正常工作期间,放大器周围的印刷电路板(PCB)温度接近85°C。为了实现较小尺寸,没有在板上增加用于放置散热器的条件。但是,CN-0522设计有过温管理功能,可将EVAL-CN0522-EBZ温度保持在系统性能最佳的水平。此特性还能防止ADL5605芯片达到其最高结温。
图8.CN-0522 PCB热仿真(主面)
使用LTM8045进行USB电源管理
CN-0522的电源通过microUSB端口供应,并由LTM8045 μModule调节。这个小型、独立的DC-DC转换器简化了稳压器电路设计,因为它已经包括了电流模式控制器和用于低噪声放大器电源的功率器件。
该设计在正常工作期间大约需要307 mA电流,主要由ADL5605消耗(ADT6402仅需要30μA)。但请注意,ADL5605在较高输出电平下会消耗更多电源电流。例如,根据ADL5605数据手册所述,输出为30 dBm时,电流消耗大于560 mA。CN-0522中使用的所有有源器件仅需要5 V单直流电源。
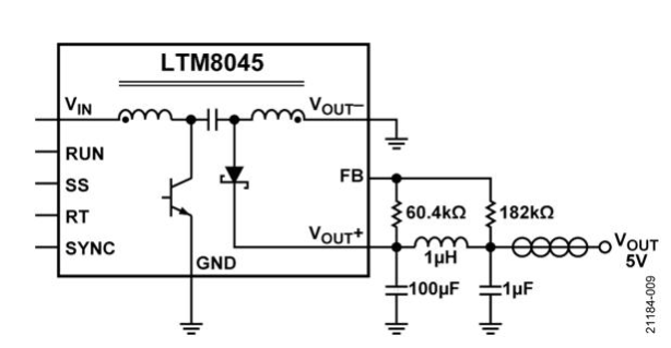
配置为单端初级导体(SEPIC)时,LTM8045的输出电压由VOUT+和FB引脚之间的反馈电阻(RFB)的值设置,该电阻值通过公式1计算。
其中:
RFB 为反馈电阻,单位为kΩ。
VOUT 为期望输出电压,单位为V。
对于5 V的输出电压,该公式得出的RFB值为45.3kΩ,在CN-0522中实现为两个并联的60.4kΩ和182kΩ电阻,以提供两条反馈路径(参见图9)。

图9.LTM8045配置为5 V SEPIC(VOUT侧)
为使LTM8045开关瞬变引入的噪声最小,稳压输出通过一个阻尼LC滤波器和一个铁氧体磁珠。该滤波器用于抑制80 MHz至150 MHz的开关噪声。图10显示了LTspice®中仿真的LTM8045输出噪声的FFT图。
图10.使用LTspice得到的LTM8045输出噪声FFT图
LTM8045的开关频率由RT引脚和GND之间的外部电阻设置,电阻值通过公式2计算。

其中:
RT 为外部电阻,单位为kΩ。
fOSC为期望开关频率,单位为MHz。
对于5 V的输入和输出电压电平,根据数据手册所述,LTM8045的最佳开关频率为800 kHz。将此值代入公式2中的fOSC,可计算出外部电阻值为115 kΩ。对于该配置,推荐的输入和输出电容分别为4.7μF和100μF。

图11.LTM8045配置为5 V SEPIC(VIN侧)
为了限制启动期间 来自电源的浪涌电流,LTM8045设计有软启动功能,该功能使用SS和GND之间的外部电容实现。要计算软启动时间,请使用公式3。

其中:
tSS 为软启动时间,单位为秒。
CSS为外部电容,单位为μF。
此设计使用两个并联连接的0.1μF电容作为软启动电容,因此软启动时间约为367 ms。
常见变化
如果不需要1 W的功率水平,HMC450可以用作915 MHz ISM频段的替代驱动放大器。与ADL5605相比,HMC450具有更高的增益、噪声系数和输入回波损耗,但代价是输出匹配要求更高,并且输出IP3和输出1 dB压缩点(P1dB)较低。HMC450的饱和输出电平仅为700 mW左右。
如果使用HMC450,则温度开关必须替换为ADT6401,其与ADT6402引脚兼容且有相同的规格,但输出为低电平有效输出。
ADI公司还提供类似的用于在2.45 GHz ISM频段中进行传输的放大器设计。有关更多信息,请参阅 电路笔记CN-0417。
电路评估与测试
本节介绍用于测试CN-0522的S参数和相位噪声的设置和步骤。
有关更多信息,请参阅CN-0522用户指南。
设备要求
进行测试需要如下设备:
·EVAL-CN0522-EBZ
·Keysight® E5061B矢量网络分析仪
·Rohde & Schwarz® SMA100A信号发生器
·Rohde & Schwarz FSUP信号源分析仪
·5 V交流/直流USB电源适配器
·USB A型转microUSB电缆
·SMA电缆
·20 dB衰减器(选配),用于信号源分析仪的输入保护
设置与测试
要测量S-参数,请执行以下步骤:
1.将矢量网络分析仪设置为所需的测量条件。频率范围必须设置为包括902 MHz至928 MHz频段,而源电平必须设置为0 dBm。
2.使用校准套件对矢量网络分析仪执行完整的2端口校准。请注意,EVAL-CN0522-EBZ的RF输入(J1)可以直接连到测试端口,因此测试设置仅需要一根测量电缆。
3.使用5 V电源适配器和microUSB电缆为EVAL-CN0522-EBZ供电。
4.使用校准的测试设置将EVAL-CN0522-EBZ连接在矢量网络分析仪的测试端口上。
5.将测量值设置为所需的S参数。
6.在矢量网络分析仪上执行自动缩放功能。如果需要,随后可调整比例。
图14.S参数测量设置
要测量相位噪声,请执行以下步骤:
1.将信号源分析仪设置为所需的测量配置。
2.将信号发生器的输出设置为915 MHz的频率和0 dBm的电平。
3.如果设备可以处理放大器输出(0 dBm输入时约为20 dBm),请参考信号源分析仪数据手册上的最大输入电平。如有必要,将衰减器连接到信号源分析仪的输入。
4.使用5 V电源适配器和microUSB电缆为EVAL-CN0522-EBZ供电。
5.将信号发生器的输出连接到EVAL-CN0522-EBZ的RF输入(J1)。
6.将EVAL-CN0522-EBZ的RF输出(J2)连接到信号源分析仪。
7.在信号源分析仪上执行测量运行。
图15.相位噪声测量设置
上一篇:RFID电子标签的安全性思考