时间:2021-04-14 12:08
人气:
作者:admin
本应用笔记讨论了发送器(Tx)和接收器(Rx)传输线两端的端接,以便正确连接不同的Avago Technologies快速以太网光收发器与多家选定制造商的各种PHY IC。
与直流耦合相比,由于交流耦合的简单性,在本应用笔记介绍的所有情况下,交流耦合均已被选作通用接口选项。对于交流耦合,设计人员不必在PHY IC的输出和光收发器的输入之间寻找共模电压兼容性,反之亦然,因为输出信号的共模电压已被去耦器去除。 -耦合电容器,然后在输入侧固定到所需的电平。
考虑以下PHY IC器件:
IC +和德州仪器(TI)提供了一些类似的PHY IC,它们具有与前面提到的PHY IC相匹配的快速以太网光收发器接口。因此,本应用笔记中描述的端接也应与其他PHY IC配合使用。有关更多详细信息,请参见本文档末尾的“兼容PHY IC”部分。
本应用笔记中定义的接口(终端)已在室温下使用思博伦快速以太网流量生成器和分析仪进行了评估。对于以太网帧的PRBS7有效负载,已确认PHY IC与Avago快速以太网光收发器之间保持30秒的通信中帧丢失为0%。但是,此处提出的接口尚未经过电压,温度和其他参数偏移的验证。
因此,本应用笔记中显示的原理图是推荐的,Avago无法保证其全部功能和性能。设计人员应执行自己的验证。
AFBR-59E4APZ
该光收发器具有LVPECL输入/输出。该设备已经包括用于交流耦合接口的去耦电容器。因此,电路设计人员唯一需要考虑的问题是PHY的输出提供给光收发器输入的信号的电压摆幅,反之亦然。
图1显示了AFBRR-59E4APZ的内部配置。

AFBR-59E4APZ的内部结构
IC + IP101G
该PHY IC具有LVPECL输入/输出,用于与外部100Base-FX光学收发器进行通信。
LVPECL的输出级需要将电流拉
至地。这通常是通过在接地和Tx + / Tx-之间分别放置两个150Ω电阻来实现的。对于IP101G,这些电阻器包含在PHY IC中,因此简化了端接的布局,从而使电路设计人员更容易将IP101G连接至光收发器。另一方面,输入级的50Ω阻抗匹配所需的电阻器也内置在PHY IC内。因此,该PHY所需的唯一终端是为输入级提供正确共模电平的电阻。
由于LVPECL要求的共模电平为2.0 V,所以图2所示的电阻是一个很好的组合。这些电阻的高阻值确保了流过它们的电流小,从而降低了功耗。
图2中的表显示了IP101G所需的SD输入电压电平。表1和表2中显示的值允许为SD的连接设置正确的分压器。

AFBR-59E4APZ的内部结构
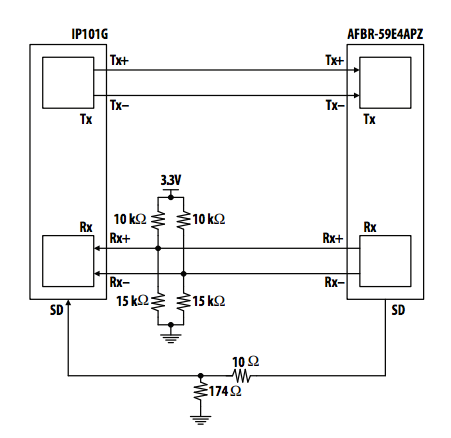
图3显示了AFBR-59E4APZ和IP101G的互连。

AFBR-59E4APZ和IP101G之间的互连
迈瑞KSZ8041FTL
该PHY IC具有用于与外部100Base-FX光学收发器进行通信的CML输入/输出。CML的输出级基于漏极开路差分对,该差分对吸收必须从外部提供的电流。通常通过在Vcc和Tx + / Tx-之间连接50Ω电阻来提供此电流。在输入阶段,KSZ8041FTL需要约3.3 V的共模电平。通过在Vcc和Rx + / Rx-之间连接50Ω电阻可达到该共模电平。
AFBR-59E4APZ具有LVPECL输入/输出。PHYIC的输出Tx + / Tx-处信号的电压摆幅与光模块在其输入Tx + / Tx-处所期望的电压摆幅兼容。此外,光模块的输出Rx + / Rx-处信号的电压摆幅与PHY IC在其输入Rx + / Rx-处所期望的电压摆幅兼容。这样,两个设备光学模块和PHY IC可以直接彼此连接
,因为AFBR-59E4APZ是交流耦合的,并且在外壳内部包括正确的端子(请参见图2)。
编辑:hfy