时间:2021-04-14 16:58
人气:
作者:admin
本应用笔记旨在提供实用指南,以将专用天线线圈与CLRC663及其衍生产品MFRC630,MFRC631和SLRC610的输出驱动器相匹配。进一步称为“ CLRC663系列”。天线直接连接到读取器板上,而读取器和天线之间没有任何电缆。
该应用笔记旨在为设计天线和计算CLRC663系列的匹配组件提供实用指南。用户可以按照指南设计天线和RF电路,并找到描述的调谐程序。该指南涵盖以下项目:
射频场生成和数据传输部分
计算示例
与CLRC663系列匹配
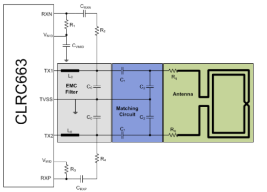
RF框图显示了电路设计以及将天线连接到CLRC663系列所需的所有相关组件。它还确保了能量和数据到目标设备的传输以及目标设备答案的接收。

图1天线匹配框图
必须考虑以下块及其功能,以保证整个设备的正常工作:
EMC滤波器可减少13.56 MHz谐波并执行阻抗转换。
必须根据表1选择EMC滤波器线圈
匹配电路用作阻抗变换块。
天线线圈本身会产生磁场。
接收部分将接收到的信号提供给CLRC663系列的内部接收级。
天线匹配
无需为CLRC663系列供电即可匹配天线。基本的发射器匹配也可以在不组装IC的情况下完成。以下子章节介绍了匹配过程。它从确定天线参数开始,到对天线电路的微调结束。必须首先确定天线等效电路(电感,电容和电阻)和品质因数。
编辑:hfy