时间:2021-04-13 11:42
人气:
作者:admin
本应用笔记介绍了窄带FSK应用中使用的TH7122和TH71221收发器。它简要描述了窄带注意事项,VCO设计,PLL设置以及发送器设置以及应用电路的接收器部分。
窄带注意事项
低功耗收发器的最常见应用是通道带宽和间隔相对较宽的应用。在这些情况下,峰值FSK偏差通常约为25至50 kHz,通道间隔通常为200 kHz或更大。对于TH7122x,中频(IF)滤波器通常是带宽为150至250 kHz的低成本FM接收器滤波器。对于这些应用,通常不会考虑VCO噪声,因为频率偏差会导致解调器输出处的电压摆幅,该摆幅远大于噪声。另外,由于参考频率高,因此环路带宽通常很宽。这允许通过简单地切换晶体上的负载电容来调制参考频率。
TH7122x专为在这些应用中工作而设计,并给出了很好的结果。但是,如果将其用于通道间隔较小(例如12.5或25 kHz)的窄带应用中,则环路带宽必须很小,以允许稳定的PLL操作并充分抑制基准杂散。整数N合成器的参考频率等于通道间隔。对于这些设计,VCO噪声变得非常重要,需要对常规应用电路进行一些更改以提高性能。
窄带应用中的第二个考虑因素是,与接收器使用相同PLL的发送器必须能够产生FSK。由于PLL带宽必须很窄,因此有必要通过在环路带宽之外调制VCO来生成FSK。如果需要将FSK调制降至DC,则还必须在低频下调制参考晶体振荡器,在高频下调制VCO。这通常称为两点调制。困难的部分是使从VCO的调制到VCO的调制到基准的调制平稳过渡。在此应用中,我们假设不需要直流调制,因此可以将低环路频率设置为容纳最宽的数据脉冲。
VCO设计
为了降低TH7122x中VCO的相位噪声,必须减小调谐电路的阻抗。负电阻振荡器会在高阻抗负载下进入饱和状态,从而降低谐振器的Q。内部变容二极管的相对较低的Q进一步降低了谐振器Q。在通常的应用中,调谐电路的电感取决于内部电容的增加,但这限制了调谐范围,调谐范围必须足够大以调谐发射频率和VCO接收频率之间的偏移量。注意,由于TH7122x构成了超外差接收器,因此偏移频率对应于IF。通常,IF为10.7 MHz。解决方案是使用一个小电感和一个外部变容二极管,而不要制作一个调谐电路。
图2显示了评估板的电路,该评估板具有一个小的调谐电感器和一个外部变容二极管,以增加调谐电容。在这种情况下,使用了BB639二极管,因为它是可用的,并且是通常用于电视调谐器的低成本二极管。只需调整C0,几乎可以使用任何具有足够电容的调谐二极管。必须注意不要使L0太小以致振荡器不会振荡。由于振荡器电流是可编程的,因此可以检查振荡器是否在最低电流设置下工作,然后在最高电流下运行以降低噪声。
PLL设置
为了设计PLL环路滤波器,首先必须知道相位检测器常数和所需频率附近的VCO调谐灵敏度KVCO。有两种确定KVCO的方法:
用电位计或电源上的可变电压调整VCO,并用计数器或频谱分析仪测量输出频率。
使用评估板上的环路滤波器,将TH7122x设置为在发射模式下以所需的频率工作。
评估板上的调谐曲线如图1所示。在本示例中,可以看出,调谐电压在434 MHz附近的斜率通常约为14 MHz / V。
第二个设计参数是相位检测器KPD的增益。此参数与电荷泵电流ICP成正比,默认情况下为260 µA。
正如我们将在下面看到的,由于KPD和KVCO总是相乘,所以2π项被抵消。

TH7122x 434 MHz中心频率的VCO调谐曲线

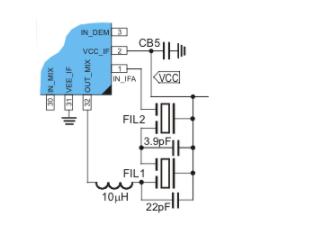
TH7122x窄带应用的电路原理图
发射器设置
继续上一节的示例,假设我们希望在3.0 V逻辑信号下的FSK峰值偏差为2.5 kHz。由于VCO控制电压的斜率为13 MHz / V,因此这将需要192 µV的电平。
环路调制后,VCO的调制带宽非常宽;因此可能需要对数据信号进行整形以限制RF信号的占用带宽。这是通过在输入衰减器上添加CM2来完成的。
接收者
如图2所示,TH7122x应用电路的接收器部分包含一个带宽为20 kHz的陶瓷滤波器。LIF1,CIF1和CIF2用于将330的输出阻抗与所需的600陶瓷滤波器的阻抗匹配。另外,该电路减少了带外杂散响应。与IF放大器的输入阻抗并联的RL0用于按规定加载滤波器。该滤波器的20 dB带宽约为95 kHz。

级联过滤器配置
在通道间隔为12.5 kHz的系统中;所需的通道选择性较高。如图3所示,可以通过级联连接两个滤波器来实现。在这种情况下,显示了一个4极10.7 MHz晶体滤波器。混频器输出与FIL1之间的串联电感以及与滤波器输入并联的电容器使混频器输出阻抗与滤波器所需的1.8 kΩ阻抗匹配。IF放大器的输入电阻约为2 kΩ,因此足够接近所需的滤波器负载。由于TH7122x的引脚1和32之间存在泄漏,因此可以获得最大值。
如果需要更高的选择性,则应考虑使用带有外部混频器的双转换装置。但是,最大选择性将受到相邻通道中VCO噪声的限制。最大信噪比也由VCO噪声确定。在此接收器中,FM峰值偏移为2.5 kHz,约为36 dB。这是在20 Hz至20 kHz的频率范围内测得的。
编辑:hfy