时间:2020-08-24 10:54
人气:
作者:admin
ADI 公司的ADF7023-J是一款超低功耗、高性能、高集成度2FSK/GFSK/MSK/GMSK收发器,工作频率为902 MHz ~958MHz,包括ARIB标准T96频带(950MHz)。支持的数据速率为1 kbps ~300kbps。
发送RF合成器包括VCO和低噪音分数N锁相环(PLL),输出通路频率分辨率为400Hz。VCO在2倍于基频的频率下运行,从而减少了杂散发射。可以自动、独立地配置接收与发送合成器带宽,从而实现了最佳相位噪声、调制质量和稳定时间。发送器输出功率为-20dBm~+13.5dBm,可编程,具有自动PA修整功能,符合瞬态杂散规范的要求。该产品具有单端和差分PA,实现了Tx天线分集。
接收器具有较好的线性,在最大和最小增益下的IP3指标分别为-12.2dBm和-11.5dBm,IP2为18.5dBm和27dBm。接收器在±2 MHz和±10 MHz偏移下分别实现了66dB和74dB的干扰阻塞指标。因此,产品能够在特别嘈杂的环境下阻塞干扰信号。接收器采用新型高速AFC环路,让PLL能够找出并纠正回收数据包内的任何RF频率误差。可以通过下载图像载波抑制校准固件模块获取图像载波抑制校准方案,进而对RAM进行编程。一旦启动,算法无需使用外部RF源,也无需任何用户干预。
校准结果可以保存在非易失性存储器内,供后来收发器加电之用。ADF7023-J的电源电压范围为1.8 V ~3.6V,在Tx和Rx模式下都具有超低功耗,为电池供电系统实现了长使用寿命,同时保持了出色的RF性能。器件可以进入低功耗休眠模式,在这种模式下,其配置设置保存在电池后备随机存取存储器(BBRAM)内。

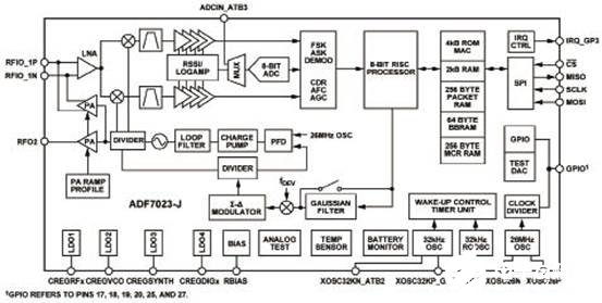
图1 ADF7023-J功能方框图

图2 2FSK/GFSK/MSK/GMSK解调器和AFC架构图
ADF7023-J采用超低功耗、片上通信处理器。该通信处理器属于8位RISC处理器,具有无线电控制、数据包管理和智能唤醒模式(SWM)功能。通信处理器通过整合典型通信协议堆栈的低层而减轻了伴侣处理器的处理负担。通信处理器还允许下载和执行一组固件模块,包括图像载波抑制(IR)校准、高级加密标准(AES)加密和Reed- Solomon编码。通信处理器为主处理器提供了基于简单命令的无线电控制接口。单字节命令在状态之间转换无线电,或者执行无线电功能。
通信处理器支持通用数据包格式。数据包格式非常灵活,并且完全可编程,从而确保了它与专用数据包的兼容性。在发送模式下,可以配置通信处理器以便为存储在数据包RAM内的有效负载数据添加前同步码、同步字和CRC。在接收模式下,通信处理器可以在接收前同步码、同步字、地址与CRC时检测和中断主处理器,并将接收的有效负载存储到数据包RAM内。ADF7023-J采用由MAC级中断和PHY级中断(可以单独设置)组成的高效中断系统。可以利用Manchester或8b/10b编码对有效负载数据和16位CRC进行编码/解码。换句话说,可以使用数据白化和反白化。

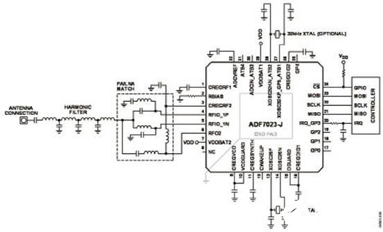
图3 ADF7023-J典型应用电路图
利用内部唤醒定时器,SWM能够自发地将ADF7023-J从休眠状态唤醒,而无需主处理器进行干预。唤醒之后,ADF7023-J受控于通信处理器。这种功能可以在主处理器处于休眠状态时实现载波感应、数据包侦探和数据包接收,从而降低了系统总电流消耗。满足中断条件时,智能唤醒模式可以将主处理器唤醒。可以对这些中断条件进行配置,包括接收有效前同步码、同步字、CRC或地址匹配。还可以利用主处理器触发将器件从休眠模式唤醒。对于那些需要高精度唤醒时序的系统而言,32kHz振荡器可用于驱动唤醒定时器。换句话说,可以使用内部RC振荡器降低休眠模式下的电流消耗。
ADF7023-J采用具有硬件加速功能的AES引擎,提供了128位分块加密/解密,密钥长度为128位、192位和256位。
支持电子源码书(ECB)和密码链块模式1(CBC模式1)。AES引擎可用于给包数据加密/解密,也可被主处理器用作独立加密/解密引擎。在ADF7023-J上,可以通过下载AES固件模块来启动AES引擎,进而对RAM进行编程。片上8位ADC提供了外部模拟输入读回、RSSI信号或集成式温度传感器。只要电池电压降至用户定义的阈值以下,集成式电池电压监控器就会向主处理器发出中断标志。

图4 ADF7023-J分离的单端PA和LNA匹配电路图

图5 ADF7023-J组合的单端PA和LNA匹配电路图
ADF7023-J的主要特性
• 超低功耗、高性能收发器
• 频带:902 MHz ~958MHz
• 支持的数据速率:1 kbps ~300kbps
• 电源电压范围:1.8 V ~3.6V
• 单端和差分功率放大器(PA)
• IF带宽可编程的低IF接收器
• 100kHz、150kHz、200kHz和300kHz
• 接收器灵敏度(BER)
- 1.0kbps,2FSK和GFSK下, 灵 敏度为116dBm
-在38.4kbps,2FSK和GFSK下, 灵敏度为107.5dBm
-在50kbps,2FSK和GFSK下,灵敏度为106.5dBm
-在100kbps,2FSK和GFSK下,灵 敏度为105dBm
-在150kbps,GFSK和GMSK下,灵敏度为104dBm
-在200kbps,GFSK和GMSK下, 灵敏度为103dBm
-在300kbps,GFSK和GMSK下, 灵敏度为100.5dBm
• 超低功耗
-在PHY_RX模式(最大前端增益)下,功耗为12.8mA
-在PHY_RX模式(AGC断开,ADC 断开)下,功耗为11.9mA
-在PHY_TX模式(10dBm输出,单端PA)下,功耗为24.1mA
-在PHY_SLEEP模式(32kHz RC振荡器运行)下,功耗为0.75μA
-在PHY_SLEEP模式(32kHz XTAL振荡器运行)下,功耗为1.28μA
-在PHY_SLEEP模式(深度休眠模式1)下,功耗为0.33μA
• RF输出功率:0dBm ~ +13.5dBm(单端PA)
• RF输出功率:0dBm ~ +10dBm(差分PA)
• 获得专利的高速自动频率控制(AFC)
• 数字接收信号强度指示(RSSI)
• 集成式PLL环路滤波器和Tx/Rx开关
• 高速自动电压控制振荡器(VCO)校准
• 自动合成器带宽优化
• 片上、低功耗、定制8位处理器
• 无线电控制
• 数据包管理
• 智能唤醒模式
• SPORT模式支持
• 到Tx和Rx数据的高速同步串行接口,可以直接连接处理器与DSP
• 数据包管理支持
• 灵活支持各种数据包格式
• 插入/检测前同步码/同步字/CRC/地址
• Manchester和8b/10b数据编码与解码
• 数据白化
• 智能唤醒模式
• 具有自发接收器唤醒、载波感应和数据包接收功能的节流型低功耗模式
• 可下载固件模块
• 图像载波抑制校准、全自动(专利申请中)
• 128位AES加密/解密,硬件加速,密钥长度为128位、192位和256位
• 利用面向Tx/Rx数据的硬件加速240字节数据包缓冲器进行Reed-Solomon误差校正
• 具有块读/写访问功能的高效SPI控制接口
• 集成式电池报警和温度传感器
• 集成式RC和32.768kHz晶体振荡器
• 片上8位ADC
• 5 mm × 5 mm、32引线、LFCSP封装
ADF7023-J的应用
• 智能电表
• IEEE 802.15.4g
• 家庭自动化
• 过程和建筑物控制
• 无线传感器网络(WSN)
• 无线保健设备
责任编辑:gt