时间:2020-08-13 14:28
人气:
作者:admin
(文章来源:今日电子,作者:石峰,易新敏,王向展,熊莉英)
在一个无线接收系统中,为了获得良好的总体系统性能,需要一个性能优越的前端,而低噪声放大器(LNA)就是前端的一个重要组成部分。
由于共源共栅级结构能同时满足噪声和功率匹配的要求,因此在LNA的设计中被广泛采用。但共源级和共栅级之间的匹配是个关键问题,通过在其之间插入一个级间匹配电感,使得这个问题得以解决。
低噪声放大器电路结构
低噪声放大器作为射频信号传输链路的第一级,必须满足以下要求:首先,具有足够高的增益及接收灵敏度;其次,具有足够高的线性度,以抑止干扰和防止灵敏度下降;第三,端口匹配良好,信号能够有效地传输。另外,还要满足有效隔离、防止信号泄漏以及稳定性等方面的要求。
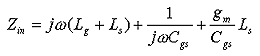
通常,射频电路端口要与50Ω阻抗匹配,为了满足输入端功率匹配条件,一般采用源极串联电感反馈匹配结构,如图1所示。图2是该结构的小信号图。

图1 源极串联电感反馈匹配结构

图2 源极串联电感反馈匹配结构的小信号图
在图1、图2中,Lg为栅极串连电感,LS为源极串连电感,Cgs为等效栅源电容。由图2可得:
(1)

当谐振时有:
(2)![]()
其中,![]()
这种结构用电感来等效实电阻进行阻抗匹配,没有引入过多的噪声,因此被广泛采用。
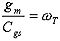
噪声分析及优化
低噪声放大器中的噪声主要包括沟道电流噪声、感应栅电流噪声和栅电阻噪声,其小信号等效电路如图3所示。

图3 小信号等效噪声电路
其中,沟道电流噪声是载流子和热振动原子的随机碰撞引起的,其表达式为
(3)![]()
式中,gd0为漏源偏置为0时的漏极输出电导; 为MOS管的跨导; 为与器件工艺和偏置相关的常数,值为2/3~2;α=gm/gd0 <1。
另外一个噪声源是栅电阻噪声,通过多指状栅的结构缩减栅电阻的方法可以减小它。
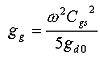
栅电流噪声则是由于沟道载流子的扰动经由栅电容耦合到栅极形成的,其表达式为
(4)![]()
其中,
;δ表示栅噪声系数,值在4/3~15/2之间。
噪声系数F定义为输入信噪比与输出信噪比的比值:
(5)![]()
式中,G表示功率增益。这里的噪声是指总的输出噪声与源阻抗在输出端产生的噪声的比值,因此我们得到这种结构的低噪声放大器的噪声系数为
(6)![]()
(7)![]()
(8)![]()
式中,RS为源阻抗,RL和Rg分别是Lg的等效寄生电阻和MOS管的栅电阻。
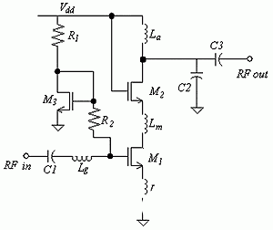
在图1中,忽略了Cgd的影响,但它的存在对电路的影响很大,因为输出会通过它反馈到输入,一方面恶化噪声性能,另一方面促使电路不稳定。所以,要采用两级级联结构来抑制栅漏电容,这样不仅提高了稳定性,改善了噪声性能,还能提供较大增益。不过最关键的就是在两个MOS管M1和M2之间插入一个片上集成电感Lm,如图4所示。

图4 共源共栅结构的LNA
原因是M1和M2为单独的管子,它们之间存在较大的寄生电容,影响了信号的传输,从而恶化噪声系数。而加入的电感能加强他们之间的匹配,使噪声性能和增益有所改善。
根据不同的级间匹配电感值,增益和噪声的变化如图5和图6所示。

图5 不同电感值增益的变化

图6 不同电感值噪声的变化
由上图的结果可知,当匹配电感的值取5nH时,效果最理想。
设计与仿真结果
本设计采用单端结构,全单片集成,具体电路见图7。

图7 低噪声放大器电路图
整个设计基于了TSMC 0.35μm锗硅射频工艺模型。为了提高集成度,所有的电感都采用片上集成电感,为平面螺旋八边形,用顶层金属绕制而成。输出端采用的是LC槽电路,谐振时阻抗很大,有选频和提高增益的作用。
为了降低功耗,电源电压为1.5V,工作频率1.5G,静态功耗约为16.5mW。用Cadence中spectreRF进行仿真,得到输入反射系数(S11)和输出反射系数(S22)分别为-7.4dB和-20.8dB。
由于采用级间匹配电感,中心频率处的电路增益提高了约3dB,达17.7dB,提高了约20%;噪声系数降低了约 0.45dB,为2.05dB,降低了约18%,变化曲线如图8和图9所示。

图8 匹配前后的增益变化

图9 匹配前后的噪声变化
低噪声放大器除了提供较低的噪声,较高的增益外,还需要有较好的线性度,以避免较强信号的干扰。线性度一般用三阶交调点(IP3)来衡量,包括输入三阶交调点(IIP3)和输出三阶交调点(OIP3),可以采用双音测试法来测量,即在输入端加入两个频率相近幅值相等的两个信号,然后改变幅值来测量,结果如图10所示。输入三阶交调点(IIP3)约为5.2dBm。

图10 放大器的线性度(IIP3)
责任编辑:gt