时间:2020-07-13 17:50
人气:
作者:admin
外部元件放置
接地问题
电源和去耦
PWM滤波器
散热问题
I2C/ I2S 通信
1.组件放置
D类放大器产生PWM脉冲,扬声器端子桥接负载配置,扬声器驱动器大约是电源的两倍。 工作频率一般为384Khz至768Khz,快速切换对具有快速上升时间(nS)和短脉冲宽度,因此这可能会出现严重的RF发射干扰,使芯片到扬声器之间的走线成为天线,所以 处理组件放置很重要。
Output Filter




2.接地问题
- 与组件放置密切相关的是接地问题。 理想情况下,所有组件都放置在理想的位置,坚固的接地平面具有零阻抗,因此不会干扰任何其他因素,并且不会产生任何影响,并且会对接地返回电流造成EMI威胁。
-理想情况下,可能需要将敏感元件放置在远离噪声元件的地方,地平面具有有限的阻抗。 这是可能需要将接地隔离到一定程度的地方,但是由于隔离产生不需要的天线而存在引起EMI危险的风险。
在芯片内部,模拟和数字域需要相互通信。 下面的红色环路是地电流。 这意味着存在从不同接地流入和流出的返回电流。 由于这些接地回路电流和每个电路之间的连接阻抗,以避免噪声从数字电路耦合到模拟电路。 建议使用不同的接地以避免开关耦合通过地面的噪声, 即使连接一个小电阻来增加分离也可

-如果可能,請使用小電阻器以改善電源接地與模擬接地之間的距離
-避免數字電源和模擬電源連接在一起
-添加電源濾波器
3供电和解耦
由于这些音频放大器直接连接PVDD供电,因此电源阻抗很高,因为电流消耗很大。 内置有大量保护功能的内部电路,如UVP(欠压保护),OCP(过流保护),OTP(过温保护),UVP和OCP都会因电源尖峰而产生错误触发,因此 正确的耗材去耦可能有助于它。
PWM Wavform边缘
D类芯片输出上升时间的正常PWM约为2nS,边沿电流的频率将在200Mhz,此芯片上的电源去耦至关重要,以保持电流回路尽可能小并避免传播 干扰。 开关瞬态可能非常高,因此我们建议在每个放大器供应引脚旁边放置陶瓷电容。 由于电流很大,建议每个引脚至少使用1uF + 0.1uF。 需要从VDD到具有相同层的主电容的直接迹线,电容器接地连接应与放大器芯片接地相同。

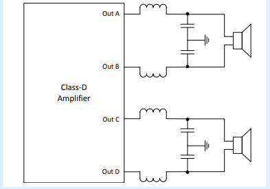
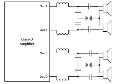
在更高功率的D类放大器中,通常输出功率大于10 W,输出端的滤波器放大器是必需的。 滤波器本质上是无源的,并且每个滤波器都使用电感器和电容器输出终端。 因此,它被称为LC滤波器。 选择适当的LC滤波器元件对于满足所需的音频性能,效率,EMC / EMI要求和最终成本至关重要应用。 本应用报告可作为辅助LC滤波器组件部分的指南D类放大器,以满足终端系统的目标设计目标。一些TI D类音频放大器在单个器件中支持多种输出配置。 这允许最终应用程序的高度灵活性。
PWM滤波器可以采用不同的模式,以支持板放大器类型,如AD调制,BD调制,1SPW,混合。..。..等。 此外,PWM具有匹配BTL模式,PBRL模式和SE模式的不同配置。

桥接负载(BTL)

并联桥接负载(PBTL)

单端(SE)

TI开发了LC计算工具,用于优化价值,方便最终客户设计自己的滤波器。 以下是下载地址。 请确保您的电路与您选择的调制方法匹配。
http://www.ti.com/tool/lcfilter-calc-tool

散热问题
由于功率放大器是高电流器件,因此热量对于那些设计者来说是一个挑战。
在D类音频放大器中,PWM开关频率主要影响MOSFET损耗和电感器损耗。 采用大电感降低PWM开关频率,提高散热性能。 •在大输出情况下,LC滤波器可以实现比铁氧体磁珠更好的热性能。
- 将功率放大器设备放置在远离PCB边缘的位置,避免使用走线或串线切断从音频放大器设备到周围区域的热量流。
解決方案:
使用1SPW模式减少开关丢失
避免在放大器附近放置其他发热元件或结构。
使用更多层PCB,为器件提供更
铜的厚度和PCB层对热性能有很大影响。 对于EVM板,它是4层和2Oz铜。
I2C / I2S 通讯
I2C通讯失败
软件配置了错误设备地址
数据边缘更改错误
错误/弱信号或电压电平错误
地拉高电阻或电容错误导致缓慢上升以触发电路错误
接地不良或连接到噪音地

-I2S通讯失败
设置错误的I2S格式,因为I2S格式有很多不同,例如DSP,左对齐,右对齐和TDM,位长和偏移也不同
错误电平/ 噪音太大
走线太长而受到干扰
解決方案:
降低电阻值
降低电容值
配置匹配的格式
减少信号噪音
