时间:2019-01-06 10:23
人气:
作者:admin
无论是屏幕尺寸的变化、处理性能的提升,还是拍照效果的突破等,如今每一款新的智能手机(称为用户设备(UE))推向市场,常常吸引眼球并占据新闻头条。从to B端的角度出发,智能手机的发展伴随着几代无线通信标准的更迭,如3G、4G,以及即将到来的5G,无线电接入网络(RAN)的基础设施基站(eNode B)也历经嬗变。虽远没有消费电子那么热闹,但正是这两者的同步发展,才成就了如今互连世界的数据洪流。
据IHS Markit最近发布的移动基础设施市场分析报告,2018年全球2G/3G/4G和5G基础设硬件总收入将达到497亿美元。在LTE升级和5G开始部署的驱动下,2018年第三季度全球移动基础设施硬件收入表现强于去年同期。LTE继续在全球范围内扩张,其全球普及率持续上升,这为未来几年基础设施硬件、如基站的市场带来了利好。
面对通信数据洪流,多频段无线电与频谱如何利用?
从GSM到LTE,蜂窝频段的数量从4个增加到40个以上、暴增了10倍。随着LTE网络的出现,基站供应商发现无线电变化形式倍增。LTE-A提高了多频段无线电的要求,在混频中增加了载波聚合,使得同一频段内(更重要的是不同频段内)的非连续频谱可以在基带调制解调器中聚合为单一流。
频谱稀疏是通信业界的共识,图1显示了几个载波聚合频段组合,突出说明了这一问题。绿色是带间间隔,红色是目标频段。信息理论要求系统不应浪费功率去转换不需要的频谱。多频段无线电需要有效的手段来转换模拟和数字域之间的稀疏频谱。

图1:非连续频谱的载波聚合突出说明了频谱稀疏问题
对此,ADI公司系统工程师John Oates表示:“为了增加数据吞吐量,现代基站无线电设计必须通过多频段载波聚合来获得更多的频谱带宽。而RF数据转换器可使用全部6 GHz以下蜂窝频谱,并快速重新配置以适应不同频段组合。这一类频率捷变直接RF架构可缩减成本、尺寸、重量和功耗,使得RF DAC发射机和RF ADC DPD接收机成为6 GHz以下多频段基站的首选架构。”
基站无线电架构正处变革,发射机演变为直接RF
为了应对4G 、5G网络的需求,广域基站的无线电架构正不断升级。带混频器和单通道数据转换器的超外差窄带IF采样无线电已被复中频(CIF)和零中频(ZIF)等带宽加倍的I/Q架构所取代。但是,ZIF和CIF收发器需要模拟I/Q调制器/解调器,其采用双通道和四通道数据转换器,同时也会遭受LO泄漏和正交误差镜像的影响,必须予以校正。所幸,采样速率的提高带来了超宽带宽的GSPS RF转换器,使得频率捷变软件定义无线电最终成为现实。

图2:无线射频架构不断演变以适应日益增长的带宽需求,进而通过SDR技术变得更具频率捷变性
据ADI技术专家介绍,6 GHz以下BTS架构的终极形态或许就是直接RF采样和合成。直接RF架构不再需要模拟频率转换器件,例如混频器、I/Q调制器和I/Q解调器,这些器件本身就是许多干扰杂散信号的来源。相反,数据转换器直接与RF频率接口,任何混频均可通过集成数字上/下变频器(DUC/DDC)以数字方式完成。
同时,多频段效率增益以精密DSP的形式出现,其已包含在ADI最新推出的RF转换器中,可以仅对需要的频段进行数字通道化,同时支持使用全部RF带宽。利用集内插/抽取上/下采样器、半带滤波器和数控振荡器(NCO)于一体的并行DUC或DDC,可以在模拟和数字域相互转换之前对目标频段进行数字化建构/解构。
并行数字上/下变频器架构允许用户对多个所需频段(图1中以红色显示)进行通道化,而不会浪费宝贵的周期时间去转换未使用的频段 (图1中以绿色显示)。高效率多频段通道化具有降低数据转换器采样速率要求的效果,并能减少通过JESD204B数据总线传输所需的串行通道数量。降低系统采样速率可降低基带处理器的成本、功耗和散热管理要求,从而节省整个基站系统的资本支出(CAPEX)和运营支出(OPEX)。
利用ADI RF转换器,造一个带DPD接收机的直接RF发射机
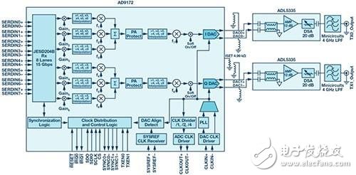
在新一代多频段BTS无线电中,RF DAC已成功取代了IF DAC。事实上,ADI公司基于SiGe & 28nm CMOS工艺打造的两款微波5G前端系统解决方案——高速模数转换器AD9208与高速数模转换器AD9172,为下一代宽带软件定义系统树立了新的性能基准。以基于ADI公司的16位12 GSPS RF DAC——AD9172打造的直接RF发射机为例,其利用三个并行DUC支持三频段通道化,允许在1200 MHz带宽上灵活地放置副载波。在RF DAC之后,选用ADI公司的高性能数字增益放大器ADL5335提供12 dB的增益和31.5 dB的衰减范围,最高支持4 GHz。根据eNode B的输出功率要求,这一直接RF发射机的输出可以驱动所选功率放大器。

图3:基于ADI公司RF DAC——AD9172构建直接RF发射机
考虑图4所示的频段3和频段7情形,可进一步通过宽带方法将数据流直接转换为RF。这一方法是不经通道化而合成频段,要求1228.8 MHz的数据速率。此带宽的80%产生983.04 MHz的DPD(数字预失真)合成带宽,足以传输两个频带及其740 MHz的频带间隔。 ADI技术专家指出,该方法对DPD系统有好处,不仅可以对每个单独载波的带内IMD进行预失真,还能对所需频带之间的其他无用非线性发射进行预失真,对于系统设计十分具有吸引力。

图4:双频段情形:频段3(1805 MHz至1880 MHz)和频段7(2620 MHz至2690 MHz)
同时,AD9172搭配AD9208使用,可构建直接RF架构的DPD观测接收机。ADI公司14位3 GSPS RF ADC——AD9208,支持通过并行DDC进行多频段通道化;基于其构建的发射机DPD子系统中RF DAC和RF ADC组合有许多优点,包括共享转换器时钟、相关相位噪声消除以及系统整体的简化。其中一个简化是,集成PLL的AD9172能够从低频参考信号生成高达12 GHz的时钟,而无需在无线电电路板周围布设高频时钟。此外,RF DAC可以输出其时钟的相位相干分频版本供反馈ADC使用。此类系统特性支持创建优化的多频段发射机芯片组,从而真正增强BTS DPD系统。

图5:基于ADI公司RF ADC——AD9208构建用于数字预失真的直接RF观测接收机
上一篇:两地相距较远实现无线上网的方法
下一篇:电磁学的发展史