时间:2017-12-12 06:57
人气:
作者:admin
在工厂、变电站、智能大厦等大型企业自动化系统中,如 图1(a) 所示,在上层企业管理层和生产 监控层采用的都是以太网和PC机,而在下层车间、现场都是采用现场总线(如RS-485、CAN、 lonWorks、基金会等)和单片机测控设备。上下两层的沟通,通常采用工业控制机加以太网卡,再加 上PC机插槽上的接口卡或并行打印口的EPP接口卡来实现。这种连接方式成本高,开发周期长,接 口卡成为系统上下两层的通信瓶颈,一旦出现故障,上下两层的联系就告中断。为此,如 图1(b) 所 示,我们利用廉价的“网络通”组成基于单片机的以太网-CAN网关取代昂贵的工控机加接口卡,成 功地实现了以太网和现有CAN总线网的直接连接,实现管理监控层(以太网)和生产测控层(CAN总 线网)之间的连接。上下层数据能方便地进行交流。

图1 两种分布式自动控制系统结构比较
更重要的一点在于,现在成熟、稳定、廉价的以太网已经普及深入到了工厂、车间、大楼等基层。在大型企业自动化系统中,没有必要再采用现场总线和两级结构,可直接利用廉价的以太网接口模块“网络通”,将各种测控设备直接接入以太网,形成现代化的网络控制系统。
在网络控制系统中,我们利用“网络通”组成基于单片机的以太网-CAN网关,结构组成如 图 2 所 示。“网络通”由以太网接口A和微处理器组成。在此基础上增加CAN接口B就组成了以太网-CAN 网关。

图2 基于“网络通”的以太-CAN 网关
(1) 以太网接口A
以太网接口A可选用符合IEEE802.3协议的10Base-T通用接口芯片,如 UM9003、RTL8019等,完成与以太网在物理层和数据链路层的连接。使用 RJ-45插口,可以直接挂接到以太网上。
(2) 微处理器
微处理器负责对以太网接口A芯片和CAN接口B芯片进行控制。微处理器内驻有 TCP/IP通信协议和CAN协议,完成以太网协议和CAN总线协议转换,实现接口 A和接口B通信数据的透明传输。
由于CAN总线传输的数据量不大,数据传输速率不高,远小于以太网的数据传输速率,所以在以太网 -CAN接口模块中,数据的传送瓶颈在CAN接口B。在测控领域,通常传输的数据量不大,对数据传输 速率要求也不高,于是,在此模块中微处理器可选用通常的单片机如 8031等。
(3) CAN接口B
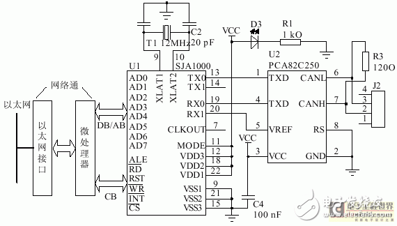
CAN接口B采用了飞利浦的CAN物理层和链路层接口芯片SJA1000和 PCA82C250。微处理器直接控制SJA1000的AD0~AD7、、、ALE、RST 和脚。SJA1000的MODEL脚接高电平,工作在Intel模式下;片选脚接地,始终处于选通状态,如 图 3 所示。微处理器对 SJA1000的操作主要是对寄存器的操作:一方面对SJA1000的模式寄存器 (MOD)、命令寄存器(CMR)、状态寄存器(SR)、中断寄存器( IR)、中断允许寄存器(IEP)、总线定时寄存器(BTR0、 BTR1)、输出控制寄存器(OCR)、时钟分频计数器(CDR)进行设置和检测; 另一方面对收发缓冲区进行读写,从而和CAN设备交换数据。

图3 以太网-CAN 接口原理图
图 4 是微处理器对SJA1000进行初始化、读、写的流程图。微处理器将 以太网送来的命令通过向SJA1000写,来传送给CAN测控设备;反过来,又将向SJA1000读取CAN 测控设备的测量值或状态,通过以太网发送出去。

图4 微处理器CAN接口原理图
网络分布式控制需要有开放式、数字化、多点通信的控制网络,基于现场总线的网络分布式控制 系统能够广泛应用自动化系统说明了这点。使用以太网取代现场总线网不仅满足这些需求,而且还有许多优点。
① 不需要专门铺设CAN通信网来进行设备之间的信息传送,而是利用广为存在的、廉价的、标 准的以太网来进行信息的传送。组建这样的测控网速度很快,理论上节点数没有限,组网成本低, 维护也容易。
② 在数据传送中,每台测控设备的地址实际有“网络通”的IP地址和CAN接口地址 两部分组成。在以太网中,CAN接口测控设备的CAN地址和数据一起作为“网络通”通信中IP包的数据进行传送。
③ 具有多主多从的高通信容量的特点;每帧有硬件CRC校验,可靠性高;通信报文 可大可小,效率很高;通信协议TCP/IP是全球统一的规范,容易连成不受地域限制的大控制网。
④ WWW(Word Wide Web)浏览器的人机界面友好易用,设备管理服务器一方面用浏览 器检测和控制以太网上不同设备,另一方面使用WWW发布方式向网络客户提供动态交互式浏览网页。很容易实现调度生产管理系统或办公自动化信息系统。
⑤ 由于通信数据包符合TCP/IP标准,可以在Internet网上穿越交换机或路由器,远程上网客户只要用WWW浏览器就可方便地查询各个智能设备状态和实时遥控各个智能设备。
在我们设计改造的一个企业自控系统中,采用了图 5 的方式。所有原有的CAN测控设备,有的是 通过以太-CAN接口模块直接接到企业以太网上,有的是仍通过CAN总线网连接到以太网上;而新增加的设备则直接利用以太网接口模块接到以太网上,不再需要专门铺设CAN通信网来进行设备之间的信息传送。

图5 基于以太网的分布式控制应用系统框图
在以太网上,所有的CAN测控节点组成一个虚拟网段。CAN设备管理服务器是企业以太网中的任一控制节点,连在以太网上的WIN NT服务器安装专用网络管理软件就可让合法的工程技术人员远程管理CAN设备,通过以太网可同CAN设备进行数据通信。这样以太网就可完全替代原来的CAN总线网,同时,服务器使用WEB发布方式向网络客户提供动态交互式浏览网页。
随着工业自动化和办公自动化的发展,在一些场合,分布式控制系统的网络越来越庞大,现场总 线越来越受地域、铺设成本、负载容量的限制。另一方面,灵活、方便,安全性、可靠性高的以太网 飞速发展和因特网的普及,宽带网已深入家庭、办公室、旅店、工厂与车间,使人们在生活与工作的 各个地点,都可通过互联网来交换信息。在这种情况下,利用廉价的“网络通”,利用互联网取代现场总线,使原现场总线的分布式控制系统方便地转换成为基于以太网的分布式控制系统,将会得到越来越广泛的应用。