时间:2017-12-10 13:28
人气:
作者:admin
大功率宽频带线性射频放大器模块广泛应用于电子对抗、雷达、探测等重要的通讯系统中,其宽频带、大功率的产生技术是无线电子通讯系统中的一项非常关键的技术。随着现代无线通讯技术的发展,宽频带大功率技术、宽频带跳频、扩频技术对固态线性功率放大器设计提出了更高的要求,即射频功率放大器频率宽带化、输出功率更大化、整体设备模块化。
通常情况下,在HF~VHF频段设计的宽带射频功放,采用场效应管(FET)设计要比使用常规功率晶体管设计方便简单,正是基于场效应管输入阻抗比较高,且输入阻抗相对频率的变化不会有太大的偏差,易于阻抗匹配,另外偏置电路比较简单,设计的放大电路增益高,线性好。
本文的大功率宽频带线性射频放大器是利用MOS场效应管(MOSFET)来设计的,采取AB类推挽式功率放大方式,其工作频段为O 6M~10MHz,输出的脉冲功率为1200W。经调试使用,放大器工作稳定,性能可靠。调试、试验和实用时使用的测试仪器有示渡器、频谱分析仪、功率汁、大功率同轴衰减器、网络分析仪和射频信号发生器。
1.1 电路设计
设计的宽频带大功率脉冲放大器模块 要求工作频段大于4个倍频程,而且输出功率大,对谐波和杂波有较高的抑制能力;另外由于谐波是在工作频带内,因此要求放大器模块具有很高的线性度。
针对设计要求,设计中射频功率放大器放大链采用三级场效应管,全部选用MOSFET。每级放大均采用AB类功率放大模式,且均选用推挽式,以保证功率放大器模块可以宽带工作。考虑到供电电源通常使用正电压比较方便,因此选用增强型MOS场效应管。另外为了展宽频带和输出大功率,采用传输线宽带匹配技术和反馈电路,以达到设计要求。
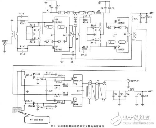
由于本射频功率放大器输出要求为大功率脉冲式发射,因此要求第一、二级使用的MOSFET应具备快速开关切换,以保证脉冲调制信号的下降沿和上升沿完好,减少杂波和谐波的干扰。设计中第一、二级功率放大选用MOSFET为IRF510和IRF530。最后一级功放要求输出脉冲功率达到1200W,为避免使用功率合成技术,选用MOSPRT MRFl57作为最后的功率输出级。所设计的射频脉冲功率放大器电路原理图如图1所示。

发射通道的建立都是在信号源产生射频信号后经过几级的中间级放大才把信号输入到功率放大级,最后通过天线把射频信号发射出去。
图1中,输入信号为20~21dBm,50Ω输入;工作电压为15V和一48V,其中15V为第一、二级功放提供工作电压,48V为最后一级功放提供工作电压;6V稳压输出可以使用15V或48V进行稳压变换,电路整体设计采用AB类功率放大,设计的驻波比为1.9。经过中间级放大后的信号,首先通过Tl(4:1)阻抗变换后进人功率放大器。在信号的上半周期Q1导通,信号的下半周期Q2导通;然后轮流通过T2(16:1)阻抗变换进入第二级放大,同样信号的上半周期Q3导通,下半周期Q4导通,完成整个信号全周期的能量放大;进入最后一级放大时使用T3(4:1)阻抗变换,以继续增加工作电流驱动大功率MOSFETMRFl57。为保证50Ω输出,输出端的阻抗变换为T4(1:9)。
电路中使用负反馈电路的目的是在整个带宽频率响应内产生一个相对平稳的功率增益,保持增益的线性度,同时引进负反馈电路,有利于改善输入回损和低频端信号功率放大的稳定性。
另外每一级电路设计中,都使用了滑动变阻器来设置每个管子的偏置电压,这样做大大降低了交越失真的发生,尽可能使放大信号在上、下半周期的波形不失真。
1.2 电路板(PCB)和传输线变压器设计
为保证整个频带内信号放大的一致性,降低杂波和谐波的影响,宽频带高功率射频放大器采用了AB类功率放大,以保证电路的对称性。在设计PCB时,尽量保证铜膜走线的形式对称,长度相同。为便于PcB板介电常数的选取,整个PCB板为铅锡光板。在信号输入和输出端使用了Smith圆图软件计算和仿真铜膜走线的形状、尺寸,以确保阻抗特性良好匹配。
设计中的关键技术之一就是传输线变压器的设计和制作。利用传输线阻抗变换器可以完成信号源与功率MOSFET管输入端或输出端之间的阻抗匹配。可以最大限度地利用管子本身的带宽潜能。传输线变压器在设计使用上有两点必须注意:一是源阻抗、负载阻抗和传输线阻抗的匹配关系;二是输入端和输出端必须满足规定的连接及接地方式。由于设计中采用了AB类功率放大方式,因此初级线圈的输入与次级线圈的输出要尽可能保证对称。设计中一共使用了T1、T2、T3、T4 4个传输线变压器。在前两级功率放大时,T1和T2的次级线圈都是一圈,T3的次级线圈是二圈,这是因为磁材料的饱和经常发生在低频端,增加T3的初、次级线圈数,有利于改善低频端性能。T1、T2、T3使用同轴线SFF-1.5-1的芯线作为初级线圈传输线,次级线圈采用铜箔材料设计,使用厚度为O.8mm的铜箔。T4为进口外购的高功率传输线变压器(型号:RF2067-3R)。设计的T1如图2所示。

图2中深色区域代表覆铜区域。铜箔管首先穿过磁环后再穿过两端的铜膜板并焊接在一起,完成次级线圈。T2的设计基本与Tl相似,只是使用同轴线SFF-1.5-l的芯线缠绕的初级线圈圈数不同而已。
73次级线圈的制作有些变化,目的是加强低频信号的通过程度。不使用铜箔管,而使用铜箔弯曲成弧形。如图3所示。

在每个磁环孔中穿过两个铜箔片,分别与两端的铜膜板焊接,这样整个线圈的次级线圈就是两圈,然后根据阻抗比完成初级线圈的缠绕。这样做的目的是在固定的阻抗比的情况下增加初、次级的圈数以改善放大器的低频特性。
1.3 散热设计
凡是射频功率放大,其输出功率很大,管子的功耗也大,发热量非常高,因此必须对管子散热。根据每一级管子的功耗PD以及管子的热特性指标,这些热指标包括器件管芯传到器件外壳的热阻ROJC,器件允许的结温为T1、工作环境温度为TA等,可以计算出需要使用的散热材料的 尺寸大小和种类。本设计中,器件的工作环境温度为55℃,使用的铝质散热片尺寸为290mm×110mm×35mm,而且需要使用直流风机对最后一级MOSFET进行散热处理。
设计中使用的放大管全是MOSFET,由于其抗静电性能非常差,稍不留神就会因为焊接设备上的静电把管子烧坏,尤其是最后一级的大功率MOSFET(MRFl57),因此管子安装时要特别小心。设计电路前,可以使用Multisim软件或Pspice软件中的器件模型来熟悉IRFSIO和IRF530的使用。
电路开始调试时,可以先不对最后一级的MOSFETMRFl57进行偏置电压设置。先通过测试前两级的放大效果来设定MRF157的静态工作点,测试得到的前两级信号放大结果为100V Vp-p(高阻输入)左右。调试时每个管子的工作点电压不要太高,略高于开启电压VC(TH)即可。在电源端一定要监视工作电流,防止电流过大。通过微调每个管子栅极端的变压器调整静态工作点,以求尽量减少波形失真。此时可以使用示波器监控波形输出。根据对前两级电路调试的实际结果来看,第一级主要对放大后的幅度有影响,而第二级则影响了放大后的波形。
调试最后一级功率放大时,由于MRFl57太过昂贵,一定要非常谨慎。每次调试时,尽可能先设置好每个管子的静态工作电压,不要动态改变静态工作点。终端接入5011大功率同轴衰减器后输入到频谱分析仪中。通过频谱分析仪的频域波形可以得到输出功率,以及谐波分量。
本文所设计的宽频带大功率放大器在实验室环境下完成了组装和测试,并长时间与发射线圈进行了联试。试验及实用表明,该放大器运行正常,工作可靠,能够完成宽频带射频脉冲的大功率放大,满足了设计要求,对在该频段下工作的某探测设备起了很大作用,效果良好。
上一篇:放大器的基本拓扑和参数设计与介绍