时间:2017-12-10 14:55
人气:
作者:admin
微波功率器放大器的非线性问题,在很多运用领域内都是值得重视的问题,例如卫星通信频分多址系统(FDMA)的卫星转发器中的功率放大器,一般来说都要放大多个地址的载波(几个、十几个甚至上百个载波),它处于多个载波工作状态,如果此时功率放大器工作在饱和附近,就会因为放大器的非线性产生互调分量而引起失真。因此,放大器的线性化引起了极大的关注。在低频频段内,要改善放大器的线性,最常用的办法就是采用负反馈技术,这是因为在低频频段内,放大器因其固有时延而引起的信号相移很小,这个相移对负反馈放大器的影响在较宽的频带内是不明显的。在微波频段内,放大器的时延效应已经明显了,如果采用负反馈来改善放大器线性只能使放大器在非常窄的频带内能稳定工作。因此,微波晶体管放大器要改善线性度,必须要采用其他的措施。
较经常采用的线性化措施之一就是补偿(back---off)技术,所谓补偿就是降低输入功率,使放大器工作点离饱和点远一点,工作在如图所示一曲线OA段范围内这一段的pout---pin曲线线性度,由此看出,补偿就是用降低输出功率的方法来减少非线性失真。这种方法简单,能使放大器得到较高的线性度,但是由于晶体管放大器直流工作状态不变,放大器的功率相应降低了,同时晶体管本身也“大材小用”,其能力没有充分地发挥出来,当需要大的功率输出时,就需要使用能输出更大功率的晶体管,这时器件也就提出了更高的要求。补偿技术的这些缺点,限制了它的广泛作用。

图一、晶体管放大曲线
要想既要得到较大的输出功率又要保证有较高的线性度,在微波晶体管功率放大器中,除了选择性能良好的晶体管,合理地选择晶体管的工作状态外,还必须采用有效的线性化措施。目前较为引起关注的线性化措施有预失真(Predistortion)技术和前反馈(Feed--for--word)技术,下面介绍这两种技术。
预失真技术就是在微波晶体管放大器前面接入一个线性器,用线性器的失真特性来补偿放大器的失真。图二是预失真技术的方框图及补偿放大器非线性的原理说明。图二a是预失真线性器的输入输出曲线示意图。图二b是微波晶体管放大器的输入输出曲线示意图。图中可以看出,经过预失真线性器的输出信号再进入放大器进行放大,从而补偿了放大器的非线性特性,使放大器线性度提高。
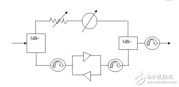
预失真线性器的结构有多种结构,图三就是其中的一种,输入信号先经过一个3dB耦合器分成两相位差90度的信号,一路经具有可调相位衰减器的线性支路,另一路经过由两个反向并联微波二极管组成的“非线性支路”,然后再经过一个3dB耦合器相加合成输出。

图二、预失真技术电路组合及原理说明
经过“线性支路”的信号随输入信号的增加而线性增加,经过“非线性支路”的信号的增加不呈现线性度化,根据微波二极管非线性特性,输入信号小时,二极管衰减大,输入信号增加时,二极管小,这样具有90度相位差的两路信号在输入3dB耦合器合成时,能获得图中的曲线特性。

图三 一种预失真线性器电路

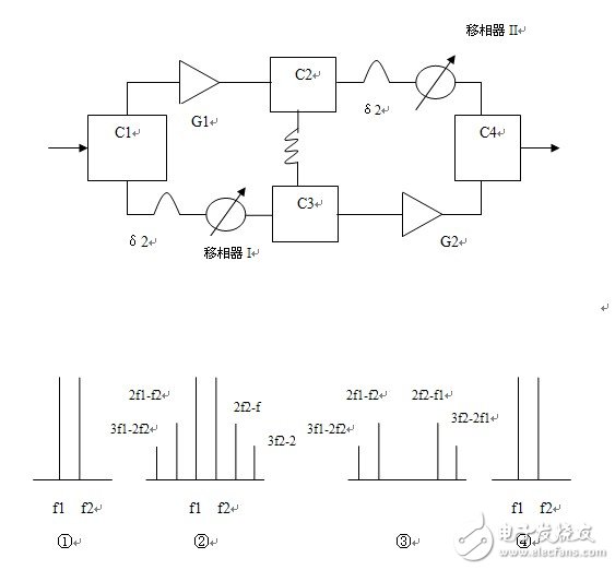
图四、前馈电路原理图及各点频谱图
前馈电路的基本工作原理可由图四中的电路组合框图及频谱图加以说明。前馈电路由四个定向耦合器(C1、C2、C3、C4)、两个移相器(δ1+微调移相器I、δ2+微调移相器II)、一个可调衰减器,一个主放大器G1,一个辅助放大器G2组成。其中G1是需要提高线性度的放大器。
输入为频率为F1+F2的信号,其频谱图为1,经过定向耦合器分为上下两支路输入,上支路信号由放大器G1放大,由于放大器的非线性,使其输出产生新的频率分量,例如三阶和五阶互调分量,其频谱图为2,该输出经定向耦合器C2分为两路,一路经移相δ2+微调移相器II进入定向耦合器C4,另一路经衰减器进入定向耦合器C3。由于这两路都是线性支路,因此进入定向耦合器C3,C4的信号频谱均为2,输入端经定向耦合器C1,后进入下支路的信号经移相器δ1+微调移相器I进入定向耦合器C3,由于该支路为线性支路,因此其频谱图仍为1,调节衰减器和微调移相器I,使进入定向耦合器C3的两路信号频谱中的F1,F2频率信号互相抵消,C3输出信号的频谱图为3,它只有三阶和五阶互调成分,该信号进入放大器G2,由于G2仅对小信号放大,认为是处于线性放大,因而G2输出信号的频谱为3,调节G2增益及微调移相器II,使进入定向耦合器C4的三阶、五阶互调成分一一对应抵消,结果G4的输出仅有F1、F2频率成分,其频谱图为4。对照输入、输出频谱图1和4,可知道整个放大器线性度极大地提高了。
其中的可变衰减器可用PIN管组成的电调衰减器,控制PIN管的篇置电路,可以使衰减器在0―20dB范围内连续变化。微调移相器是由变容二级管与3dB电桥组成的模拟式移相器,连续改变变容二级管上的偏置电压,可使移相器输出相位相对于输入信号相位变化140度。
为了保证通信发射机输出功率适宜、频率满足要求且稳定的射频通信信号,在射频功率放大电路中通常采用较复杂的信号检测及控制电路,它们在微控制器统一协调下互相配合工作。由于射频功率放大器的工作频率高、功率大、元器件工作在极限边缘,故对它进行监测和保护至关重要。现代通信设备在射频功率放大电路中广泛采用微控制器来检测、调整、控制电路的工作状态。图五为微控制器控制功放电路框图。它主要完成功率等级控制,自动电平控制,天线开路保护,负载失配保护,温度检测,收/发转换以及输入、输出功率指示,电源电压欠压指示,故障指示及告警等功能。通过正反功率检测、电流检测、负载静态检测及温度检测,将功放电路的工作状态信息经前向通道送入微控制器,由微控制器分析处理后经后向通道对功放中的相应电路进行控制调整,保证功率放大器始终工作在良好的工作状态。