时间:2019-03-15 14:05
人气:
作者:admin
随着多种通信标准广泛共存,越来越多的无线通信设备需要满足多频段、高带宽要求,这给系统设计,特别是射频电路设计带来极大的挑战。受制于半导体技术制约以及射频技术本身的复杂性,高性能、宽带射频集成电路的设计实现通常难度非常大,射频器件在满足高带宽、低噪声、无杂散动态范围等关键技术指标上常常左支右绌。而混频器作为射频电路设计的关键器件之一,无疑是典型代表。
熟悉射频电路的工程师通常了解两个术语——有源混频器和无源混频器。由于两种混频器固有的架构特点,有源混频器通常意味着高带宽,而无源混频器几乎等同于低带宽混频器。但是,混频器技术的高带宽和高性能似乎天生就有点鱼与熊掌不可兼得的尴尬——有源混频器泛泛的无杂散动态范围和线性度特性让其在很多对性能要求苛刻的宽带应用中黯然失色,而无源混频器尽管具有无杂散动态范围特性、线性度的明显优势明,但低带宽让人望而却步。然而,在像蜂窝基站这样的应用中,恶劣的工作环境和不断变化的市场格局要求接收器件具有极高的性能,为了满足高带宽设计需求,大部分都采用了具有良好带宽但其他性能指标平平的有源混频器。这样的折中无疑存在一定的性能隐患,例如更高的掉话率。

图1:ADL5811/5812将射频前端电路大大简化并提高射频电路性能。
在多频段/多标准蜂窝基站接收机、宽带无线电链路下变频器、多模式蜂窝中继器和微微蜂窝应用等常见的无线通信系统应用中,如果要利用到上述的无源混频器优势特性,通常的解决方案是采用多个窄带混频器。ADI公司利用三大创新技术有效解除了提高无源混频器带宽的“魔咒”,最近在业界首次推出宽带无源混频器——ADL5811/5812,700MHz到2800MHz的频率范围,让传统需要三块无源混频器的射频前端电路仅需单颗芯片即可实现,大大简化系统设计并提高射频电路性能(见图1)。
三大创新技术突破无源混频器的窄带“宿命”
ADL5811/5812无源混频器消除了一直以来宽带应用中选择有源或无源混频器必然面对的折中尴尬,因为它们不但能够提供工程师需要的线性度、失真和噪声性能,而且支持真正意义上的宽带频率工作模式。新款ADI无源混频器在单个器件中支持宽达700MHz至2800MHz的频率范围,其输入IP3(三阶交调)为24 dBm,SSB噪声系数为11dB ,功率转换增益为7dB。ADL5811/5812实现了业界最佳的线性度、噪声系数、无杂散动态范围和阻塞性能,而且这些性能规格在整个工作频率范围内保持稳定。
新款无源混频器出色表现要归功于三大技术(图2):宽带、限幅LO放大器;可编程RF巴伦变压器;可编程低通滤波器。其中最突出的是宽带方波限幅LO放大器,与传统的窄带正弦波LO放大器不同,允许将高于或低于RF输入的LO应用于极宽的带宽,这种放大器可以在250MHz到2760MHz的较高带宽范围内产生一种上升时间较快的高压方波,而不会导致直流电流上升。而这是窄带无源混频器中通常难以克服的问题。此外,由于不需要储能元件,因此直流功耗也随着LO频率降低而降低。
以前,窄带混频器集成一种由磁性或传输线路变压器构成的RF巴伦,有限带宽大大限制了此类混频器的应用。ADL5811/5812业界创新地首次采用了可编程的RF巴伦变压器结构,用来确保平衡的RF信号加载至FET混频器,能够在700 MHz至2800 MHz RF输入频率范围内实现最佳性能,在整个射频带宽内提供出色的LO至RF和LO至IF泄漏、出色的RF至IF隔离以及出色的交调性能。
ADL5811/5812采用的第三种创新技术是在混频器输出端集成了可编程低通滤波器, 低通滤波器可以滤除无用的边带信号,从而去除因无用边带信号引起的中频放大器的过早的压缩, 这样可以提高线性。ADI设计了一种调谐滤波器网络来提供适当的频端(为RF和LO频率的函数),由此降低了负载中无用边带的幅度。

图2:三大技术进步成就高性能宽带无源混频器:1.宽带、限幅LO放大器;2.可编程RF巴伦变压器;3.可编程低通滤波器。
此外,ADL5811/5812所采用的平衡混频器内核还能提供极高的输入线性度,使该系列器件能用在要求苛刻的宽带应用中。对于这些应用,如果输入线性度不高,带内阻塞信号可能会导致动态范围降低。平衡混频器内核所实现的阻塞器噪声系数性能与窄带无源混频器设计相当。在ADL5811/5812上,紧跟在无源混频器内核之后,采用了高线性度中频缓冲放大器,可提供7 dB的典型功率转换增益,并且可以与各种输出阻抗一起使用。
适合无线基础设施及软件无线电应用
ADL5811和ADL581高性能射频无源混频器适合各种宽带无线基础设施应用和软件定义无线电应用,包括多频段/多标准蜂窝基站接收机、宽带无线电链路下变频器、多模式蜂窝中继器和微微蜂窝应用。针对这些应用的设计通常要求高线性度和低噪声,而现有混频器解决方案通常需要使用外部元件,如巴伦和匹配元件,从而增加了设计和调试的复杂度,使设计变得更具挑战性。上述的ADL5811和ADL5812高性能特性在整个频带范围内都表现稳定,并可通过SPI调谐控制消除片外匹配元件的必要性,缩短设计时间、减少器件验证、降低开发成本、降低元器件成本、改进库存管理。
在GSM、CDMA、WCDMA、LTE等无线基础设施设计中,优异的线性度、转换增益、杂散抑制和低噪声系数对对增强接收器灵敏度和抗阻塞性能至关重要。这些无线基站通信标准定义了不同参数的下限指标,包括接收机的灵敏度和无线电信号性能,这些关键指标对无线基站中的每个射频功能模块提出了设计挑战。而作为信号通路中对灵敏度有关键影响的混频器,其性能特性非常重要,ADL5811/5812在继承无源混频器的卓越动态特性、高线性度、低噪声优势的同时,带宽上完全满足了这些应用需求,将成为包括蜂窝基站、微基站和微微基站等无线基础设施的最佳的混频器选择。ADL5811/5812的卓越性能将大大有助于降低通信运营商的掉话率等用户敏感的关键性能指标。
软件无线电应用的关键特性之一就是可重新配置和宽带适应性,ADL5811/5812的宽带、高性能和可编程特性使其非常适合软件无线电应用。ADL5811/5812突破性地将频率范围扩展到700MHz到2800MHz,不仅满足了宽带无线应用的频率要求,而且所有功能都通过三线式SPI(串行端口接口)轻松更改,设计师无需借助外部阻抗匹配元件也可对混频器进行调节。这些可编程特性包括:通过片上寄存器简单设置,双通道ADL5812的每个通道都可以独立使能或禁用;频率设置;中频输出低通滤波器设置,可以实现增益、噪声系数和输入三阶截取点之间的折中;混频器VGS设置;等等。

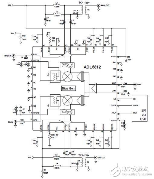
图3:ADL5812评估板原理图。
本文小结:
作为射频集成电路领域的领先供应商,ADI一直在致力于宽带射频电路的研发,利用完善的设计技术、系统知识与工艺技术,从业界领先的高性能分立RF功能模块,到高度集成的多功能、单芯片RF解决方案,提供覆盖整个射频信号链的RF产品。在混频器技术和市场上具有领先的优势,ADL5811和ADL5812无源混频器的推出再次为高性能射频电路设计提供了一款关键器件,兼顾高性能和高带宽。
作为完整无线通信信号链的一部分,ADL5811和ADL5812无源混频器可以与ADI的AD8375/6 IF DGA或ADL5561/2差分放大器及ADF435X系列频率合成器配合使用,共同构成完整的接收机信号链。
上一篇:三大操作系统在智能手机中性能评测
下一篇:新型射频仪器推动物联网发展