时间:2019-03-15 11:50
人气:
作者:admin
LS Research公司的TiWi-SL是高性能2.4GHz 802.11b/g WLAN模块,包括了必需的PHY,MAC和支持WLAN应用的网络层。模块和IEEE 802.11b/g兼容,WLAN发送功率+19.0dBm或+15dBm,WLAN灵敏度为-85dBm或-70dBm,工作电压2.9V~3.6V。主要用在HVAC控制、智能电网、传感器网络、医疗、家庭自动化和监测。
TiWi-SL是一款高性能2.4GHz WLAN模块,它在一个已经验证的引脚空间内,包括一个IP联网栈。
这一模块包括所需的PHY、MAC和网络层,以通过与主机微控制器与其他嵌入式处理器的简易SPI连接支持WLAN应用。

图1 TiWi-SL模块方框图

图2 实验板和TiWi-SL EM板外形图
TiWi-SL模块主要特性
•符合IEEE 802.11b/g标准
•典型的WLAN发送功率:+19.0 dBm,11 Mbps,CCK(b)
- +15dBm,54 Mbps,OFDM(g)
•典型的WLAN灵敏度:-85 dBm,8% PER,11 Mbps
- -70dBm,10% PER,54Mbps
•小的点位面积:14 mm×21mm
•外形高度低:2.3 mm
•工作电压:2.9V~3.6V
•工作温度:-40℃~+85℃
•嵌入式网络栈
•无线安全WEP,WPA个人版,WPA2个人版
•适用于PCB/芯片天线馈源的终端
•基于TI公司CC3000收发器的紧凑型设计
• SPI主机接口
•与微控制器的微处理器的简易集成
•世界认同:FCC (美国),IC (加拿
大Canada),ETSI (Europe)
•符合RoHS的要求
•与LSR设计服务进行顺畅开发
TiWi-SL模块应用
• HVAC控制,Smart Energy
•传感器网络
•医疗设备
•家庭自动化
•家庭监视
TiWi-SL模块主要特性

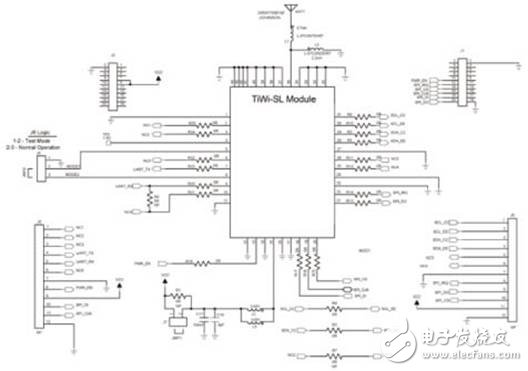
图3 TiWi-SL EM板电路图

表1 TiWi-SL EM板材料清单(BOM)
WLAN特性:
•符合IEEE802.11b/g的WLAN MAC基带处理器和RF收发器
•符合IEEE Std 802.11d,i PICS标准
•支持串行调试接口
•支持串行外设接口(SPI)主机接口
•媒质存取控制器(MAC)
- 嵌入式ARM中央处理单元(CPU)
- 采用64位、128位WEP、TKIP或AES键、基于硬件的加密/解密
- 支持无线保真(Wi-Fi)保护存取(WPA和WPA2.0)和IEEE的要求
- Std 802.11i
•基带处理器
• 2.4GHz音频
- 数字音频处理器(DRP) 的采用
- 内部 LNA
- 支持:IEEE Std 802.11b,802.11g,802.11b/g 支持网络栈的协议
•传输层
- TCP
- UDP
•网络层
- IPv4
- Ping
- DHCP
- DNS客户机程序
•链路层
- ARP 无线安全系统特性
•支持的模式
- 公开的(无安全性)
- WEP
- WPA-个人版
- WPA2-个人版
•支持的编密码类型,
- WEP
- TKIP
- AES
- Open
TiWi-SL EM评估模块板是一个面向LS Research TiWi-SL 802.11 b/g Wi-Fi模块的评估平台。在从器件和主器件TiWi-SL模块之间的通信是通过一个SPI接口进行的。
LSR 001-0001双极天线用于LSR 080-0001 U.FL至反极SMA线的连接和Hirose PCB安装型U.FL连接器,从而为LSR TiWi-SL无线模块提供一个额外的安装天线。
上一篇:新型射频仪器推动物联网发展