Ember公司的EM250是单片ZigBee解决方案,集成了2.4GHz, IEEE 802.15.4兼容的收发器以及16位XAP2b微处理器,128KB闪存和5KB SRAM存储器与基于ZigBee应用的外设.收发器允许和IEEE 802.11g 与蓝牙共存,接收灵敏度为-99dBm,输出功率为+3dBm,主要用于建筑物自动化和控制,家庭自动化控制,家庭娱乐控制以及财产跟踪等.本文介绍了EM250的主要特性,方框图和应用电路图与所用材料清单.此外还介绍了采用EM250和Skyworks公司的SKY65335和SKY65337的ZigBee前端模块参考设计的电路图和材料清单(BOM).
The EM250 is a single-chip solution that integrates a 2.4GHz, IEEE 802.15.4-compliant transceiver with a 16-bit XAP2b microprocessor. It contains integrated Flash and RAM memory and peripherals of use to designers of ZigBee-based applications.
The transceiver utilizes an efficient architecture that exceeds the dynamic range requirements imposed by the IEEE 802.15.4-2003 standard by over 15dB. The integrated receive channel filtering allows for co-existence with other communication standards in the 2.4GHz spectrum such as IEEE 802.11g and Bluetooth. The integrated regulator, VCO, loop filter, and power amplifier keep the external component count low. An optional
high performance radio mode (boost mode) is software selectable to boost dynamic range by a further 3dB.
The XAP2b microprocessor is a power-optimized core integrated in the EM250. It supports two different modes of operation—System Mode and Application Mode. The EmberZNet stack runs in System Mode with full access to all areas of the chip. Application code runs in Application Mode with limited access to the EM250 resources; this allows for the scheduling of events by the application developer while preventing modification of restricted areas of memory and registers. This architecture results in increased stability and reliability of deployed solutions.
The EM250 has 128kB of embedded Flash memory and 5kB of integrated RAM for data and program storage.
The EM250 software stack employs an effective wear-leveling algorithm in order to optimize the lifetime of the embedded Flash.
To maintain the strict timing requirements imposed by ZigBee and the IEEE 802.15.4-2003 standard, the EM250 integrates a number of MAC functions into the hardware. The MAC hardware handles automatic ACK transmission and reception, automatic backoff delay, and clear channel assessment for transmission, as well as automatic filtering of received packets. In addition, the EM250 allows for true MAC level debugging by integrating the Packet Trace Interface.
To support user-defined applications, a number of peripherals such as GPIO, UART, SPI, I2C, ADC, and generalpurpose timers are integrated. Also, an integrated voltage regulator, power-on-reset circuitry, sleep timer, and low-power sleep modes are available. The deep sleep mode draws less than 1μA, allowing products to achieve long battery life.
Finally, the EM250 utilizes the non-intrusive SIF module for powerful software debugging and programming of the XAP2b microcontroller.
EM250主要特性:
Integrated 2.4GHz, IEEE 802.15.4-compliant transceiver:
Robust RX filtering allows co-existence with IEEE 802.11g and Bluetooth devices
- 99dBm RX sensitivity (1% PER, 20byte packet)
+3dBm nominal output power
Increased radio performance mode (boost mode) gives - 100dBm sensitivity and + 5dBm
transmit power
Integrated VCO and loop filter
Integrated IEEE 802.15.4 PHY and lower MAC with DMA
Integrated hardware support for Packet Trace Interface for InSight Development Environment
Provides integrated RC oscillator for low power operation
Supports optional 32.768kHz crystal oscillator for higher accuracy needs
16-bit XAP2b microprocessor
Integrated memory:
128kB of Flash
5kB of SRAM
Configurable memory protection scheme
Two sleep modes:
Processor idle
Deep sleep—1.0μA (1.5μA with optional 32.768kHz oscillator enabled)
Seventeen GPIO pins with alternate functions
Two Serial Controllers with DMA
SC1: I2C master, SPI master + UART
SC2: I2C master, SPI master/slave
Two 16-bit general-purpose timers; one 16-bit sleep timer
Watchdog timer and power-on-reset circuitry
Non-intrusive debug interface (SIF)
Integrated AES encryption accelerator
Integrated ADC module first-order, sigmadelta converter with 12-bit resolution
Integrated 1.8V voltage regulator
EM250主要应用:
Target applications for the EM250 include:
Building automation and control
Home automation and control
Home entertainment control
Asset tracking

图1.EM250方框图

图2.EM250典型应用电路
图2中典型应用电路的材料清单(BOM):

Skyworks 和Ember ZigBee前端模块参考设计
Skyworks and Ember Reference Design for Industrys First Portfolio of Front-End Modules for ZigBee® Applications
Skyworks Solutions and Ember’s reference design for the industry’s first portfolio of ZigBee front-end modules targeting applications such as smart meters in energy management, home area networks (HAN), and industrial automation, is now available.
ZigBee is a wireless network global standard that addresses the unique needs of remote monitoring and control, and sensor-network applications. West Technology Research Solutions is forecasting the ZigBee/IEEE 802.15.4 market to grow at an annual rate of over 117 percent ─ from approximately 8.4 million units shipped in 2007 to as many as 516 million in 2012.

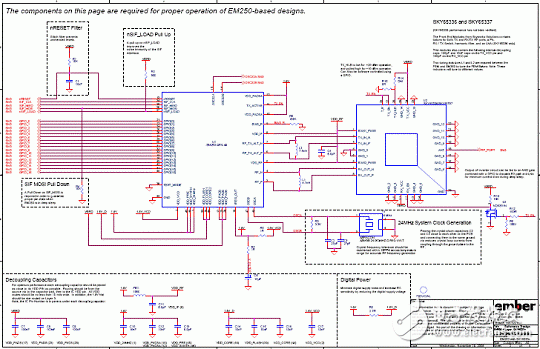
图3.ZigBee前端模块参考设计电路图(1)

图4.ZigBee前端模块参考设计电路图(2)
ZigBee前端模块参考设计材料清单(BOM):
