时间:2025-05-15 11:19
人气:
作者:admin
“Tick是新一代隐蔽式门禁系统植入设备,专门用于模拟中间人攻击(MITM)。”
同类项目对比

在扩大功能范围的同时,该设备仍然保持了方便、小巧的外形:

硬件
该设备不仅可以安装在阅读器后面,还可以安装在最便宜的 G3061 电烙铁上。使用手工涂抹的焊膏,焊接效果非常好:

在没有加热焊台的情况下进行手工焊接时,为避免意外损坏:
从组装 DC-DC 转换器开始,
验证其是否正常工作
安装 Wiegand 电平转换器
安装 ESP32-C3 模块
对设备进行编程
检查 HTTP 界面是否显示正确的电压电平,
继续安装 RS485 收发器,
验证 Wiegand 是否仍然正常工作
完成连接器的安装
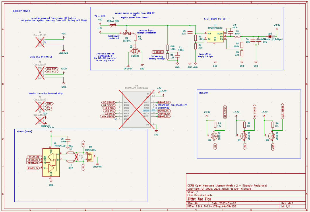
ESP32-C3
该设备在现成的 TENSTAR ESP32-C3 SuperMini Plus 模块上使用了 ESP32-C3FH4。某些非 Plus 模块的天线设计不正确,导致 WiFi 范围极差。要获得更好的范围,使用天线修改器可能是一个不错的选择。
DC-DC 转换器

由于没有使用 LDO,因此功耗和散热都很小。此外,该设备还具有反极性保护功能--只是无法启动,但不会爆炸。
电源可使用两个引脚兼容的 PMIC。
0.1 和 0.2A 版本的原理图:
使用 LMR51430 buck 转换器,额定电压高达 36V。
它的开关频率为 1.1 MHz,使用相对较小的 2.2uH 电感。
可能噪音更低,能效更高。
0.2B 版本的原理图:
使用 TPS54202 buck 转换器,额定电压高达 28V。
它的开关频率为 500 kHz,使用普通的 10uH 电感。
这无疑更具成本效益。
两种设计都能正常工作,随便使用哪种设计都可以进行组装。
最大电压会受到所安装电容和保险丝额定电压的进一步限制,但 BOM 中的元件足以让 24V 的读卡器安全运行。
电池供电
设备内置的 DC-DC 转换器设定为约 6V 关闭、6.4V 启动,当采用2S锂离子聚合物电池组供电时提供过放保护。附加负载(如连接的读卡器)不受此保护。电池电压可通过设备ADC测量,并可在设备网页界面中读取。
板载3针连接器的引脚排列与电池组平衡插头完全一致。
电平转换器

2N7002 N沟道MOSFET晶体管的绝对最大漏源电压额定值为60V。该板卡显然未针对此等电压设计,不建议将其接入该电压等级的带电安装系统,但该数值仍远高于门禁系统中常见的5-12V工作电压。
本电平转换器设计源自飞利浦半导体应用笔记AN97055中描述的"适用于I²C总线等系统的双向电平转换器"方案。该方案具备以下特性:
RS485收发器

本设备采用 THVD1410/THVD2410 收发器实现与OSDP系统的交互。PCB上安装该收发器后,通信线路的最大安全电压分别限制为18V/70V。设备配置为半双工、低速模式。总线终端电阻器可安装在PCB上,但通常无需启用即可正常运行。在非OSDP模式下,设备固件会将收发器设为高阻抗模式以避免干扰。
LCD 支持
支持本设备支持连接基于 SSD1306 的128x32 OLED显示屏,用于可视化读卡器交互操作。专用LCD连接器上提供双线接口(TWI)总线。
连接器

当前 PCB 版本采用京瓷AVX 9176-000系列绝缘刺破式连接器(IDC),支持最大20 AWG线径线缆,该配置专为现场部署设计。
若无需使用IDC连接器或需适配更粗线缆,接口焊盘预留了线缆直连焊孔:
桌面调试固定:笔者个人偏好使用22 AWG硅胶短线配合WAGO 221系列对接端子实现可靠连接
非标线缆适配:推荐采用汽车级IDC T2分线器实现快速连接
原理图 & PCB



项目仓库
https://github.com/jkramarz/TheTick