时间:2025-09-24 15:02
人气:
作者:admin
随着科技迅猛发展,智能安防技术正日益普及,显著提升了生活便利性与安全感。其应用已从城市主干道的交通违法监测、工业园区的设备运行状态监控,延伸至社区出入口的人脸识别身份核验与管理,以及智能家居的异常行为预警,深度赋能公共安全、交通管理、工业生产、社区治理与家庭生活等多元场景,成为现代社会运行中不可或缺的“感知神经”。
针对智能安防应用,上海贝岭提供电源管理、接口、电机驱动、音频功放等一站式芯片解决方案,助力智能安防构筑高清化、低功耗、智能化的安全防线。
方案介绍

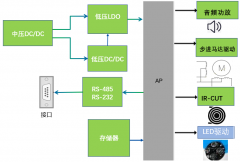
图1 安防摄像头应用框图
上海贝岭为智能安防监控
提供芯片系统级解决方案:
电源管理芯片:BL8032G、BL8028、BL8036、BL1117、BL9161G、BL9162、ME6306等产品为各模块(主控、Sensor、网络等)提供高效、稳定供电,保障设备在宽电压、极端环境下持续可靠运行。
接口芯片:BL13232E、BL1585B提供可靠有线通信能力(RS-232和RS-485接口),满足专业安防短距离点对点以及长距离多节点的传输需求。
音频功放:BL6306、BL6281G、BL8002驱动清晰双向语音对讲,提升智能安防等场景交互体验。
马达驱动芯片:SA3988、SA8309D、ULN280X系列实现云台(PTZ)和自动对焦(AF)的精准、静音控制,赋予安防摄像头灵动“双眼”。
LED背光驱动:ME2215与BLL2770为摄像头红外补光灯提供稳定、可控的电源,确保夜间或低光照环境下监控画面清晰、无过曝。
上海贝岭多元化产品协同,为智能安防摄像头系统提供从感知、供电到控制、通信的全方位芯片级解决方案与可靠性保障。
电源管理
稳定的供电系统是安防摄像头的生命线,安防摄像头需要7x24小时不间断运行,其供电系统的稳定性、高效性及宽适应性是设备可靠性的基石。上海贝岭提供全系列、高性能的电源管理芯片,覆盖安防摄像头供电链路各个环节:
高效核心供电:BL8036、BL8032G、BL8028、ME3100、BL1117、BL9161G、BL9162、ME6306等产品为安防摄像头提供多路供电输出,为主控、Sensor、内存等核心模块提供纯净、稳定的电压,保障图像清晰流畅,系统运行稳定。
安防摄像头电源推荐选型

马达驱动
马达(电机)是赋予安防摄像头“行动力”的关键执行器,使其能够主动追踪目标、清晰捕捉画面以及智能切换日夜模式。根据功能和摄像头类型(固定式、云台球机/枪机、室内智能追踪等),一台安防摄像头通常需要 1个至3个甚至更多电机驱动芯片,主要控制以下核心功能:
控制云台旋转驱动:贝岭推出ULN280X系列步进电机驱动,用于控制摄像头水平、垂直方向的转动以及光学变焦,实现高精度角度定位和平稳、静音的旋转效果。
控制自动对焦驱动:贝岭推出SA3988和SA8309D马达驱动芯片,用于控制需要快速响应和位置反馈的电机,该芯片具备精确的PWM速度控制、刹车功能以快速稳定镜头以及完善的保护机制(堵转、过流),助力摄像头清晰捕捉不同距离的目标。
控制红外滤光片切换驱动:贝岭推出SA3988、SA8309D,用于驱动一个简单的机械切换机构。芯片控制该机构在光线充足时移入红外滤光片(保证色彩真实),在低照度时移开红外滤光片(使红外光进入以提升夜视效果)。
安防摄像头电机驱动推荐选型

接口
在智能安防系统中,可靠、抗干扰且能远距离传输的有线通信,是专业级部署的关键需求。RS-485和RS-232作为经典的串行通信接口,凭借其成熟的稳定性和出色的环境适应性,在特定安防摄像头场景中扮演着不可或缺的角色:
云台球机/PTZ枪机控制:控制室主机可通过 BL1585B和BL13232E可靠地发送PTZ指令(水平/垂直转动、变焦、预置位调用),驱动多个球机协同工作;同时该方案可连接周界报警探测器(如红外对射、震动光纤),将报警信号稳定、实时传回主控设备,触发摄像头联动响应。
安防摄像头接口推荐选型

音频功放
在智能安防应用中,清晰、可靠的音频功能已成为提升用户体验和安全效能的关键。贝岭音频功放凭借其低功耗、小体积的核心优势,是驱动安防摄像头扬声器实现高品质声音输出的理想选择,主要应用于驱动扬声器,让用户通过手机APP或室内终端清晰听到现场摄像头声音并实现远程喊话功能——这正是智能门铃、室内看护摄像头、可视对讲系统等场景的核心功能。
安防摄像头音频功放推荐选型

LED背光驱动
在智能安防应用中,LED背光驱动是守护夜间视界的“智慧心脏”。它绝非简单点亮红外灯,而是通过提供稳定、精准的电流驱动,确保补光灯珠高效、长寿工作。其核心价值在于实现智能调光,可根据环境光线强弱自动调节红外灯亮度,有效避免强反射物体的过曝现象,确保暗部细节清晰可见的同时亮部不过白,从而输出画面均匀、细节丰富的优质夜视影像,真正实现24小时全天候精准监控。
安防摄像头LED背光驱动推荐选型
