时间:2023-10-12 10:14
人气:
作者:admin
软件无线电射频芯片可依据需求灵活调节工作频率、信号带宽、采样率等主要参数,被誉为无线收发系统的“百变金刚”,在不同传输体制间提供波形产生和信号采集功能,广泛应用于通信、导航、雷达等领域,其高度可编程的特性还能为收发系统提供信号链路实时配置和远端升级的特殊能力,极大提升灵活性。
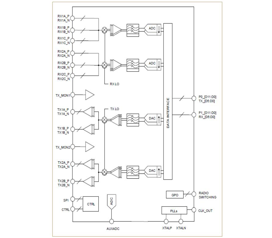
作为国内首款国产5G超低功耗射频收发机芯片,GC080X系列射频收发机芯片是地芯科技完全自主研发的创新产品,其中包含十数项中美前沿专利技术,可广泛应用于几乎所有现代化数字无线通信系统,比如通用软件无线电系统、5G/4G LTE及专网无线通信基站、多功能智能终端、点对点通信系统。

在参数方面,GC080X系列能够支持的频率范围为30MHz ~6GHz,支持超宽和超窄带宽需求,覆盖了几乎所有通信的频率需求,包括从物联网到射频的专网通信、卫星通信、航空航天等需求。
可配置射频带宽能够支持小于200KHz到100MHz的范围,满足了低窄带和宽带的需求(目前小基站通信系统,包括5G基站都至少需要100M)。接口方面支持CMOS、LVDS、Analog IQ。

GC080X系列射频收发机采用直接变频架构,具有超低功耗、高调制精度、低噪声的卓越性能。该系列产品高度集成的2T2R收发机,具有镜像抑制校准、本振泄露校准、发射功率监控、杂散抑制以及接收通道增益校准等功能,支持4G、5G,支持TDD和FDD制式,同时还支持低功耗睡眠模式,支持多芯片同步功能,支持MIMO等多芯片使用场景。
GC080X系列还支持Virtual Chip-Split技术,可以把模拟的IQ信号拉出来,把这颗芯片做一个自由组合,即客户可以根据自己的需求灵活配置,可以实现射频信号到模拟信号之间的转化,也可以实现模拟信号到数字信号之间的转化。
得益于自主创新的设计,GC080X系列Die面积可以实现比国际领先竞品的缩小了50%以上,这也意味着GC080X系列的功耗更低、成本也将更低,如有需求,国芯思辰可全程提供技术服务与供货渠道。
注:如涉及作品版权问题,请联系删除。