时间:2023-08-10 14:52
人气:
作者:admin
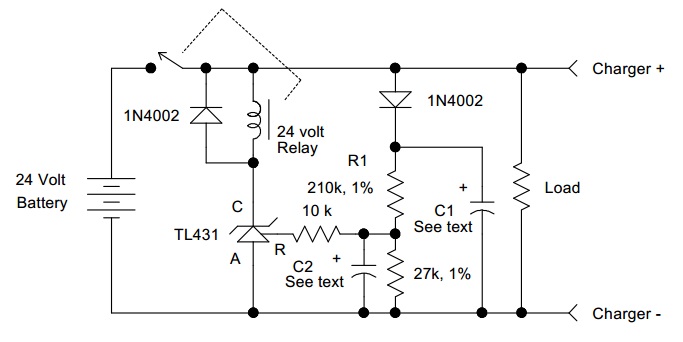
上面的电路图是一个电池监控电路,当电池放电时,它会断开负载,预计深度放电可能会导致电池永久性损坏。当电池充电器或其他直流电源连接到负载时,电池会自动重新连接。选择需要小于 100mA 线圈电流且触点能够处理负载和充电电流的继电器。

TL431 是三端子可调并联稳压器,具有出色的温度稳定性和高达 100mA 的输出电流处理能力。通过选择两个外部分压电阻器,可以将输出电压设置为 2.5 至 36 伏之间的任何选定电压。在许多需要改进齐纳性能的应用中,该组件可用作齐纳二极管的替代品。
C1 应约为 100uF,C2 可能接近 1uF。 C2 只是将继电器的闭合延迟足够长的时间,以便 C1 充电,并且 C1 保持继电器闭合足够长的时间,以便电池电压爬升至截止点以上(如图所示,电路约为 22V)。对于 12V 电池,210 K 欧姆电阻器可以减小至 92 K 欧姆。如果需要更低的压差,这些 R1 值可以替换为更小的值。如果电池深度放电,且延迟时间与 C1 值成正比,则电路可能会循环打开和关闭数次。在继电器连接该电路中的电池之前,负载会看到充电器的全电压。