时间:2022-09-15 09:41
人气:
作者:admin
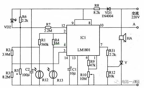
火灾报警器电路工作原理

看下图是一种火灾报警器电路。电路由光敏电阻和发光二极管作传感器,电路安装时,发光二极管VD2应放在光敏电阻R12、R13之间,同时保证发光二极管与R12中间没有气流。电路的输入级为电桥,由R1、R4和光敏电阻R12、R13组成。信号处理由烟雾专用集成电路组成。电路输出一端接LM1801的3脚,另一端接4脚。只要电桥的平衡被破坏,晶闸管V就被触发,引起主电源上的扬声器发出报警声。

气体烟雾报警器电路图

气体烟雾报警器电路主要由直流电源、气体传感器及报警电路三部分构成。
当发气敏传感器接触到可燃气体时,其阻值降低,使555时基电路复位端4端的电位上升,当4端的电位达到集成块1/3工作电压时,555时基电路的3脚输出信号,喇叭就发出报警信号。

气体烟雾报警器电路原理图
审核编辑:汤梓红