全球最实用的IT互联网站!
人工智能P2P分享搜索全网发布信息网站地图标签大全
二维Bi₂O₂Se光电特性及其光电子器件研究进展综
阅读全文2023-07-11
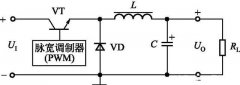
降压式DC/DC变换器的拓扑结构/工作原理/特点
阅读全文2023-07-10
限制出口的镓和锗有何重要性?
国产碳化硅进击8英寸 8英寸有何优势
RA6T2的16位模数转换器操作 [1] 简介,A/D转换器概
一文详解同相放大器电路
求和放大器电路图解析
差分放大器公式,惠斯通电桥差分放大器电路分
运算放大器微分电路解析
三星进军GaN代工
数字电压表设计教程之LTC2308数据手册解读
慧能泰负载开关HUSB305A产品介绍
德州仪器新型单级转换器助力微型逆变器
IGBT短路失效分析
CPU | 内存 | 硬盘 | 显卡 | 显示器 | 主板 | 电源 | 键鼠 | 网站地图
Copyright © 2025-2035 诺佳网 版权所有 备案号:赣ICP备2025066733号 本站资料均来源互联网收集整理,作品版权归作者所有,如果侵犯了您的版权,请跟我们联系。