全球最实用的IT互联网站!
人工智能P2P分享搜索全网发布信息网站地图标签大全
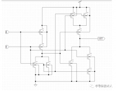
用于基准电压产生的启动电路设计
阅读全文2023-07-06
一起看看TTR-921 TCAS计算机故障案例
氮化硅是半导体材料吗 氮化硅的性能及用途
用CMOS传输门实现一个异或门电路
二端口网络噪声分析方法在低噪声放大器中的应
什么是逆变器?逆变器与转换器有何不同?
N阱CMOS工艺版图
低噪声放大器的宽带匹配技术介绍
一文详解惠斯通电桥工作原理
带你认识带隙基准电路
数字电压表设计教程之LTC2308数据手册解读
慧能泰负载开关HUSB305A产品介绍
德州仪器新型单级转换器助力微型逆变器
IGBT短路失效分析
CPU | 内存 | 硬盘 | 显卡 | 显示器 | 主板 | 电源 | 键鼠 | 网站地图
Copyright © 2025-2035 诺佳网 版权所有 备案号:赣ICP备2025066733号 本站资料均来源互联网收集整理,作品版权归作者所有,如果侵犯了您的版权,请跟我们联系。