时间:2023-03-14 11:27
人气:
作者:admin
锂离子充电器芯片是调节电池充电电流与电压的关键设备,常用于便携式设备,如便携式蓝牙音箱。随着锂电池的应用场景拓展,电池充电也提出了更高的要求,本文主要介绍了优晶YS4054BSC充电芯片,主打高集成度,外围精简,能够很好的降低系统成本并且简化系统设计。
优晶YS4054BSC是一款采用恒定电流/恒定电压算法的单节锂电池充电器,它可以依靠一个USB端口或AC适配器工作,最大能够提供500mA的充电电路。芯片内部采用了PMOSFET架构,加上防倒充电路,所以不需要外部检测电阻和隔离二极管。热反馈可对充电电流进行自动调节,以便在大功率操作或高环境温度条件下对芯片温度加以限制。

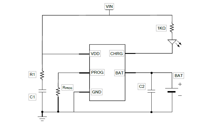
YS4054BSC典型应用图
当输入电压(交流适配器或USB电源)被拿掉时,YS4054BSC自动进入一个低电流状态,电池漏电流在3uA以下。YS4054BSC的其他特点包括充电电流监控器、欠压闭锁、自动再充电和一个用于指示充电结束和输入电压接入的 状态引脚。
优晶YS4054BSC用于便携式蓝牙音响的主要优势:
1、高精度充满检测电压阈值:4.2V 精度±42mV;
2、待机电流<3uA;
3、具有BAT-VDD 防倒灌功能;
4、支持0V电池充电,电池反接保护;
6、线性充电模式,充电电流可达 500mA;
7、涓流/恒流/恒压三段式充电;
8、充电电流外部可调,充电电流智能热调节;
9、自动再充电,充电状态指示;
10、符合 IEC62368 最新标准,SOT23-5L 封装;
注:如涉及作品版权问题,请联系删除。