时间:2022-05-17 09:48
人气:
作者:admin

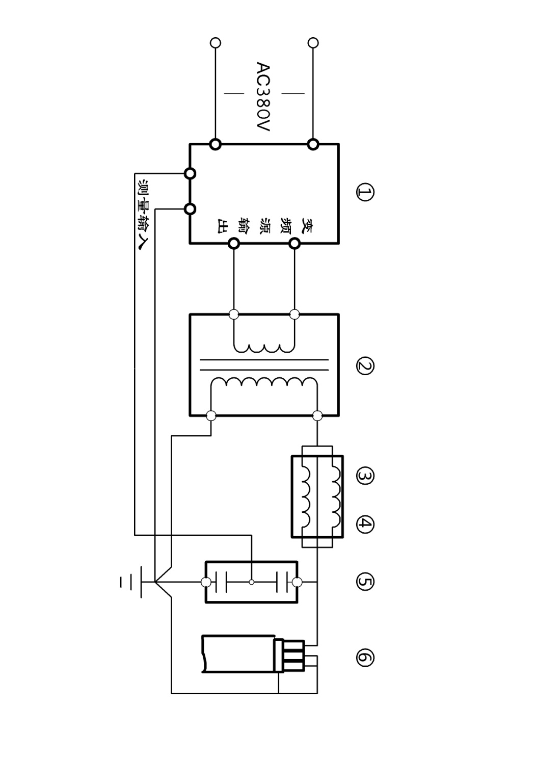
(一)变频串联谐振交流耐压装置接线示意图

变频串联谐振试验接线图
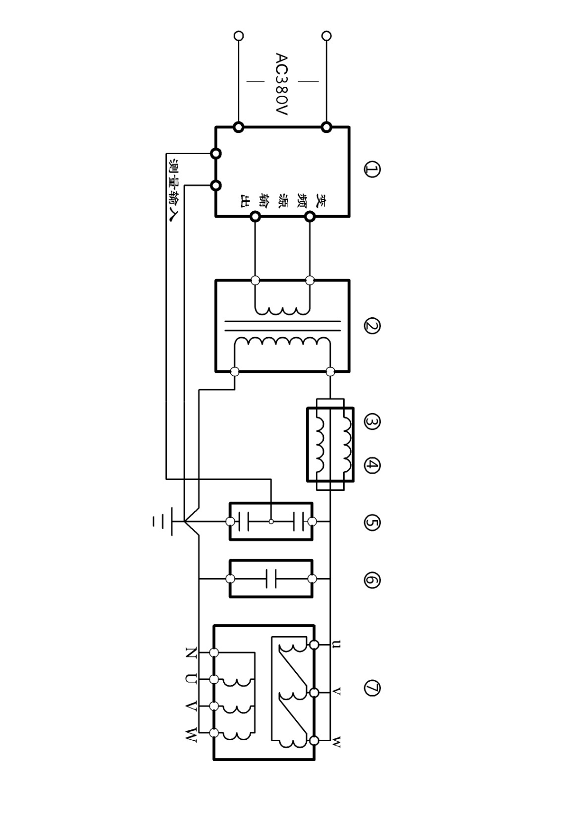
(二)交联乙烯电缆的交流耐压

电缆耐压试验接线图
①变频电源 | ②激励变压器 | ③电抗器 | ④电抗器 |
⑤分压器 | ⑥试品电缆 |
(三)变压器等的交流耐压试验

变压器耐压试验接线图
①变频电源 | ②激励变压器 | ③电抗器 | ④电抗器 |
⑤分压器 | ⑥补偿电容(选配) | ⑦试品变压器 |
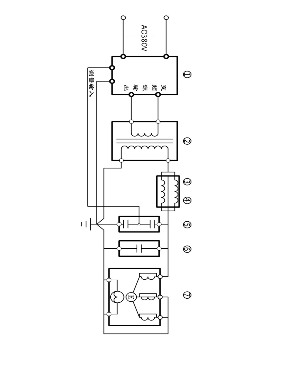
(四)发电机等的交流耐压试验

发电机耐压试验接线图
①变频电源 | ②激励变压器 | ③电抗器 | ④电抗器 |
⑤分压器 | ⑥补偿电容(选配) | ⑦试品发电机 |