时间:2022-08-26 17:11
人气:
作者:admin
2022 年 6 月 23 日,国家能源局综合司发布了关于征求《防止电力生产事故的二十五项重点要求(2022年版)(征求意见稿)》意见的函,向各相关单位征集研提意见,完善《防止电力生产事故的二十五项重点要求(2022年版)》(以下简称为《重点要求》)的进一步修订。
此次发布的《重点要求》在条例 2.12.1 中明确标注了:中大型化学储能电站不得选用三元锂电池、钠硫电池,不宜选用梯次利用动力电池;选用梯次利用动力电池时,应进行一致性筛选并结合溯源数据进行安全评估。
英集芯磷酸铁锂解决方案
锂离子电池由正极材料、负极材料、隔膜、电解液四个部分组成,主要按照正极材料的不同进行分类。在储能领域,目前应用较为广泛的是采用磷酸铁材料的磷酸铁锂电池,和采用三元材料的三元锂电池。

相比三元锂电池,磷酸铁锂电池在遭受短路、挤压、针刺等意外情况时,依旧稳定安全,不易起火爆炸;磷酸铁锂电池还具备较好的快速充电特性,可实现3C~5C的高倍率充放电,对过充过放电的承受能力也更强。
磷酸铁锂电池中的正极磷酸铁材料以铁为主要原料,重金属与稀有金属等占比较少,不仅成本可以做到更低,而且无毒性,对环境污染更小;磷酸铁材料同时还具备长寿命的特点,在进行至少 1500 次循环后储电量仍能保持≥80%。

磷酸铁锂电池与三元锂电池的工作电压范围不同,市面上当前绝大多数锂电管理芯片均针对三元锂电池设计,不太适用磷酸铁锂电池。
此外,多串磷酸铁锂电池在实际应用时,需要配合锂电保护新品的电池均衡功能,降低电压过高电池的充电电流,让亏电的电池得到全部充电电流,使电池的电压达到一致,从而使串联电池组中每一节电池都能充满电。
英集芯作为国内锂电池电源管理芯片的领导者,响应市场潮流趋势,针对磷酸铁锂电池应用,推出了一系列的解决方案。
充电芯片
英集芯目前推出了IP2325、IP2326、IP2365、IP2301四款充电管理IC,涵盖1~4串磷酸铁锂电池充电应用。
英集芯IP2325
英集芯IP2325是一款支持2-3节串联锂电池/锂离子电池的升压充电管理IC,集成功率MOS,采用同步开关架构,使其在应用时仅需极少的外围器件,并有效减小整体方案的尺寸,降低BOM成本;支持充电NTC温度保护、IC过温保护、输出过流、过压、短路保护。支持磷酸铁锂电池最低2.5V的充电电压。

英集芯IP2325采用ESOP8封装,输入耐压20V,支持15W输入同步开关升压充电;升压开关充电转换器工作频率500KHz,可支持2.2uH电感;在5V输入,8V/1.2A输出时转换效率达93%;具有输入限压功能,可以智能调节充电电流,自适应适配器负载能力;支持外接电阻来调整充电电压。
英集芯IP2326
英集芯IP2326是一款内部集成充电均衡功能的2/3串锂电池升压充电IC,内部集成开关管,可通过QC3.0根据电池电压动态调节输入电压以优化升压转换效率。支持单灯充电状态指示,输入耐压25V,支持NTC电池温度检测,支持输入欠压,过压保护和充电超时保护。IP2326用于2串充电时,可提供充电均衡功能。
值得一提的是,英集芯IP2326还可用于2串锂电代替9V供电的万用表电池。使用5V升压充电,通过自带均衡功能,放电电池直接输出。相比5V线性充电再升压的设计,效率大幅提升且放电无干扰。

英集芯IP2365
英集芯IP2365是一款集成同步降压开关的降压转换器、支持1~4串三元锂电池/磷酸铁锂电池降压充电管理IC。内臵功率MOS,采用同步开关架构,开关频率400kHz,在24V输入,16V/2A输出时,转换效率达94%。可用于20V固定电压输入的场合,也可用于充电座充使用。

英集芯IP2365支持5到26V电压输入,最大输出电流3A,输入电流和充电电流可由电阻设置,支持NTC电池温度检测,支持输入过压、欠压保护,支持单灯充电状态指示,电池节数由电阻设定,输出支持过流保护和短路保护,内置软启动功能及输入电流自适应调节功能。
英集芯IP2301
英集芯IP2301是一款高集成度、高性能的支持1~3节三元锂电池/磷酸铁锂电池充电的线性充电器。IP2301具有涓流充电、恒流和恒压充电三种充电过程,IP2301线性充电器具有非常灵活的配置,可编程充电电流最大到1A、其充电电压精度可达±0.5%。

英集芯IP2301允许出厂配置预充电电流/截止电流/CV电压和输入过压保护门限,其集成高压输入保护电路可以承受高达38V的输入浪涌电压。IP2301具有电池温度NTC监测、充电超时保护、输入过压、电池过压、热保护和状态指示等功能。
保护芯片
英集芯的IP3102、IP3112、IP3221、IP3232、IP3254、IP3255这六款锂电保护芯片,全系列均支持磷酸铁锂电池,过放保护电压最低2.0V。
英集芯IP3102
英集芯IP3102提供一种用于单节锂离子/聚合物可充电电池的初级保护的解决方案。芯片集成了聚合物可充电电池安全运行所需的所有保护检测和控制;保护功能包括放电过流、充电过流、过充、过放电池的检测和保护。

IP3102正常工作仅需要1uA左右的工作电流,可承受高达28V的浪涌电压。其工作在-40℃~+85℃的温度范围内,大大拓宽了芯片的使用条件。采用小而薄的DFN6封装,便于小型电池包装设计。
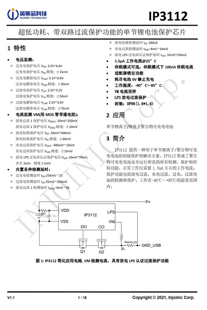
英集芯IP3112
英集芯IP3112是一款超低功耗、带双路过流保护功能的单节锂电池保护芯片,提供一种用于单节锂离子/聚合物可充电电池的初级保护的解决方案;芯片集成了聚合物可充电电池安全运行所需的所有检测、保护和控制功能;保护功能包括放电过流、充电过流、过充、过放电池的检测和保护。

英集芯IP3112 正常工作电流仅1.5uA左右,可选休眠模式,休眠电流100mA;工作在-40℃~+85℃的温度范围内,大大拓宽了芯片的使用条件;采用小而薄的DFN6封装,便于小型电池包装设计。
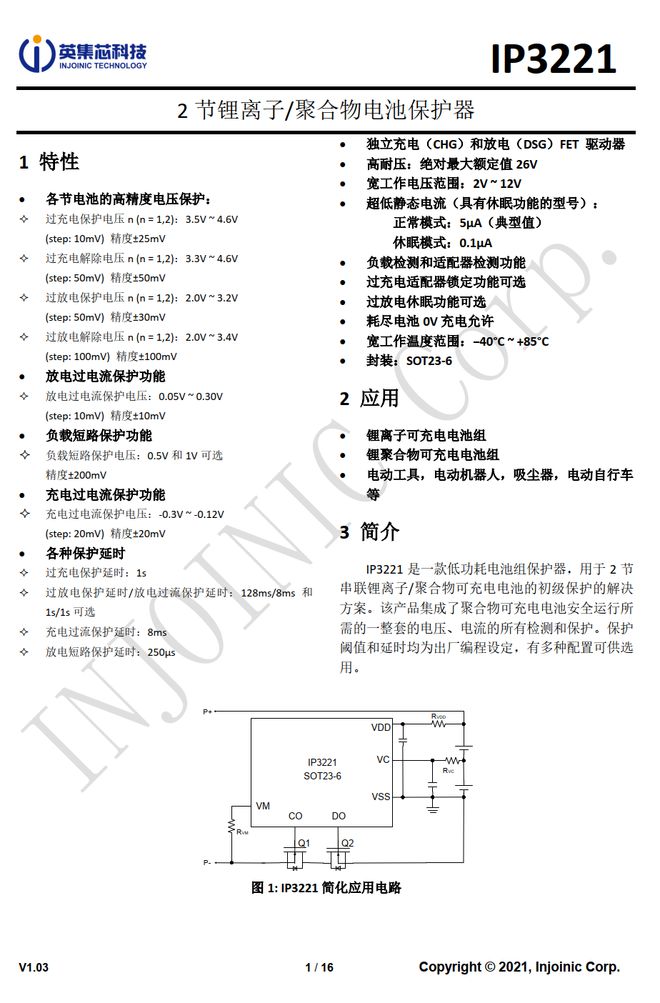
英集芯IP3221
英集芯IP3221是一款低功耗电池组保护器,用于2节串联锂离子/聚合物可充电电池的初级保护的解决方案。该产品集成了聚合物可充电电池安全运行所需的一整套的电压、电流的所有检测和保护。保护阈值和延时均为出厂编程设定,有多种配置可供选用。

英集芯IP3221采用 SOT23-6 封装,耐压最高26V,工作电压范围2V~12V,工作温度范围-40°C~+85°C,集成独立充电(CHG)和放电(DSG)FET驱动器,正常模式电流5uA,休眠模式电流0.1uA。
英集芯IP3232
英集芯IP3232是一款低功耗电池组保护器,用于2~3节串联锂离子/聚合物可充电电池的初级保护的解决方案。该产品集成了聚合物可充电电池安全运行所需的一整套的电压、电流和温度所有检测和保护;保护阈值和延时均为出厂编程设定,有多种配置可供选用。

英集芯IP3232采用DFN10封装,VDD工作电压范围3V~24V,工作温度范围-40°C~+85°C,最高耐压28V,支持断线检测、充放电状态检测,可选休眠功能、过放电负载锁定功能、充放电可外部控制CTL功能。
英集芯IP3254
英集芯IP3254是用于3节/4节串联锂离子/聚合物可充电电池保护的IC。系列内置高精度电压检测电路和延迟电路,通过SEL端子实现3节/4节电池切换;芯片支持高精度电压检测保护、充电过流保护。

英集芯IP3254采用TSSOP16封装,支持三段过流检测、断线检测功能,内置均衡电路,不需要任何外围元件即可实现电池充放电均衡;并且还可以外扩MOS管增大均衡电流,工作电流仅35A(含15uA充电mos驱动电流),休眠模式电流仅3.5A。

英集芯IP3255
英集芯IP3255是用于3节/4节串联锂离子/聚合物可充电电池保护的IC,系列内置高精度电压检测电路和延迟电路,通过SEL端子实现3节/4节电池切换 ,内置高精度电压检测保护、充电过流保护、充放电NTC高低温保护功能。

英集芯IP3255采用TSSOP16封装,支持三段过流检测、断线检测功能,内置均衡电路,并且还可以外扩 MOS 管增大均衡电流,工作电流仅35A(含 15uA 充电mos 驱动电流),休眠模式电流5A。
升降压芯片
英集芯的IP2368、IP5389、IP5386这3款升降压芯片,支持磷酸铁锂电池大功率双向快充应用。
英集芯IP2368

英集芯IP2368是一款集成AFC/FCP/PD2.0/PD3.0等输入输出快充协议和同步升降压转换器的锂电池充放电管理芯片,内置四管H桥同步升降压开关管驱动,可自动申请快充以最大功率充电,输入端支持5-20V电压,通过升降压电压转换,自动切换升压或降压,调节输出电压为多串电池组充电,还支持最大100W的反向放电输出。

英集芯IP2368支持使用2-6节串联的电池组,电池充满电压支持电阻设置,适配磷酸铁锂和三元锂电池,充分满足不同设备的电池种类。IP2368默认支持四灯电量指示,电池组初始容量可通过电阻配置,可实现精准的电量显示。采用QFN7封装,相比传统升降压方案更加节省空间。
英集芯IP5389
英集芯IP5389是一款集成多种快充协议、同步双向升降压转换器、锂电池充电管理、电池电量指示等多功能的电源管理SOC,为快充移动电源提供完整的电源解决方案。可同时支持USB A x2,USB C,USB B(或lightning 口,或USB C)四个USB口,单独使用任何一个USB口都可以支持快充,同时使用两个及以上输出口时,只支持5V。

英集芯IP5389支持2/3/4/5节串联电芯,同步开关升降压系统可提供最大100W功率输入输出。空载时,自动进入休眠状态。应用时只需一个电感实现双向降升压功能,在应用时仅需极少的外围器件,有效减小整体方案的尺寸,降低BOM成本。芯片的同步开关充电系统,可提供高达8.0A充电电流。内置IC温度、电池温度和输入电压控制环路,智能调节充电电流。
英集芯IP5386
英集芯IP5386是一款集成多种快充协议、同步双向升降压转换器、锂电池充电管理、电池电量指示等多功能的电源管理SOC,为快充移动电源提供完整的电源解决方案。IP5386 可同时支持USB-A x2,USB-C,Lightning口四个USB口,单独使用任何一个USB口都可以支持快充,同时使用两个及以上输出口时,只支持5V输入输出。

英集芯IP5386支持2节、3节、4节串联电池,同步开关升降压系统可提供最大45W 的输入输出功率,轻载时自动进入休眠状态。 应用时仅需极少的外围器件,只需一个电感实现双向升降压功能,有效减小整体方案的尺寸,降低BOM成本。芯片的同步开关充电系统,提供高达8A 充电电流,内置芯片温度、电池温度和输入电压控制环路,智能调节充电电流。
总结
电池作为与人们生产生活息息相关的储能装置,其安全性应当作为首要考虑因素,此次《重点要求》的出台,在中大型化学储能电站中对三元锂电池和钠硫电池做出禁用限制,无疑是对磷酸铁锂电池应用的一个重大利好,市场对磷酸铁锂电池的需求也将迎来增长。
安全、循环寿命长、支持快速充放电、成本低廉作为磷酸铁锂电池的四大优势,使其更加适合在户外电源等集中式储能场景中使用。英集芯面向磷酸铁锂电池应用,推出的充电芯片、保护芯片、升降压芯片组成的全套解决方案,将加速磷酸铁锂电池的普及。