时间:2021-08-11 10:29
人气:
作者:admin
2021年8月11日,致力于亚太地区市场的领先半导体元器件分销商---大联大控股宣布,其旗下友尚推出基于安森美半导体(ON Semiconductor)NCP1342控制器IC的超小尺寸PD快充电源方案。

图示1-大联大友尚基于ON Semiconductor产品推出的PD快充电源方案的展示板图
如今这个信息科技时代,智能科技产物已经与人们的生活息息相关,尤其是诸如手机、平板等智能移动电子设备的出现,极大程度的方便了人们的生活。然而虽然电子设备发展日新月异,但其续航能力一直是业内亟待解决的问题。因此,许多厂商在无法通过提升电池容量来解决的情况下,纷纷选择了采用PD快充的方式来提高充电速度。
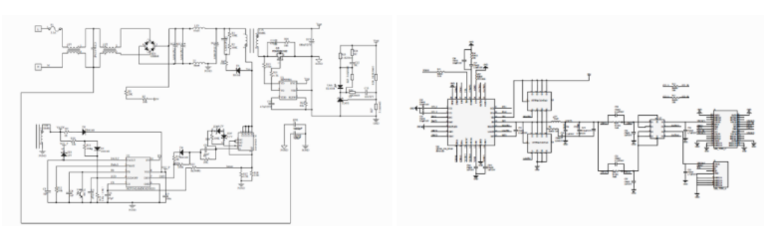
由大联大友尚基于ON Semiconductor NCP1342控制器IC推出的PD快充电源方案,采用了新型的GaN材料,最大输出功率为65W。在设计上,本方案采用了双面板、最简化的设计理念,外形尺寸仅为51.5mmX51.5mmX31mm,上下两片1.0mm左右厚铜设计,既满足EMI又具有良好的导热性。

图示2-大联大友尚基于ON Semiconductor推出的PD快充电源方案的场景应用图
本方案的核心器件是ON Semiconductor NCP1342控制器IC,其具有专有的谷值锁定电路,可确保稳定的谷值切换。在设计上,NCP1342采用最小峰值电流调制(MPCM)来快速降低开关频率,以确保针对高频设计的轻负载性能。不仅如此,NCP1342还内置若干关键保护电路,可确保实现坚固耐用的转换器性能。

图示3-大联大友尚代理的ON Semiconductor NCP1342 Demo架构图
核心技术优势:
方案规格:
输入:110-240V~50/60HZ 1.5A; USB-C输出: