时间:2018-02-06 12:02
人气:
作者:admin
你还在担心你的键盘“怕水”吗?压电圆片式键盘为你解决你的后顾之忧,该键盘采用压电圆片作为传感器和蜂鸣器,能够检测到0.4mm厚不锈钢板上的轻微压力,既防水又防破坏。这里将为你介绍压电圆片式键盘的设计方案。
传感器的核心部分是压电圆片,通常被用作蜂鸣器,这里选择使用Murata公司的7BB-35-3.其外直径为35mm,传感区域的直径范围约为20mm.圆片置于PCB上,PCB内含电子器件,并具有圆孔,使陶瓷材料能自由移动。本例采用了一层3mm厚的自粘型泡沫橡胶将圆片固定在PCB上。该组件需施加合理的压力夹在前板的背面。
PCB布局及开孔

用手指触摸外板,钢材(或其他材质)会轻微变形,小幅增加的压力通过橡胶传递至压电圆片。该压力足以产生可被微处理器检测到的电压。此时,处理器会将所有圆片当作蜂鸣器使用,并发出应答蜂鸣声。
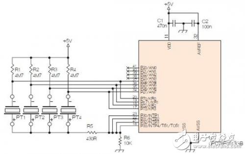
本设计实例中使用了4个按键。使用的微控制器为瑞萨科技(前身为NEC)的uPD78F0513,当然,也可以使用其他微控制器。
压电圆片的较小电极连接至微控制器的ADC输入端,并通过大电阻连接至正电源。此外,其还被连接至一开始处于高阻抗状态的其他端口输入(P7)。压电圆片的其他电极(较大电极)被一起连接至几个并行的端口位(P3),而得到低阻抗值。若缺少端口又具有足够的输出电流,就无需进行这一步。这些端口开始会处于低电平。用手指按压圆片至轻微变形,则供给ADC输入端的电压降低。
压电式键盘/蜂鸣器原理图

启动时,P3为低,P7为高,对压电圆片快速充电,压电圆片的电容值约为30nF.在零点几微秒后,P7就会被设置为高阻抗输入。
程序连续扫描ADC输入。由于圆片具有大电容,电压变化极慢,无需进行快速扫描。在特定应用中设置为每1ms进行一次电压测量,因此每4ms会对每个圆片检查一次。
当输入电压受按键下压影响降至预设电压以下时,控制器会对输入进行处理,然后使用所有并联圆片作为蜂鸣器。使用0.4mm厚的钢板时,低于5V电源1.5V的阈值就足以获得很好的敏感度;若使用更厚的前板,仍有很大的裕量提高敏感度。
为发出蜂鸣声,将P7设置为低阻抗输出,将P3设置为相反的极性,其将在压电圆片的谐振频率(本例采用2800Hz)下输出一个方波。蜂鸣声持续250ms,由R5限制驱动电流。蜂鸣声结束后,P3恢复为0,P7再次短暂设置为5V,以对圆片进行充电。