时间:2014-09-10 18:05
人气:
作者:admin
引言
目前,手机、MP3和笔记本 电脑等便携式电子设备进行充电主要采用的是一端连 接交流电源,另一端连接便携式电子设备充电电池的传统充电方式。这种方式有很多不利 的地方,如频繁的插拔很容易损坏接头,也可能带来触电的危险等。因此,非接触式感应充电器在上个世纪末期诞生。凭借其携带方便、成本低、无需布线等优势迅速受到各界关注。实现无线充电,能量传输效率高,便于携带成为充电系统的研究方向之一 。本设计就是一个由能量发送单元和能量接收单元两大部分组成,利用电磁感应原理 实现电能无线传递的充电器。
1 硬件系统设计
1.1 器件选择
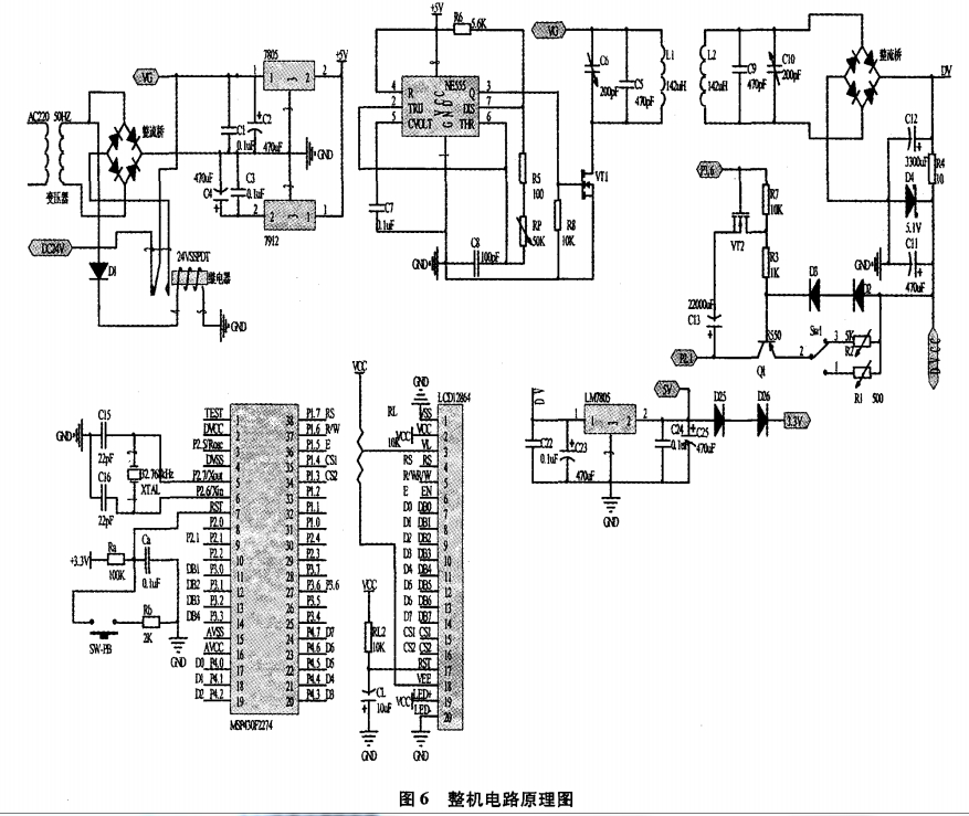
本无线充电系统的设计是用线圈耦合方式传递能量,使接收单元接收到足够的电能,以保证后续电路能量的供给。由于无线传电电压随能量发送单元和接收单元耦合线圈的间距D在测试中需要改变,而充电时间相对固定,便于控制,所以充电方式上选择固定电流充电的恒流充电方案。在器件选择上选择有多种省电模式,功耗特别省,抗干扰力特强的 MSP430系列超低功耗单片机MSP430F2274作为无线传能充电器的监测控制核心芯片,电压和充电时间显示采用低功耗OCM126864—9液晶屏,以提高充电电路的能量利用效率。
1.2 系统框图
无线充电系统主要采用电磁感应原理,通过线圈进行能量耦合实现能量的传递。如图1所示,系统工作时输人端将交流市 电经全桥整流电路变换成直流电,或用24V直流电端直接为系统供电。当接收线圈与发射线圈靠近时,在接收线圈中产生感生电压,当接收线圈回路的谐振频率与发射频率相同时产生谐振,电压达最大值,具有最好的能量传输效果。通过 2个电感线圈耦合能量,次级线圈输出的电流经接受转换电路变化成直流电为电池充电。
1.3 单元电路设计
1.3.1 电源切换
直流输入采用单刀双闸继电器,交流上电常开闭合,常闭打开实现交流优先,交流断电继电器断电,常闭闭合,实现自动切换。在切换时,时间很短,C1可提供一定时间的电量,可以实现不断电切换,不影响充电。见图2所示 。


1.3.2发射及接收电路
发射电路由振荡信号发生器和谐振功率放大器两部分组成, 见图3所示。采用NE555构成振荡频率约为510KHZ信号发生器 ,为功放电路提供激励信号;谐振功率放大器由Lc并联谐振回路和开关管IRF840构成。振荡线圈按要求用直径为0.8mm的漆包线密绕2O圈,直径约为6.5cm,实测电感值约为142uH ,由
, 当谐振在510KHZ时,与其并联的电容c5、c6 约为680P,可用470pF的固定电容并联一个200PF的可调电容,可方便调节谐振频率。
大功率管TRF840最大电流为8A、完全开启时内阻为0.85欧,管子发热量大,所以需要加装散热片。当功率放大器的选频回路的谐振频率与激励信号频率相同时,功率放大器发生谐振,此时线圈中的电压和电流达最大值,从而产生最大的交变电磁场。当接收线圈与发射线圈靠近时,在接收线圈中产生感生电压,当接收线圈回路的谐振频率与发射频率相同时产生谐振,电压达最大值。构成了如图4所示的谐振回路。实际上,发射线圈回路与接收线圈回路均处于谐振状态时,具有最好的能量传输效果。


1.3.3 充电电路

如图5所示,电能经过线圈接收后,高频交流电压经快速二极1N4148进行全波整流,3300F的电容滤波,再用5.1v压二极管稳压,输出直流电为充电器提供较为稳定的工作电压。
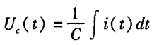
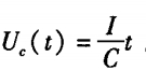
因为
, 为了准确控制充电时间,我们在设计中采用恒流充电的方法,可以保证充电电流大致为一常数I,上述电容电压与时间的关系可表示为:
。 根据题设要求,充电时间应满足快充小于30s,慢充控制在100到140S , 计算出快充、慢充所需 电流大小快I1慢I2: 分别为 :

图 5中二极管 D1、 D2的导通电压基本不变 ,故可作为电压基准 , 约为 1.4 V。各电压关系为:

可见在恒流充电电路中,充电电流仅由电阻R1、R2确定。计算中约定U=0.7充电电流Ic( 三极管集电极电流)Ie,计算出快充、慢充所需电阻R1、R2分别为 :

设计中采用可调电阻, 可调节充电电流的大小 。
1 .3. 4 整机电路原理图

2 软件设计
软件设计 的主要任务是对充电过程的监视及充电电路的控制。具体方法是:利用 MSP430单片机 自带的A D转换器实时检测充电电池上的电压,到规定电压时发出控制信号,断充电电路。基于MSP430较高的速度、高精度的AD转换器、功能丰富的定时器等资源特点, 我们在LCD上设计了充电进度条的绘制、实时充电电压显示、充电时间显示等内容。其中进度条的绘制需要定性反映实时电压大小,我们采用的方法是根据电压值计算出坐标,并调用自己设计的画直线函数进行实时绘制,效果逼真( 见图7、图8 ) 。

3 功能的实现情况
本无线充电系统设计使用220V /50HZ交流供电,24V直流供电,自动切换交、直流供电电源; 具有快充、慢充功能,当距离D> 2cm时, 快充时间<30s,当距离D>2cm时,慢充时间 <120s。系统充满后显示,自动关断充电。如表1所示 。

4 结 语
充电效率是一个不得不考虑的问题。本设计系统可以在发射接收电路的能量传输部分做适当改进,以获得更高的效率和更远的距离;也可以设计充电设备检测电路,在没有能量接收电路时能量发送部分处于睡眠状态,当能量接收电路靠近发送部分时,激活发射电路开始充电。本设计系统达到了设计要求,具有无线充电、携带方便、成本低、无需布线等优势,有着广泛的应用前景。