时间:2023-11-30 11:06
人气:
作者:admin
过冲是指一个超过设定电压的峰值电压,一般以尖峰脉冲形式呈现。在使用电源产品过程中,输入端开关接触不良和输入端热插拔上电都可能会产生输出过冲,若是输出过冲超过后端设备的极限耐压,有可能会造成后端设备损坏。
输出过冲产生原因
过冲的产生和上电方式有着很大的关系。输入端电压平滑上升时,输出端不会存在过冲;热插拔上电或者输入端接触不良时,会造成输入端电压从零突然阶跃上升或者输入端电压有较大跌落时再阶跃上升,这两种情况下,若输入端电压变化速率超出系统环路响应速度,会导致输出端电压短暂出现高于设定值现象,即输出过冲。
输出过冲改善措施
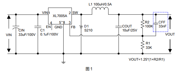
1.添加 CFF 电容

添加 CFF 电容可以有效抑制由因输入端电压阶跃上升导致的输出过冲现象。参考图 1 电路,按照输入 12V,设定输出 5V,输出端接 51R 水泥电阻;对比测试没有 33nF 电容时输入输出电压波形,与添加 33nF 电容后输入输出电压波形。(CFF 电容位置见图 1 蓝色虚线框中)。

2.添加欠压关机电路
按图 1 电路(CFF 电容已加),输入 12V,设定输出 5V,输出端接 51R 水泥电阻。测试输入端电压快速跌落并阶跃上升时,输入输出电压波形

由图 4 波形可知,输入端电压快速跌落并阶跃上升时,添加 CFF 电容可能无法彻底消除输出过冲。我们可以通过添加欠压关机电路来解决,原理为:通过稳压管设定芯片的最小工作电压,当输入电压跌落,小于稳压管 VZ 值后,芯片不工作,输入端电压上升到高于稳压管 VZ 值后,芯片重新工作;这样可以让芯片在输入端电压出现较大波动时停止工作,避免输出电压不稳定。欠压关机电路见图 5、图 6 蓝色虚线框中。其中 DZ1 取值范围:1.2*VOUT<VZ<VIN。

使用上述欠压关机电路,测试输入端电压快速跌落并阶跃上升时,输入输出电压波形。

由图 7、图 8 波形可知,使用欠压关机电路后可以有效抑制输出过冲。
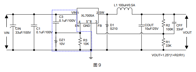
3.添加延迟启动电路
解决输入端电压跌落并阶跃上升导致输出过冲,还有更简单的方案,我们可以通过添加延迟启动电路。原理是:输入端只要存在电压上升情况,上升瞬间输入端电压给 C3 充电,电流流过 R3 产生 2V 以上电压,EN 脚检测到此高电平后芯片关机;待输入端电压稳定后,C3 电容停止充电,芯片便会重新工作;这样可以让芯片在输入端电压出现较大波动时停止工作,避免输出电压不稳定。延迟启动电路见图 9 蓝色虚线框中。其中稳压管 DZ1 取 10V。

使用图 9 电路,测试输入端电压快速跌落并阶跃上升时,输入输出电压波形。

由图 10 波形可知,使用延迟启动电路后可以有效抑制输出过冲。
审核编辑:黄飞
下一篇:如何利用热像仪评估供暖系统效率?